GEBERIT скрытый унитаз FRAME с функцией БИДЕ

Товар

77 969  ₽
Пошлина ≈6 435 ₽ не входит в цену.
GEBERIT скрытый унитаз FRAME с функцией БИДЕ

Доставка

  • Почта России

    от 990 ₽

  • Курьерская доставка EMS

    от 1290 ₽

Характеристики

Артикул
10144413614
Состояние
Новый
Linia
Duofix
Szerokość miski
35.5 cm
Głębokość miski
49 cm
Wysokość stelaża
112 cm
Informacje dodatkowe
bez kołnierza
Szerokość stelaża
50 cm

Описание

Stelaż wc z przyciskiem + Miska WC podwieszana z deską wolnoopadającą

STELAŻ podtynkowy GEBERIT MISKA WC z funkcją BIDET EAN (GTIN) 4025410735867

STELAŻ:

PRODUCENT: Geberit

MODEL: Duofix Basic + delta 50 przycisk

RODZAJ: podtynkowy

TYP: do miski wc

ROZSTAW ŚRUB: 18 i 23 cm

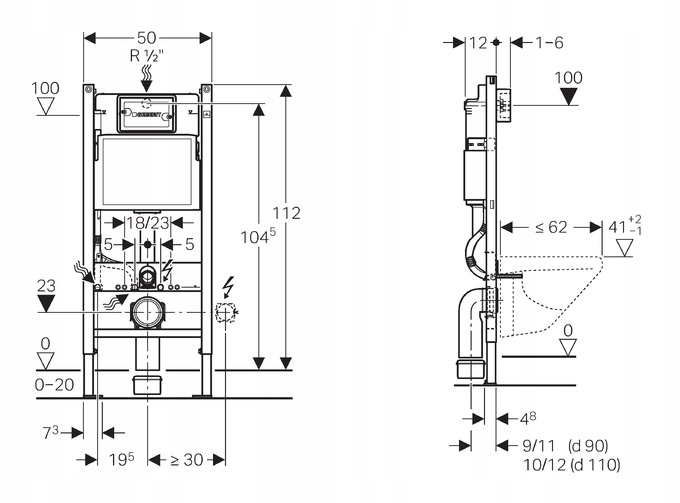
WYMIARY: 112 x 50 cm

SPŁUCZKA: 2 funkcyjna 3 / 6 l. (fabrycznie) z możliwością regulacji

PRZYCISK: chrom błyszczący

SERWIS: w domu klienta

Zestaw wsporników dystansowych Geberit Duofix do montażu pojedynczego, z nasadzanym trawersem

Mata wygłuszająca gratis!

  • Stelaż podtynkowy do zabudowy lekkiej, do miski wiszącej, w komplecie elementy montażowe, podłączeniowe - opis poniżej
  • Ustawienia fabryczne ilości wody spłukującej 6 i 3 l
  • Zakres regulacji spłukiwania dużą ilością wody 4.5 / 6 / 7.5 l
  • Zakres regulacji spłukiwania małą ilością wody 3-4 l
  • Przepływ obliczeniowy 0.12 l/s
  • Minimalne ciśnienie przepływu dla przepływu obliczeniowego 50 kPa
STELAŻ podtynkowy GEBERIT MISKA WC z funkcją BIDET Marka Geberit

MARKA: Reihe

MODEL: Stea

NR KATALOGOWY: STE-MWR

RODZAJ: wisząca

TYP: bezrantowa, (Rimless)

ODPŁYW: poziomy

MATERIAŁ: ceramika

KOLOR: biały

Długość: 485 mm

Szerokość: 335 mm

Wysokość: 360 mm

ROZSTAW ŚRUB: 18 cm

Deska: w zestawie

Wolnoopadająca

Z duroplastu

Wypinana

Typu: twarda

-

System wypięcia deski pozwala na szybkie wypięcie deski z uchwytów mocujących, co znacznie ułatwia czyszczenie miski wc.

Alt

BATERIA:

PRODUCENT: Reihe

MODEL: ORIS OR-BNP-CH

RODZAJ: ścienna, podtynkowa

TYP: 1-uchwyowa

GŁOWICA: ceramiczna

KOLOR: chrom

MATERIAŁ: mosiądz

W KOMPLECIE: bateria, rozeta, mieszacz

Jedno wyjście wody zmieszanej oraz dwa wejścia: na wodę ciepłą i zimną

Kompletna część natynkowa i podtynkowa

Alt

BIDETTA:

MARKA: Reihe

MODEL: słuchawka + wąż basic + przyłącze

KOD: BAS-SB2-CH + BAS-WM-CH + SC-P1-002

RODZAJ: ścienny

TYP: podtynkowy

KOLOR: chrom

MATERIAŁ: mosiądz, tworzywo abs

RĄCZKA: z funkcją stop (tworzywo abs)

STRUMIEŃ: deszczowy

WĄŻ: 150 cm (mosiężny oplot)

UCHWYT: mosiężny z przyłączem

Alt

SKĄD WYNIKA NASZA CENA WYSYŁKI

Towar jakim są meble, umywalki oraz lustra jest bardzo narażony na uszkodzenia transportowe.

Z naszego doświadczenia wiemy, że wysyłając produkt paczką, bardzo często docierał do klienta pobity, połamany lub potłuczony.

Dzięki temu rozwiązaniu sprzedawane przez nas artykuły, docierają do klienta w stanie nienaruszonym.

Pozwala to klientowi zaoszczędzić czas i nie potrzebne nerwy - poświęcone na reklamacje.

STELAŻ podtynkowy GEBERIT MISKA WC z funkcją BIDET EAN (GTIN) 4025410735867

Przeznaczenie

  • Do zabudowy lekkiej
  • Do montażu w ściankach instalacyjnych o częściowej wysokości lub wysokości pomieszczenia
  • Do montażu w ściankach instalacyjnych na wysokość pomieszczenia
  • Do wiszących misek WC o wymiarach przyłączeniowych zgodnych z EN 33:2011
  • Do wiszacych misek WC o długości do 62 cm
  • Do spłukiwania jednoilościowego, dwudzielnego i lub spłukiwania z funkcją "stop"
  • Do wysokości warstw podłogi 0–20 cm
STELAŻ podtynkowy GEBERIT MISKA WC z funkcją BIDET Marka Geberit
STELAŻ podtynkowy GEBERIT MISKA WC z funkcją BIDET Szerokość stelaża 50 cm

STEA to nowoczesna, bezkołnierzowa toaleta

o starannie zaprojektowanym kształcie.

Zastosowana technologia ułatwia utrzymanie czystości oraz

daje pewność dokładnego spłukania. W trosce o najwyższy

poziom higieny zaprojektowaliśmy gładką miskę pozbawioną

standardowego kołnierza, pod którym mogłyby się gromadzić

bakterie. Dzięki temu każdy fragment ceramiki jest łatwo

dostępny, a toaletę łatwo utrzymać w czystości nawet bez

użycia silnych detergentów. Delikatnie wyprofilowany brzeg

miski gwarantuje odbiór pełnej pojemności spłuczki, bez ryzyka

rozchlapania wody

STELAŻ podtynkowy GEBERIT MISKA WC z funkcją BIDET Głębokość miski 49 cm

Rimless:

Otwarty system spłukiwania miski tzw. bez rantu (kołnierza), zapewniający łatwiejsze utrzymanie higieny i uniemożliwiający rozwój bakterii.

STELAŻ podtynkowy GEBERIT MISKA WC z funkcją BIDET Kod producenta 118.347.00.1
STELAŻ podtynkowy GEBERIT MISKA WC z funkcją BIDET Linia Duofix

Deska wypinana:

Możliwość szybkiego demontażu deski (np. do mycia), możliwość wypięcia deski dodatkowo zwiększa higienę, możemy umyć trudno dostępne miejsca.

STELAŻ podtynkowy GEBERIT MISKA WC z funkcją BIDET Szerokość miski 35.5 cm
Alt
Alt
STELAŻ podtynkowy GEBERIT MISKA WC z funkcją BIDET Wysokość stelaża 112 cm
Alt
STELAŻ podtynkowy GEBERIT MISKA WC z funkcją BIDET Informacje dodatkowe bez kołnierza

Właściwości

  • Rama samonośna malowana proszkowo
  • Otwarta górna rama
  • Rama z nawierconym otworem o 9 mm do zamocowania w konstrukcji drewnianej
  • Rama z otworami montażowymi na wsporniki dystansowe Geberit Duofix do elementów montażowych z otwartą, górną ramą
  • Rama przygotowana pod wsporniki do misek ustępowych o małej powierzchni przylegania
  • Nogi montażowe ocynkowane
  • Nogi montażowe o regulowanym położeniu w zakresie 0–20 cm
  • Stopy z tworzywa sztucznego
  • Głębokość stóp odpowiednia do montażu w profilach U UW 50
  • Kolano przyłączeniowe z możliwością montażu bez użycia narzędzi
  • Spłuczka podtynkowa uruchamiana z przodu
  • Spłuczka podtynkowa z izolacją przeciwroszeniową
  • W przypadku ustawień fabrycznych ponowne spłukiwanie możliwe natychmiast
  • Przyłącze wody z tyłu lub na górze na środku
  • Wyposażono w rurkę ochronną umożliwiającą szybkie podłączenie wody do toalet myjących Geberit AquaClean
  • Z możliwością zamocowania przyłącza elektrycznego

Гарантии

  • Гарантии

    Мы работаем по договору оферты и предоставляем все необходимые документы.

  • Лёгкий возврат

    Если товар не подошёл или не соответсвует описанию, мы поможем вернуть его.

  • Безопасная оплата

    Банковской картой, электронными деньгами, наличными в офисе или на расчётный счёт.

Отзывы о товаре

Рейтинг товара 4.89 / 5

18 отзывов

Russian English Polish