Комплект автоматизации ворот FAAC 414 SHORT XLED
Товар
- 3 раза купили
- 4.96 оценка
- 99600 осталось
- 77 отзывов
Доставка
Характеристики
Описание
FAAC 414 SHORT - ZESTAW AUTOMATYKI DO BRAM DWUSKRZYDŁOWYCH O DŁUGOŚCI SKRZYDEŁ 2x 3m PRZY ZASTOSOWANIU ZACZEPU ELEKTROMAGNETYCZNEGO.
Skrzydła bramy mogą ważyć do 350 kg każde.
SKŁAD ZESTAWU:
- 2x Siłownik FAAC 414 SHORT
- Uchwyty mocujące do słupka i skrzydła bramy
- Centrala sterująca FAAC E045S
- Hermetyczna obudowa do centrali FAAC
- Radioodbiornik dwukanałowy XF868
- 3x piloty XT4 868 SLH LRB
- Lampa sygnalizacyjna LED z wbudowaną anteną zwiększającą zasięg pilotów
- Fotokomórki bezpieczeństwa FAAC XP20BD
- Elementy montażowe
- 2x Klucze do odblokowywania awaryjnego (gdy braku prądu)
- 2x Kondensator rozruchowy
- Karta gwarancyjna 24 miesiące FAAC
- Instrukcja montażowa siłowników w języku polskim
- Instrukcja podłączenia centrali w języku polskim
- Instrukcja programowania pilotów FAAC w języku polskim
- Pomoc telefoniczna w trakcie instalacji
˃ ZESTAW 414 SHORT IDEALNIE NADAJE SIĘ NA SŁUPKI WĄSKIE (METALOWE) ORAZ SŁUPKI SZEROKIE KLINKIEROWE.
˃ IDEALNE ROZWIĄZANIE DLA BRAM PRZYDOMOWYCH Napęd FAAC 414 SHORTG jest najbardziej praktycznym i ekonomicznym rozwiązaniem przy automatyzowaniu bramy o długości jednego skrzydła do 3 m. Napęd wyposażony jest w siłowniki tubowe – samoblokujące i dlatego nie wymaga stosowania dodatkowych zamków.
˃ ŁATWY MONTAŻ I PEWNE DZIAŁANIE Ze względu na swoją tubową konstrukcję i sposób mocowania siłowników do bramy (od czoła) napęd FAAC 414 SHORT jest szybki i łatwy w montażu, bez konieczności wykonywania kosztownych przeróbek adoptujących. Dobry punkt podparcia bramy gwarantuje pewne blokowanie po zamknięciu nawet w przypadku szerokich bram.
˃ MINIMALNE KOSZTY OBSŁUGI, WYSOKA NIEZAWODNOŚĆ Koszt obsługi napędu elektromechanicznego FAAC 414 SHORT jest zdecydowanie minimalny. Urządzenie pracuje niezawodnie w każdych warunkach atmosferycznych, w zakresie temperatur zewnętrznych od-20°C do +55°C.
DANE TECHNICZNE SIŁOWNIKA 414
- Zasilanie 230V, 50(60)Hz
- Zasilanie silnika 230V
- Pobór mocy 280W
- Pobór prądu 1,2A
- Prędkość obrotowa silnika 1400obr./min
- Prędkość wysuwu trzpienia 1,5cm/sek
- Maksymalna siła ciągu 3500N
- Zabezpieczenie termiczne 140°C
- Zakres temperatur -20/+55°C
- Stopień ochrony IP44
3x PILOT XT4 4-KANAŁOWY 868 MHz
- piloty pracują na częstotliwości 868MHz w wersji LR (Long Range) o zwiększonym zasięgu działania,. System ten jest znacznie odporniejszy na jakiekolwiek zakłócenia, a przez to pracuje wydajniej. Zasięg pilotów wynosi nawet do 200 m.
- działanie pilota oparte jest na technologii SLH czyli kod typu Self Learning Hopping umożliwia programowanie pilot od pilota bez konieczności dostępu do radioodbiornika.
- sygnał wysyłany z pilota zabezpieczony jest systemem Rolling Code z 70 bilionami kombinacji- kod dynamicznie losowo zmienny
CENTRALA STERUJĄCA E045S Z OBUDOWĄ
- Napięcie zasilające: 230VAC ±15% 50/60 Hz
- Pobór mocy: 4W w gotowości
- Maks pobór mocy: 800W
- Maks. obciążenie przez akcesoria: 500mA 24VDC - 500mA BUS 2-easy
- Maks. zasilanie blokady: Blokada FAAC (12VAC - 24VDC)
- Zakres temperatur pracy: -20°C do +55°C
- Bezpieczniki: F1 (2,5A)
- Wejścia: Otwarcie/otwarcie częściowe/STOP/BUS 2-easy/Zasilanie
- Wyjścia: Lampa ostrzegawcza/silnik/zasilanie akcesoriów 24VDC/ Sygnalizacja stanu bramy 24VDC/zasilanie zamka elektromagnetycznego 12VAC
- Szybkozłącze: XF 433/868 moduł do OMNIDEC, USB
- Programowanie: Wyświetlacz LED i przyciski
- Sygnalizacja statusu: Wyświetlacz i LED
Centrala sterująca E045S może obsługiwać jeden lub dwa silniki
OBUDOWA CENTRALI STERUJĄCEJ
- do zastosowania zewnętrznego
- hermetyczna, poziom szczelności IP 55.
MODUŁ RADIOWY XF 868 MHz
- Odbiornik z wbudowaną anteną zwiększającą zasięg pilota
- Częstotliwość: 868Mhz
- Napięcie zasilania: pobieranie z centrali przez złącze 24Vdc
- Pamięć 256 pilotów
- Podłączenie: szybkozłącze
Fotokomórki XP20BD o zasięgu 20m
Dane techniczne:
- Zasięg 20 M
- Zasilanie przez szynę BUS-ową 2easy
- 2 przewody 24 v
- Ochrona IP54
- Poziomy kąt regulacji 180°
- Pobór prądu ( Rx 10mA,Tx 10mA)
- Instalacja naścienna/Na kolumnie/Na wsporniku
- Optyczna samoregulacja
- Czas wykrywania przeszkód 20mS
- Wymiary:41x130x42 mm
- Możliwość zainstalowania do M16 par fotokomórek w jednym układzie
Lampa ostrzegawcza FAAC XLED
- nowoczesny design pasujący do każdego otoczenia, lampa FAAC XLED będzie ukoronowaniem Państwa pięknego ogrodzenia
- 40 diod LED o wysokiej jasności zapewniających bardzo dobrą widoczność nawet w pełnym świetle dziennym
- wbudowany przerywacz
- montaż poziomy lub pionowy na ścianie bądź słupku
- informuje optycznie że brama automatyczna została wprawiona w ruch
- napięcie: 12V, 24V, 115V, 230V
- zintegrowana antena zwiększająca zasięg pilotów
UCHWYTY MONTAŻOWE
- uchwyty do zamocowania siłowników, komplet uchwytów do zamocowania na słupkach i skrzydłach bramy
- ocynkowane
AKCESORIA MONTAŻOWE I KLUCZYKI ODBLOKOWUJĄCE
- trzpienie montażowe do zamocowania siłowników do uchwytów montażowych
- kluczyki odblokowujące w przypadku przerwy w dostawie energii elektrycznej
KONDENSATORY
- kumulują energię i pomagają siłownikom wprawić skrzydła bramy w ruch
Schemat instalacji
- Siłowniki
- Fotokomórki
- Centrala sterująca
- Wyłącznik kluczykowy
- Odbiornik fal radiowych
- Lampa sygnalizacyjna
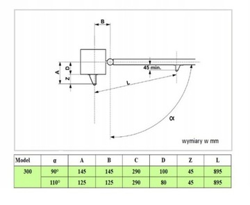
➜ Aby uzyskać otwarcie skrzydła pod kątem 90°: A+B=C.
➜ Aby uzyskać otwarcie skrzydła pod kątem większym niż 90°: A+B<C.
➜ Utrzymaj wartość Z, aby zapobiec uderzaniu siłownika w pilaster
podczas zamykania skrzydła
KOMPLETNY I GOTOWY DO MONTAŻU ZESTAW FAAC 414 SHORT DO BRAM DWUSKRZYDŁOWYCH O SKRZYDŁACH DŁUGOŚCI DO 2x3m
Гарантии
- Гарантии- Мы работаем по договору оферты и предоставляем все необходимые документы. 
- Лёгкий возврат- Если товар не подошёл или не соответсвует описанию, мы поможем вернуть его. 
- Безопасная оплата- Банковской картой, электронными деньгами, наличными в офисе или на расчётный счёт. 
