Электронное колесо фортуны Учимся паять.

Товар

759  ₽
Электронное колесо фортуны Учимся паять.
  • 1 раз купили
  • 5  оценка
  • 42 осталось
  • 3 отзыва

Доставка

  • Почта России

    1275 ₽

  • Курьерская доставка EMS

    1596 ₽

Характеристики

Артикул
10641523880
Identyfikator produktu
10641523880
Состояние
Новый
Model
Elektroniczne koło fortuny
Rodzaj
inny
Producent
Inna (DIY)

Описание

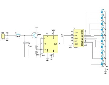
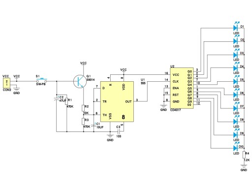
Elektroniczne koło fortuny Nauka lutowania

Elektroniczne koło fortuny

do własnoręcznego montażu, lutowania.

Układ  łatwy  w montażu .

Czas montażu 60 minut.

Prosty ale efektowny układ do nauki lutowania oraz podstaw elektroniki.

Po naciśnięciu przycisku zapala się kolejno

jedna z diód Led co daje efekt jakby krążyła

po okręgu i po paru sekundach się

zatrzymuje w losowym miejscu.

Rozmiar płytki: 48mm x 48mm,

Zasilanie: 3,5V - 6V.

Układ oparty na chipach NE555 CD4017, schemat montażu podzespołów nadrukowany na płytce.

Płytki PCB mogą się różnić w zależności od dostawy, zasada działania zawsze jest taka sama.

Alt
Elektroniczne koło fortuny Nauka lutowania Model Elektroniczne koło fortuny
Elektroniczne koło fortuny Nauka lutowania Rodzaj inny

Instrukcja:

Układy mają nadrukowany schemat montażu na płytce. Trzeba zwrócić uwagę na biegunowość  w przypadku takich elementów jak kondensatory, diody, tranzystory. W przypadku diód Led dłuższa nóżka to plus +, większość elementów ma opisane parametry na obudowie. Rezystory mogą mieć oznaczenia paskowe ich oporność oraz tolerancję można odczytać za pomocą kalkulatorów dostępnych w internecie lub mierząc miernikiem.  Kolejność montażu zazwyczaj jest dowolna , w zależności od układu, montujemy najpierw najmniejsze elementy.

Alt
Alt
Alt
Elektroniczne koło fortuny Nauka lutowania Kod producenta Elektroniczne koło fortuny
Elektroniczne koło fortuny Nauka lutowania Producent Inna

Гарантии

  • Гарантии

    Мы работаем по договору оферты и предоставляем все необходимые документы.

  • Лёгкий возврат

    Если товар не подошёл или не соответсвует описанию, мы поможем вернуть его.

  • Безопасная оплата

    Банковской картой, электронными деньгами, наличными в офисе или на расчётный счёт.

Отзывы о товаре

Рейтинг товара 5 / 5

3 отзыва

Russian English Polish