СИТРОЕН БЕРЛИНГО/ПЕЖО ПАРТНЕР. Ремонт

Товар

3 953  ₽
СИТРОЕН БЕРЛИНГО/ПЕЖО ПАРТНЕР. Ремонт

Доставка

  • Почта России

    от 990 ₽

  • Курьерская доставка EMS

    от 1290 ₽

Характеристики

Артикул
10687201104
Состояние
Новый
Tytuł
CITROEN BERLINGO / PEUGEOT PARTNER. Obsługa i naprawa - poradnik naprawczy
Tematyka
Samochody osobowe

Описание

Bardzo szczegółowy poradnik naprawczy (dane techniczne i opisy napraw głównych).

344 strony.

Opisy obsługi, regulacji i naprawy "bliźniaczych" samochodów CITROEN BERLINGO ora PEUGEOT PARTNER wyposażonych w:

  • silnik benzynowy 1.1 (TU1M) o mocy 60 KM z jednopunktowym wtryskiem BOSCH MA3.1 (od 1999 r.),
  • silnik benzynowy 1.4 (TU3) o mocy 75 KM z wielopunktowym wtryskiem MAGNETTI-MARELLI 1AP20 (od 1999 r.),
  • silnik benzynowy 1.8 (XU7) o mocy 90 KM z wielopunktowym wtryskiem MAGNETTI-MARELLI 1AP20 (od 1999 r.),
  • silnik wysokoprężny 1.8D (XUD7) o mocy 58 KM z instalacją wtryskową LUCAS (od 1999 r.),
  • silnik wysokoprężny 1.9D (XUD) o mocy 69 KM z instalacją wtryskową BOSCH (od 1999 r.),
  • silnik wysokoprężny 1.9D (DW8) o mocy 69 KM z instalacją wtryskową LUCAS lub BOSCH (od 2001 r.).

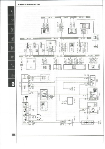
Książkę uzupełniono szczegółowymi danym technicznymi, tabelą momentów dokręcania oraz bardzo licznymi schematami elektrycznymi.

ISBN 83-88986-05-8

Гарантии

  • Гарантии

    Мы работаем по договору оферты и предоставляем все необходимые документы.

  • Лёгкий возврат

    Если товар не подошёл или не соответсвует описанию, мы поможем вернуть его.

  • Безопасная оплата

    Банковской картой, электронными деньгами, наличными в офисе или на расчётный счёт.

Отзывы о товаре

Рейтинг товара 0 / 5

0 отзывов

Russian English Polish