ФИАТ ТИПО. Обслуживание и ремонт – руководство по ремонту

Товар

3 953  ₽
ФИАТ ТИПО. Обслуживание и ремонт – руководство по ремонту
  • 1 раз купили
  • 5  оценка
  • 1 осталось
  • 1 отзыв

Доставка

  • Почта России

    от 990 ₽

  • Курьерская доставка EMS

    от 1290 ₽

Характеристики

Артикул
10687370116
Состояние
Новый
Tytuł
FIAT TIPO. Obsługa i naprawa - poradnik naprawczy
Tematyka
Samochody osobowe

Описание

Omówiono obsługę i naprawę zespołów samochodów FIAT TIPO, wyposażonych w:

  • silnik benzynowy 1.1 (1108 cm3) o mocy 55 KM z gaźnikiem WEBER 32 TLF 12/250,
  • silnik benzynowy 1.4 (1372 cm3) o mocy 70 KM z gaźnikiem WEBER 32/34 TLDE 4/150,
  • silnik benzynowy 1.4 (1372 cm3) o mocy 78 KM z gaźnikiem WEBER 32/34 TLDE 21,
  • silnik benzynowy 1.6 OHC (1580 cm3) o mocy 82 KM z gaźnikiem WEBER 32/34 TLDE 5/150,
  • silnik benzynowy 1.6 OHC (1580 cm3) o mocy 86 KM z gaźnikiem WEBER 32/34 TLDE 23,
  • silnik benzynowy 1.6 DOHC (1585 cm3) o mocy 90 KM z gaźnikiem WEBER 32/34 TLDE 23 lub wtryskiem MONO-JETRONIC,
  • silnik wysokoprężny 1.7 Diesel (1697 cm3) o mocy 57 KM z pompą wtryskową BOSCH lub CAV.

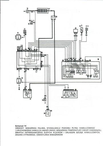
Opisy uzupełniono danymi technicznymi i regulacyjnymi, tablicą momentów dokręcania i wieloma schematami elektrycznymi.

206 stron.

ISBN 83-85243-58-5

Гарантии

  • Гарантии

    Мы работаем по договору оферты и предоставляем все необходимые документы.

  • Лёгкий возврат

    Если товар не подошёл или не соответсвует описанию, мы поможем вернуть его.

  • Безопасная оплата

    Банковской картой, электронными деньгами, наличными в офисе или на расчётный счёт.

Отзывы о товаре

Рейтинг товара 5 / 5

1 отзыв

Russian English Polish