ЦЕПНОЕ КОЛЕСО 10B1 5/8" Z=8 СО СТУПИЦОЙ HRC

Товар

1 084  ₽
ЦЕПНОЕ КОЛЕСО 10B1 5/8" Z=8 СО СТУПИЦОЙ HRC
  • 0 раз купили
  • 5  оценка
  • 14 осталось
  • 4 отзыва

Доставка

  • Почта России

    1328 ₽

  • Курьерская доставка EMS

    1662 ₽

Характеристики

Артикул
10738940803
Состояние
Новый
Producent części
Hubber
Numer katalogowy części
10B1Z8

Описание

KOŁO ŁAŃCUCHOWE 10B1 5/8" Z=8 Z PIASTĄ HRC

Koło łańcuchowe pojedyncze.

Dla łańcucha 5/8" 10B-1

- hartowane indukcyjnie zęby ( HRC 45-55)

- zalecany maksymalny otwór piasty D3 x 0,6

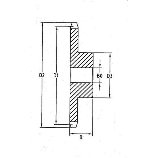
Dane techniczne :

grubość - 9 mm

ilość zębów - 8

średnica koła podziałowego D1 - 41,48 mm

średnica koła wierzchołkowego D2 - 48,4 mm

średnica piasty D3 - 25 mm

wysokość B - 25 mm

średnica otworu BO - 10 mm

KOŁO ŁAŃCUCHOWE 10B1 5/8" Z=8 Z PIASTĄ HRC Producent części Hubber

Гарантии

  • Гарантии

    Мы работаем по договору оферты и предоставляем все необходимые документы.

  • Лёгкий возврат

    Если товар не подошёл или не соответсвует описанию, мы поможем вернуть его.

  • Безопасная оплата

    Банковской картой, электронными деньгами, наличными в офисе или на расчётный счёт.

Отзывы о товаре

Рейтинг товара 5 / 5

4 отзыва

Russian English Polish