УПЛОТНИТЕЛЬНОЕ КОЛЬЦО ДЛЯ АВТОМАТИЧЕСКОЙ КОРОБКИ ПЕРЕДАЧ AL4 DP0 221916

Товар

423  ₽
УПЛОТНИТЕЛЬНОЕ КОЛЬЦО ДЛЯ АВТОМАТИЧЕСКОЙ КОРОБКИ ПЕРЕДАЧ AL4 DP0 221916

Доставка

  • Почта России

    1288 ₽

  • Курьерская доставка EMS

    1613 ₽

Характеристики

Артикул
11149464790
Состояние
Новый
Typ silnika
Benzyna
Typ samochodu
Samochody osobowe
Waga produktu
0.1 kg
Rodzaj skrzyni
Automatyczna
Producent części
Citroen OE
Numer katalogowy części
221916
Numer katalogowy oryginału
221916
Numery katalogowe zamienników
221916
Jakość części (zgodnie z GVO)
O - oryginał z logo producenta pojazdu (OE)

Описание

ORING AUTOMATYCZNEJ SKRZYNI BIEGÓW AL4 DP0 221916 Numer katalogowy części 221916
ORING AUTOMATYCZNEJ SKRZYNI BIEGÓW AL4 DP0 221916

Nowa oryginalna uszczelka - oring łączący kasetę sterującą ze skrzynią biegów

Numer fabryczny: 2219.16 | 2219 16 | 221916

Pasuje do skrzyń:

  • Renault - typ skrzyni biegów DP0
  • Citroen - typ skrzyni biegów AL4
  • Peugeot - typ skrzyni biegów AL4

Aukcja dotyczy zakupu 1 sztuki

Uwaga! Części mogą występować bez oryginalnych opakowań, ponieważ są to opakowania zbiorcze np. po 10 sztuk.

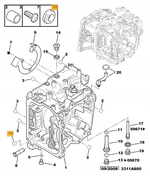
Na rysunku technicznym:

  • miejsce montażu oznaczono jako: "16" - żółta kratka
ORING AUTOMATYCZNEJ SKRZYNI BIEGÓW AL4 DP0 221916 Producent części Citroen OE

DOPASOWANIE NALEŻY SPRAWDZIĆ PO NUMERZE VIN (NADWOZIA)

Numery OE/zamienniki/inne numery:

  • 2219 16
  • 2219.16
  • 221916

Гарантии

  • Гарантии

    Мы работаем по договору оферты и предоставляем все необходимые документы.

  • Лёгкий возврат

    Если товар не подошёл или не соответсвует описанию, мы поможем вернуть его.

  • Безопасная оплата

    Банковской картой, электронными деньгами, наличными в офисе или на расчётный счёт.

Отзывы о товаре

Рейтинг товара 4.69 / 5

26 отзывов

Russian English Polish