MATRYCA PRYZMA PRASA KRAWĘDZIOWA 95x95x3200 MM

Товар

344 411  ₽
Пошлина ≈42 545 ₽ не входит в цену.
MATRYCA PRYZMA PRASA KRAWĘDZIOWA 95x95x3200 MM

Доставка

  • Почта России

    от 990 ₽

  • Курьерская доставка EMS

    от 1290 ₽

Характеристики

Артикул
11488794732
Состояние
Новый
Rodzaj
prasa
Marka
Zenith
Kod producenta
MATRYCA 95X95

Описание

MATRYCA PRYZMA PRASA KRAWĘDZIOWA 95x95x3200 MM

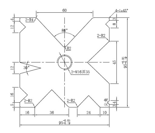
Oferuję matrycę wielorowkową o długości 3200mm

Matryca wyposażona w 9 rowków :

- 4 mm, 86 stopni

- 6 mm, 86 stopni

- 10 mm, 86 stopni

- 12 mm, 86 stopni

- 16 mm, 86 stopni

- 24 mm, 86 stopni

- 36 mm, 86 stopni

- 46 mm, 86 stopni

- 63 mm, 86 stopni

- 12 mm, 30 stopni

wymiary : 95x95x3200 mm

MATRYCA PRYZMA PRASA KRAWĘDZIOWA 95x95x3200 MM Marka Zenith

Гарантии

  • Гарантии

    Мы работаем по договору оферты и предоставляем все необходимые документы.

  • Лёгкий возврат

    Если товар не подошёл или не соответсвует описанию, мы поможем вернуть его.

  • Безопасная оплата

    Банковской картой, электронными деньгами, наличными в офисе или на расчётный счёт.

Отзывы о товаре

Рейтинг товара 0 / 5

0 отзывов

Russian English Polish