4-осевой ЧПУ-контроллер DDCS-Expert+MPG

Товар

128 546  ₽
Пошлина ≈13 639 ₽ не входит в цену.
4-осевой ЧПУ-контроллер DDCS-Expert+MPG

Доставка

  • Почта России

    1651 ₽

  • Курьерская доставка EMS

    2198 ₽

Характеристики

Артикул
11514629835
Состояние
Новый
Rodzaj
sterownik CNC
Kod producenta
1010200128211
Marka
inny (DIGITAL DREAM)
Waga produktu z opakowaniem jednostkowym
2 kg

Описание

4-osiowy-kontroler-cnc-ddcs-expert-zadajnik-mpg-p-72.htmlKontroler  DDCS Expert V1.1 + dedykowany moduł MPG

Kontroler  DDCS Expert V1.1 jest 4-osiowym kompletnym systemem znajdującym zastosowanie w profesjonalnych maszynach CNC

Współpracuje z każdym  napędem, wykorzystującym sygnały krok - kierunek (step - dir).

Częstotliwość sygnału wyjściowego dla jednej osi wynosi 1 MHz.

Wielką zaletą urządzenia jest integracja trzech oddzielnych komponentów w jednej obudowie.

Kontroler DDCS Expert V1.1 zastępuje

  • komputer-PC
  • oprogramowanie np: MACH
  • płytę główną lub bardziej zaawansowany kontroler ruchu – który  posiada wbudowane szybkie wyjścia do obsługi czterech osi

Bardzo solidne  wykonanie z grubej stalowej blachy.

  • zapraszamy bezpośrednio na naszą stronę www_sklep_akcesoria-cnc_pl
  • tam znajdą Państwo więcej szczegółów o produkcie oraz dane techniczne wpliku pdf

www_sklep_akcesoria-cnc_pl/4-osiowy-kontroler-cnc-ddcs-expert-zadajnik-mpg-p-72.html

Kontroler DDCS-EXPERT  4-osiowy 1Mkhz

wsparcie:

  • Close-loop Stepper
  • Podwójna oś Y
  • ATC

Funkcja

  • Obsługuje  2-5 osi
  • Interpolacja liniowa 2-4 osi
  • interpolacja kołowa 2 osi
  • 7 calowy kolorowy wyświetlacz 1024*600
  • do obsługi 40 klawiszy operacyjnych + możliwość dołożenia dedykowanej klawiatury ułatwiającej edycję programu i użytkowanie kontrolera
  • 24  izolowane wejścia cyfrowe, z sygnalizacją stanu na każdym wejściu
  • 21  izolowanych wyjść cyfrowych, z sygnalizacją stanu na każdym wyjściu
  • Sterowanie wrzecionem sterowanie wrzecionem 0-10V, obsługa wyjścia PWM
  • Obsługa magazynu narzędzi
  • Tryb sondy: obsługa automatycznej sondy i ręcznej sondy długości narzędzia
  • Alarmy oprogramowania: błąd programu, błąd działania, błąd przekroczenia, błąd sterownika i tak dalej
  • Sieć: obsługa udostępniania plików,
  • Online - obróbka plików zdalnych
  • Kontroler kompatybilny ze standardowym G-kodem, obsługuje popularne oprogramowanie CAD/CAM, takie jak ArtCam, MasterCam, ProE, JDSoft SurfMill, Aspire, Fusion 360 i tak dalej.
  • podgląd ścieżki przetwarzania przed obróbką
  • nieograniczony rozmiar pliku do obróbki
  • Wspiera wznowienie pracy po np: zaniku zasilania
  • Obsługa 4 poziomów dostępu: gość, operator, administrator, super administrator

Dostawa obejmuje:

  1. Kontroler  DDCS Expert V1.1
  2. Moduł MPG  DDMPG-DDCSE
  3. Pamięć USB 4GB
  4. Przewód USB - gniazdo USB

Dostępna obszerna instrukcja w języku angielskim

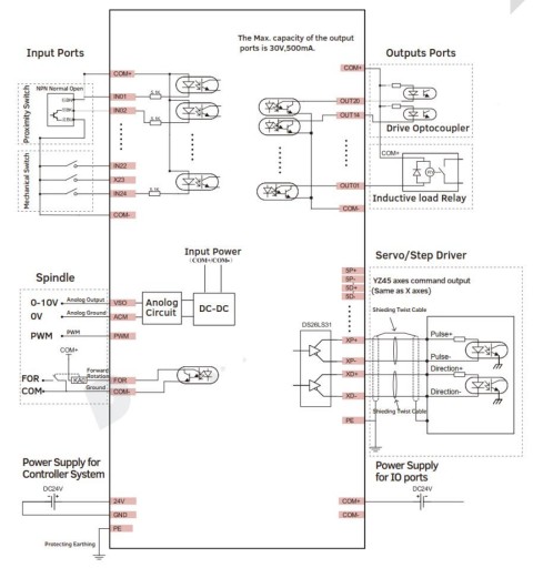
Podłączenie przykład

4-osiowy kontroler CNC DDCS-Expert + MPG Rodzaj sterownik CNC

WYGLĄD KONTROLERA OD STRONY GNIAZD WEJŚCIA WYJŚCIA I ZASILANIA

WRAZ Z OPISEM

Alt

KONTROLER WYMAGA DO POPRAWNEJ PRACY PODŁĄCZENIA DWÓCH ZASILACZY 24V/3A

Alt

Schemat połączeń

Alt

Гарантии

  • Гарантии

    Мы работаем по договору оферты и предоставляем все необходимые документы.

  • Лёгкий возврат

    Если товар не подошёл или не соответсвует описанию, мы поможем вернуть его.

  • Безопасная оплата

    Банковской картой, электронными деньгами, наличными в офисе или на расчётный счёт.

Отзывы о товаре

Рейтинг товара 5 / 5

5 отзывов

Russian English Polish