КОМПЛЕКТ ДОМОФОНА URMET 5025/133-ЗК-РФ

Товар

30 909  ₽
Пошлина ≈394 ₽ не входит в цену.
КОМПЛЕКТ ДОМОФОНА URMET 5025/133-ЗК-РФ

Доставка

  • Почта России

    от 990 ₽

  • Курьерская доставка EMS

    от 1290 ₽

Характеристики

Артикул
11563866880
Identyfikator produktu
11563866880
Состояние
Новый
Typ domofonu
Przewodowy
Rodzaj domofonu
Wielorodzinny
Informacje dodatkowe
Czytnik kart zbliżeniowych

Описание

ZESTAW DOMOFONOWY ANALOGOWY TRZYRODZINNY Z PANELEM MIWUS ORAZ UNIFONAMI URMET - 5025/133-ZK-RF

Kod producenta: 5025/133-ZK-RF

ZESTAW DOMOFONOWY DOMOFON URMET 5025/133-ZK-RF

W skład zestawu wchodzi:

  • Panel domofonowy Miwus mod. 5025/3D-ZK-RF
  • Zasilacz domofonowy mod. 18A2
  • 3 Unifony Urmet mod. 1131/1
  • 4 Breloki zbliżeniowe 1052/KZ
  • Instrukcja obsługi, montażu i instalacji

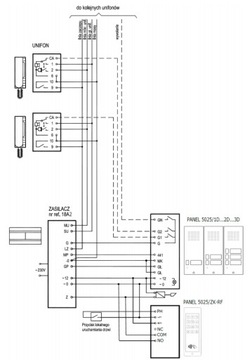
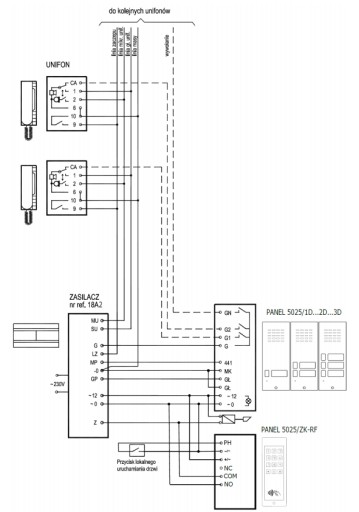
UNIFON URMET 1131/1

ZESTAW DOMOFONOWY DOMOFON URMET 5025/133-ZK-RF Rodzaj domofonu Wielorodzinny

Dane techniczne:

  • Producent: Urmet
  • Model: 1131/1
  • Linia stylistyczna unifonu: Urmet
  • System: 4+n
  • Ilość przycisków: 1 (otwarcia drzwi) + 1 (przycisk dodatkowy)
  • Ilość przewodów: 5+1
  • Materiał: ABS
  • Kolor: Biały
  • Montaż: Natynkowy
  • Wymiary: 218 x 77 x 56 mm (wys. x szer. gł.)

* Istnieje możliwość dokupienia jeszcze do 3 dodatkowych przycisków funkcyjnych nr ref. 1131/100. Znajdziesz je na naszej aukcji, wpisując podany numer w polu wyszukiwania na naszym sklepie Allegro :)

Opis zacisków:

  • T1 wyjście 1 przycisku funkcyjnego
  • G/T zacisk wspólny przycisków funkcyjnych
  • 1 - głośnik
  • CA - wywołanie
  • 2 - mikrofon
  • 6/10 - masa
  • 9 - elektrozaczep
Alt

PANEL MIWUS 5025/3D-ZK-RF

Alt

Panel Urmet Miwus mod. 5025/3D-ZK-RF wykonany jest z blachy nierdzewnej (wandaloodporny). Jego niewielkie wymiary sprawiają, iż doskonale nadaje się do montażu na słupkach ogrodzeniowych metalowych jak i murowanych. Dodatkowe zabezpieczenie stanowią śruby patentowe mocujące płyty czołowe. Panel posiada wbudowany moduł rozmówny z 3 przyciskami wywołania oraz czytnik zbliżeniowy kart/kluczy RFID zintegrowany z dotykowym zamkiem kodowym.

Zamek kodowy (dotykowy) z czytnikiem kluczy/kart RFID jest urządzeniem kontroli dostępu przeznaczonym do pracy samodzielnej (autonomicznej). Kody otwarcia mogą mieć od 4 do 8 cyfr. Obsługuje również breloczki oraz karty RFID standardu UNIQUE 125 kHz np. nr ref. 1052/KZ lub ISO CARD. Front urządzenia wykonany jest z blachy nierdzewnej i pleksi. Podświetlany jest na kolor czerwony. W momencie otwarcia drzwi kolor czerwony gaśnie, a podświetlenie zmienia się na kolor zielony. Urządzenie posiada możliwość regulacji jasności podświetlenia, oraz konfigurowalną sygnalizację dźwiękową. Sygnalizację akustyczną można wyłączyć zupełnie, lub ustawić jeden z trzech poziomów głośności. Do urządzenia można podłączyć zewnętrzny przycisk, który spowoduje zadziałanie zamka kodowego w taki sposób, jak podczas przyłożenia zaprogramowanego klucza, lub wpisania poprawnego kodu otwarcia – tzw. "przycisk otwarcia". Istnieje możliwość konfiguracji ustawień zamka kodowego, dodawania, usuwania i edytowania kluczy, kodów otwarcia poprzez przycisk programowania PROG, kluczem MASTER lub oprogramowaniem na PC.

Panel współpracuje z następującymi typami zasilaczy domofonowych:

  • Wersja domofonowa : 18A2, 18L1;
  • Wersja domofonowa z interkomem: 19A2, 19L1;

Dane techniczne:

  • Producent: Urmet
  • Model: 5025/3D-ZK-RF
  • System: 4+n
  • Ilość przycisków: 3
  • Materiał: Stal nierdzewna
  • Montaż: natynkowy
  • Napięcie zasilania: 12V AC
  • Stopień ochrony: IK 07
  • Temp. pracy: -20°C ÷ +45°C
  • Obciążalność styków przekaźnika: 2A; 60VDC / 125V AC
  • Wymiary (dł. x szer.x gł.): 152 x 110 x 23-35 mm (z daszkiem)

Opis zacisków:

  • +/~ Zasilanie czytnika RFID AC / DC (polaryzacja dowolna).
  • –/~ Zasilanie czytnika RFID AC / DC (polaryzacja dowolna).
  • NC Styk przekaźnika normalnie zwarty.
  • COM Styk przekaźnika wspólny.
  • NO Styk przekaźnika normalnie otwarty.
  • PH Zacisk przycisku otwarcia (przycisku listonosza).
  • 441 „plus” wzmacniacza mikrofonu,
  • MK „minus” wzmacniacza mikrofonu,
  • GL, GL głośnik panelu,
  • AC, AC podświetlenie panelu.

* Przyciski wywołania zamontowane są na „wsporniku”.

ZASILACZ DOMOFONOWY 18A2

ZESTAW DOMOFONOWY DOMOFON URMET 5025/133-ZK-RF Kolor biały

Właściwości:

  • Najnowsza generacja zasilaczy produkcji URMET
  • Przystosowany do systemu 4+N
  • Niezależna regulacja wzmocnienia głośnika i mikrofonu
  • Uniwersalny montaż: bezpośrednio na ścianie lub na szynie DIN
  • W zestawie dedykowana maskownica na przewody
  • Wykonanie z tworzywa ABS
  • Współpracuje z panelami MIWI, MIWUS, mod. 1127 oraz z panelami z modułami rozmównymi MR2 (mod. 725), 1128/501 (Genya, Smyle, Aura)
  • Obwód z triakiem do sterowania elektrozaczepem
  • Wbudowany dwutonowy generator pozwalający na jednoczesne wywołanie jednego lub dwóch unifonów
  • Wyposażony w osłonkę zakrywającą zaciski przewodów, co pozwala na bezpieczny montaż zasilacza bez dodatkowej obudowy (np. na ścianie)

Dane techniczne:

  • Producent: Urmet
  • Nr ref.: 18A2
  • System: 4+n
  • Wymiar: 110 x 130 x 66mm
  • Montaż: szyna DIN
  • Napięcie zasilania: 230V AC / 50Hz / 20VA
  • Moc: 20VA
  • Napięcie wtórne: 12V AC
  • Zabezpieczenie: bezpiecznik T100 mA
  • Temp. pracy: 0°C ÷ +45°C
  • Wyjście EZ: 12 V AC / 500mA
ZESTAW DOMOFONOWY DOMOFON URMET 5025/133-ZK-RF Informacje dodatkowe Czytnik kart zbliżeniowych Ekran dotykowy Sterowanie napędem bramy

Opis zacisków:

  • ~230 V zaciski napięcia zasilania 230 V AC
  • ~12 wyjście napięcia zmiennego 12 V AC podświetlenia przycisków panela oraz zasilanie elektrozaczepu;
  • ~0 masa dla napięcia 12 V AC;
  • -0 masa;
  • MU wejście sygnału mikrofonu z unifonów;
  • SU wyjście na głośnik unifonu;
  • GP zacisk do podłączenia głośnika w module rozmównym panela;
  • MP zacisk do podłączenia mikrofonu modułu rozmównego panela;
  • G wyjście generatora wywołania do panela z przyciskami;
  • LZ sterowanie włączeniem elektrozaczepu (załączenie poprzez zwarcie do masy);
  • Z podłączenie elektrozaczepu.
Alt

BRELOK ZBLIŻENIOWY 1052/KZ

Klucz (breloczek) kompatybilny z czytnikami RFID w urządzeniach domofonowych firmy Miwi Urmet. 1052/KZ posiadają zapisywany na etapie produkcji unikalny kod (numer identyfikacyjny), który, jeśli zostanie prawidłowo rozpoznany przez czytnik, spowoduje jego zadziałanie. Klucze zbliżeniowe zasilane są za pomocą pola indukcyjnego wytworzonego przez czytnik, po zasileniu klucz wysyła odpowiedź, która jest odczytywana i dekodowana. Klucze działają na częstotliwości 125kHz w standardzie UNIQUE i są wykorzystywane w systemach kontroli dostępu.

Гарантии

  • Гарантии

    Мы работаем по договору оферты и предоставляем все необходимые документы.

  • Лёгкий возврат

    Если товар не подошёл или не соответсвует описанию, мы поможем вернуть его.

  • Безопасная оплата

    Банковской картой, электронными деньгами, наличными в офисе или на расчётный счёт.

Отзывы о товаре

Рейтинг товара 5 / 5

13 отзывов

Russian English Polish