CITROEN XSARA (97-00) РЕМОНТ И ПРОВЕРКА

Товар

7 030  ₽
CITROEN XSARA (97-00) РЕМОНТ И ПРОВЕРКА

Доставка

  • Почта России

    от 990 ₽

  • Курьерская доставка EMS

    от 1290 ₽

Характеристики

Артикул
11935817517
Состояние
Новый
Tytuł
Citroen XSARA PICASSO - 5D 1999-12->2010-12XSARA PICASSO (99->10) 1.8 120HP (6FZ / EW7J4)
Tematyka
Samochody osobowe
Rok wydania
2013

Parametry dodatkowe

format
270 x 210mm
język
angielski
okładka
miękka
Wydawnictwo
Haynes Publishing

Описание

CITROEN XSARA ( 97-00 ) NAPRAWA I PRZEGLADY

CITROEN XSARA ( 97-00 ) NAPRAWA I PRZEGLADY

INSTRUKCJA CITROEN XSARA (silniki benzynowe i Diesla)

modele produkowane od 1997 do 2000 roku

Czy chcesz wiedzieć jak naprawić samochód Citroen Xsara?

Odpowiedzią jest instrukcja Haynes

UWAGA!

Oferowana książka wydana jest w języku angielskim (niedostępna w polskiej wersji językowej).

W książce opisano samochód Citroen Xsara, modele produkowane od 1997 do września 2000 roku. W książce uwzględniono modele specjalne i edycje limitowane.

Wersja nadwozia:

  • Hatchback
  • Estate
  • Coupe

Silniki benzynowe:

  • silnik o pojemności 1,4 litra 1360 cm3,
  • silnik o pojemności 1,6 litra 1587 cm3,
  • silnik o pojemności 1,8 litra 1761 cm3,
  • silnik o pojemności 2,0 litra 1998 cm3,

Silniki Diesla:

  • silnik o pojemności 1,9 litra 1868 cm3,
  • silnik o pojemności 1,9 litra 1905 cm3,
  • silnik o pojemności 2,0 litra 1997 cm3, z uwzględnieniem wersji turbo Diesel

Książka nie zawiera opisu modelu z silnikiem benzynowym o pojemności 2,0 cm3, 16 zaworowego, modeli VTS Coupe, Picasso oraz wersji po liftingu wprowadzonych w październiku 2000 roku.

Opis modelu:

Citroën Xsara to samochód osobowy o nadwoziu typu hatchback lub kombi, produkowany przez koncern PSA w latach 1997-2004. Model Xsara jest bezpośrednim następcą Citroëna ZX i odziedziczył po nim część rozwiązań technicznych – np. skrętną tylną belkę. Xsara w 2004 roku została zastąpiona modelem C4. Niedługo po premierze Xsary, w 1999 roku zaprezentowano minivana o nazwie Citroën Xsara Picasso, który mimo prezentacji modelu C4 Picasso będzie nadal produkowany do 2010 roku.

Gama silników od 1,4 l do 2,0 l. Początkowo stosowane były klasyczne silniki diesla o pojemności 1,9; zarówno wolnossące jak i turbodoładowane. W późniejszym okresie zostały one zastąpione przez silniki HDi z systemem Common rail o pojemnościach 1,4 i 2,0. Silniki benzynowe wykorzystywały technologię ośmio- i szesnastozaworową.

UWAGA!

Oferowana książka wydana jest w języku angielskim (niedostępna w polskiej wersji językowej).

Citroen Xsara Petrol and Diesel (97 - Sept 00) R to W

Haynes Service and Repair Manual

Książka napraw wydana przez angielskie wydawnictwo Haynes (Haynes Publishing Group) to prawdziwe kompendium wiedzy warsztatowej. Swoją zawartością stanowi cenny zbiór porad i praktycznych wskazówek serwisowych. Poradnik serwisowy Haynes z pewnością przyda się zarówno wykwalifikowanemu mechanikowi warsztatu samochodowego, jak również przeciętnemu użytkownikowi pojazdu, który w przydomowym garażu zechce wymienić olej czy dokonać drobnej naprawy we własnym zakresie.

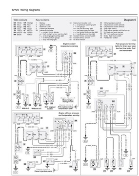
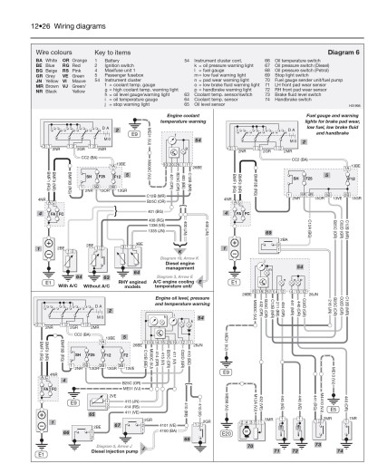
Warto wspomnieć, że motoryzacyjne podręczniki Haynesa powstają na podstawie całkowitego rozłożenia samochodu lub motocykla na części przez doświadczonych mechaników, a następnie jego ponownego złożenia i szczegółowego udokumentowania krok po kroku każdej czynności. W ten sposób powstaje bardzo dokładny opis samochodu, wzbogacony licznymi zdjęciami i rysunkami złożeniowymi. Istotnym elementem książki serwisowej są zawarte w niej schematy instalacji elektrycznej samochodu i motocykla.

Alt

Typowy poradnik Haynes Manuals zawiera:

Opis i identyfikację modelu

Uwagi na temat bezpieczeństwa

Awaryjne naprawy w drodze

  • Co zrobić jeśli twój samochód nie chce odpalić?
  • Sposoby awaryjnego uruchomienia silnika (rozruch "na pożyczkę")
  • Zmiana koła
  • Identyfikacja nieszczelności
  • Holowanie pojazdu

Czynności obsługowe (cotygodniowe kontrole)

  • Wykaz punktów kontroli i sprawdzeń
  • Sprawdzenie poziomu oleju
  • Sprawdzenie poziomu płynu chłodzącego
  • Sprawdzenie poziomu płynu do spryskiwaczy
  • Sprawdzenie stanu opon i ciśnienia w ogumieniu
  • Sprawdzenie poziomu płynu hamulcowego i sprzęgła
  • Sprawdzenie płynu w układzie wspomagania kierowniczego
  • Sprawdzenie i ocena stanu wycieraczek
  • Sprawdzenie sprawności akumulatora
  • Sprawdzenie systemów i układów elektrycznych pojazdu
  • Smary i płyny eksploatacyjne - wykaz
  • Ciśnienie w oponach - tabela dla typowych rozmiarów kół

Konserwacja pojazdu

  • Rutynowa konserwacja i serwis pojazdu
  • Specyfikacja czynności serwisowych
  • Harmonogram obsług technicznych i przeglądów okresowych
  • Zakres czynności obsługowych

Naprawy i przeglądy samochodu

  • Obsługa silnika i układów z nim związanych
  • Procedury naprawcze i wskazówki serwisowe
  • Demontaż silnika i procedura przeglądu
  • Układ chłodzenia, ogrzewania i klimatyzacji
  • Układ paliwowy i wydechowy
  • Katalizator i układ kontroli emisji spalin
  • Rozrusznik i alternator
  • Układ zapłonowy

Przekładnia

  • Sprzęgło
  • Skrzynia manualna
  • Skrzynia automatyczna
  • Wały napędowe

Hamulce i zawieszenie samochodu

  • Układ hamulcowy
  • Zawieszenie i układ kierowniczy

Wyposażenie pojazdu

  • Nadwozie i wyposażenie
  • Wyposażenie elektryczne
  • Schematy elektryczne

Charakterystyka pojazdu

  • Wymiary i waga samochodu
  • Przeliczniki jednostek
  • Zakup części zamiennych
  • Identyfikacja i oznaczenia pojazdu
  • Ogólne procedury naprawy
  • Podnoszenie pojazdu
  • Odłączenie akumulatora
  • Narzędzia i warunki do pracy
  • Kontrole stanu technicznego
  • Diagnostyka i identyfikacja błędów
  • Słowniczek pojęć technicznych

Książka napraw, instrukcja obsługi dla samochodu Citroen Xsara (silniki benzynowe i Diesla), zawiera modele 1997-2000 - zapraszam do zakupu !

Гарантии

  • Гарантии

    Мы работаем по договору оферты и предоставляем все необходимые документы.

  • Лёгкий возврат

    Если товар не подошёл или не соответсвует описанию, мы поможем вернуть его.

  • Безопасная оплата

    Банковской картой, электронными деньгами, наличными в офисе или на расчётный счёт.

Отзывы о товаре

Рейтинг товара 0 / 5

0 отзывов

Russian English Polish