ЭЛЕКТРОГИДРАВЛИЧЕСКИЙ РАСПРЕДЕЛИТЕЛЬ 4 СЕК 40Л 24В

Товар

53 339  ₽
Пошлина ≈3 381 ₽ не входит в цену.
ЭЛЕКТРОГИДРАВЛИЧЕСКИЙ РАСПРЕДЕЛИТЕЛЬ 4 СЕК 40Л 24В

Доставка

  • Почта России

    от 990 ₽

  • Курьерская доставка EMS

    от 1290 ₽

Характеристики

Артикул
12054485823
Состояние
Новый
Typ maszyny
Dźwig, żuraw, podnośnik
Marka maszyny
Atlas
Producent części
SM-G
Numer katalogowy części
V-F40-4S-EE24

Описание

Alt

Rozdzielacz hydrauliczny 4 sekcyjny elektryczny 24V o przepływie oleju 40L/min

KOD SKRAW MET: [3247]

Producent: SM-G (SKRAW MET GROUP)

Rozdzielacz uniwersalny, znajduje zastosowanie w różnego rodzaju maszynach jak: Cyklopy, Tury, Ładowacze, Pługi, Wózki widłowe i pochodne.

Rozdzielacz doskonale sprawdza się w maszynach i urządzeniach zasilanych hydraulicznie.

Może być wykorzystywany w rolnictwie, sadownictwie, leśnictwie czy budownictwie.

Dostosowany jest do pracy w: maszynach rolniczych, ciągnikach, opryskiwaczach, turach, cyklopach, ładowaczach HDS, maszynach budowlanych, ładowarkach, koparkach, zamiatarkach, maszynach przemysłowych i innych.

Cewki elektryczne wraz z wtyczkami, są w komplecie z rozdzielaczem.

ROZDZIELACZ HYDRAULICZNY ELEKTRYCZNY 4 SEK 40L 24V
ROZDZIELACZ HYDRAULICZNY ELEKTRYCZNY 4 SEK 40L 24V Numer katalogowy części V-F40-4S-EE24

Rozdzielacz posiada zawór bezpieczeństwa.

  • napięcie nominalne: 24V
  • przepływ oleju:  0 - 40 l/min
  • zalecana filtracja oleju na poziomie: 10 - 15 µ
  • temperatura oleju: od -20°C do +80°C
  • temperatura otoczenia: od -40°C do +60°C
  • wersja: zawór z odlewu ze stali

Zakres ciśnień:

Maksymalne ciśnienie na zasilaniu: 250Bar

Maksymalne ciśnienie na powrocie: 50Bar

Maksymalne ciśnienie na sekcjach: 300Bar

Zawór przelewowy:

  • Ustawiony fabrycznie na 180Bar
  • Możliwość samodzielnej regulacji, pełny obrót zmiana o 30Bar.

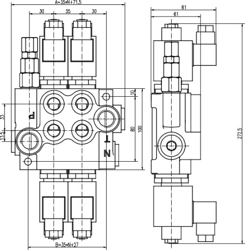
Podłączenie:

Zasilanie (P) BSP 1/2''

Powrót  (T) BSP 1/2''

Wyjście na sekcje BSP 3/8''

Typ oleju:

Olej hydrauliczny na bazie oleju mineralnego

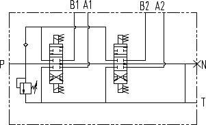
Sterowanie

4x Suwak trzypozycyjny (1 - 0 - 2)

  • na sprężynie sam wraca do pozycji neutralnej (po odcięciu dopływu prądu)
  • Pozycja 0 neutralna (dopływ prądu do cewek ODCIĘTY) tłoczysko siłownika stoi - olej idzie na przelew.
  • Pozycja 1 robocza (dopływ prądu do cewki pierwszej) tłoczysko siłownika wysuwa się.
  • Pozycja 2 robocza (dopływ prądu do cewki drugiej) tłoczysko siłownika chowa się.
ROZDZIELACZ HYDRAULICZNY ELEKTRYCZNY 4 SEK 40L 24V Producent części SM-G
ROZDZIELACZ HYDRAULICZNY ELEKTRYCZNY 4 SEK 40L 24V Marka maszyny Atlas Bobcat Bomag Case Caterpillar Doosan Fadroma Hitachi Hyundai JCB John Deere Komatsu KTS Kubota Liebherr New Holland O&K Terex Volvo Wacker Yanmar Zeppelin Inna

Wejścia/wyjścia:

P1 / P2 - zasilanie oleju

T1 / T2 - powrót oleju

A1-A2 / B1-B2 - wyjścia na siłowniki

N - wyjście ciśnieniowe (do przekazywania ciśnienia na podłączone szeregowo rozdzielacze - wymaga tulei ciśnieniowej)

Zdjęcie poglądowe! Ilość wyjść na siłownik (A i B) zależy od ilości sekcji w rozdzielaczu.

Wtyczki elektryczne wpinane są do cewek rozdzielacza za pomocą trzech pinów.

Wszelki dodatkowe elementy tj.: wtyczki do cewek, joysticki czy panele sterujące, można dokupić na pozostałych naszych aukcjach.

ROZDZIELACZ HYDRAULICZNY ELEKTRYCZNY 4 SEK 40L 24V Typ maszyny Dźwig, żuraw, podnośnik Generator (agregat) Koparka Koparko-ładowarka Kruszarka Ładowarka Równiarka Rozściełacz asfaltu Spycharka Walec Wozidło Zagęszczarka Inny

Rysunek techniczny oraz schemat rozdzielacza

Alt
Alt
Alt

Гарантии

  • Гарантии

    Мы работаем по договору оферты и предоставляем все необходимые документы.

  • Лёгкий возврат

    Если товар не подошёл или не соответсвует описанию, мы поможем вернуть его.

  • Безопасная оплата

    Банковской картой, электронными деньгами, наличными в офисе или на расчётный счёт.

Отзывы о товаре

Рейтинг товара 0 / 5

0 отзывов

Russian English Polish