Датчик, давление наддува BOSCH 0 261 230 3

Товар

3 881  ₽
Датчик, давление наддува BOSCH 0 261 230 3

Доставка

  • Почта России

    от 990 ₽

  • Курьерская доставка EMS

    от 1290 ₽

Характеристики

Артикул
12359742080
Состояние
Новый
Typ silnika
Benzyna
Typ samochodu
Autobusy
Producent części
Bosch
Numer katalogowy części
0 261 230 302
Numer katalogowy oryginału
ALFA ROMEO 55238125
Numery katalogowe zamienników
AUTOTEAM L4279

Specyfikacja techniczna produktu

Wersja TecDoc
2406
Numery handlowe
DS-S3-TF
Zakres temperatury do [°C]
130
Zakres temperatury od [°C]
-40
Jakość części (zgodnie z GVO)
Q - oryginał z logo producenta części (OEM, OES)

Описание

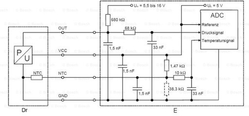
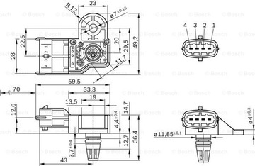
Czujnik, ciśnienie doładowania BOSCH 0 261 230 3

Kod towaru: 0 261 230 302 BOS

Bosch to prawdopodobnie jedna z najbardziej rozpoznawalnych marek w dziedzinie części samochodowych. Przedsiębiorstwo to zostało założone w Niemczech w 1886 roku. Firma ta słynie przede wszystkim z wysokiej jakości części samochodowych. Przed opuszczeniem linii produkcyjnych wszystkie części poddaje się bardzo rygorystycznym testom, gdyż jest to gwarancja uzyskania najlepszych części zamiennych na rynku motoryzacyjnym!

Czujnik, ciśnienie doładowania BOSCH 0 261 230 3 Producent części Bosch

Specyfikacja techniczna:

  • Zakres temperatury od [°C]: -40
  • Zakres temperatury do [°C]: 130
  • Numery handlowe: DS-S3-TF

Pamiętaj, że producent pojazdu mógł zastosować kilka rodzajów części w jednym roczniku. Weryfikuj po dopasowaniu, numerach części oryginalnej, parametrach części oraz numerze VIN!

Гарантии

  • Гарантии

    Мы работаем по договору оферты и предоставляем все необходимые документы.

  • Лёгкий возврат

    Если товар не подошёл или не соответсвует описанию, мы поможем вернуть его.

  • Безопасная оплата

    Банковской картой, электронными деньгами, наличными в офисе или на расчётный счёт.

Отзывы о товаре

Рейтинг товара 5 / 5

16 отзывов

Russian English Polish