Настенный держатель с резаком для велосипедной стойки 14 см.

Товар

1 858  ₽
Настенный держатель с резаком для велосипедной стойки 14 см.
  • 10 раз купили
  • 4.67  оценка
  • 100 осталось
  • 6 отзывов

Доставка

  • Почта России

    1576 ₽

  • Курьерская доставка EMS

    2097 ₽

Характеристики

Артикул
12495131782
Identyfikator produktu
12495131782
Состояние
Новый
Model
USB-01
Producent
inny (USB)
Typ uchwytu
wieszak
Liczba rowerów
brak informacji
Nośność uchwytu
50 kg

Описание

Uchwyt ścienny na bagażnik rowerowy - długość 14 cm - CZARNY

Uchwyt ścienny bagażnika MARTEC USB-02

Wieszak ścienny imitujący prawdziwy hak holowniczy idealnie sprawdza się w garażu lub w piwnicy - służy do przechowywania platform rowerowych, bagażników montowanych na haku holowniczym. Uniwersalny, pasuje do większości platform montowanych na haku takich firm jak Thule, Atera, InterPack, Aguri, Peruzzo itp.

Uniwersalny wieszak ścienny do platform rowerowych na hak

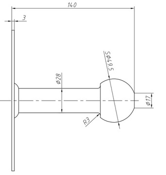
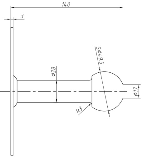
Wieszak posiada znormalizowaną kulę o średnicy 49,5mm, pasuje do wszystkich platform dostępnych na rynku. W zestawie nie ma śrub i kołków montażowych, ze względu na bezpieczeństwo należy je dobrać do rodzaju podłoża.

Uchwyt ścienny z frezem na bagażnik rowerowy 14cm
Uchwyt ścienny z frezem na bagażnik rowerowy 14cm Producent inny

Jak najlepiej przechowywać platformę rowerową jednocześnie dbając o jej bezpieczeństwo i oszczędzić miejsce w garażu ?

Zdecydowanie na naszym uchwycie ściennym ponieważ:

  • Kula wieszaka posiada identyczne wymiary jak główka haka holowniczego, po zamontowaniu platformy, całość jest bezpieczna i stabilna.
  • Wieszak montowany jest do ściany, założona platforma rowerowa przechowywana jest w pozycji pionowej.
  • Stalowa rama jest  malowana proszkowo.
  • Posiada maksymalny udźwig 50 kg.
Uchwyt ścienny z frezem na bagażnik rowerowy 14cm Model USB-01
Alt

Zestaw kołków rozporowych z wkrętami- gratis!

Wieszak przytwierdza się do ściany uniwersalnymi kołkami rozporowymi o średnicy aż 10 mm ,dzięki specjalnie opracowanej geometrii wkrętu i koszulki zapewnia maksymalne bezpieczeństwo. W  zestawie również wkręty ze zintegrowaną podkładką pod klucz oczkowy lub śrubokręt co zapewni łatwy i szybki montaż.

UWAGA: Prosimy przed zamówieniem sprawdzić wymiary uchwytu (patrz rysunek techniczny w galerii produktu) i ocenić czy posiadany bagażnik będzie pasował. Szczególnie chodzi o długość uchwytu. Pasuje także do Thule Velospace XT3, Atera Strada M2, Atera Strada Sport M3, Atera Strada Evo 3 i podobne (sprawdź długość uchwytu). Jeśli jednak masz standardowy bagażnik to lepszy będzie model USB-01, nie będzie tak mocno odstawał od ściany.

Uchwyt ścienny z frezem na bagażnik rowerowy 14cm Liczba rowerów brak informacji
Alt
Uchwyt ścienny z frezem na bagażnik rowerowy 14cm Nośność uchwytu 50 kg

Гарантии

  • Гарантии

    Мы работаем по договору оферты и предоставляем все необходимые документы.

  • Лёгкий возврат

    Если товар не подошёл или не соответсвует описанию, мы поможем вернуть его.

  • Безопасная оплата

    Банковской картой, электронными деньгами, наличными в офисе или на расчётный счёт.

Отзывы о товаре

Рейтинг товара 4.67 / 5

6 отзывов

Russian English Polish