SAAB 9-3 1.9 ТУРБО ДИЗЕЛЬ КАБРИОЛЕТ (03-07) РУКОВОДСТВО

Товар

6 212  ₽
SAAB 9-3 1.9 ТУРБО ДИЗЕЛЬ КАБРИОЛЕТ (03-07) РУКОВОДСТВО

Доставка

  • Почта России

    от 990 ₽

  • Курьерская доставка EMS

    от 1290 ₽

Характеристики

Артикул
13067652974
Состояние
Новый
Tytuł
SAAB 9-3 1.9 TURBO DIESEL CABRIO (03-07) PORADNIK
Tematyka
Samochody osobowe
Rok wydania
2015
Stan opakowania
oryginalne

Parametry dodatkowe

język
angielski
okładka
miękka
Wydawnictwo
Haynes Publishing
ilość stron
256

Описание

SAAB 9-3 1.9 TURBO DIESEL CABRIO (03-07) PORADNIK

SAAB 9-3 1.9 TURBO DIESEL CABRIO (03-07) PORADNIK

SAAB 9-3 (2002-2007) - INSTRUKCJA NAPRAWY HAYNES

Czy chcesz wiedzieć jak naprawić swój samochód Saab 9-3?

Informację za temat napraw i budowy znajdziemy w poradniku wydawnictwa Haynes Publishing

UWAGA !

Oferowana książka wydana jest w języku angielskim (niedostępna w polskiej wersji językowej).

Napisany poprzez praktyczne doświadczenie zdobyte w wyniku całkowitego rozłożenia i złożenia samochodu Saab 9-3. Haynes pomoże Ci zrozumieć, zadbać i naprawić samochód Saab. Robimy to sami, aby pomóc tobie zrobić to sam, niezależnie od Twoich zdolności mechanicznych. W książce znajdują się praktyczne wyjaśnienia krok po kroku, powiązane z ponad 900 zdjęciami, które pomogą Ci wykonać zadanie prawidłowo. Regularne serwisowanie i konserwacja twojego samochodu może pomóc w utrzymaniu wartości odsprzedaży, zaoszczędzić pieniądze i zwiększyć bezpieczeństwo jazdy.

W książce opisane są modele z następującymi silnikami:

Turbo-Benzyna:

  • Saab 9-3 Saloon 2.0L (1998 cm³) (2002 - 2007),
  • Saab 9-3 Estate / SportWagon 2.0L (1998 cm³) (2002 - 2007),
  • Saab 9-3 Cabrio 2.0L (1998 cm³) (2003 - 2007),

Turbo-Diesel:

  • Saab 9-3 Saloon 1.9L (1910 cm³) (2002 - 2007),
  • Saab 9-3 Estate / Sport Wagon 1.9L (1910 cm³) (2002 - 2007),
  • Saab 9-3 Cabrio 1.9L (1910 cm³) (2003 - 2007),

Łącznie ze specjalnymi / limitowanymi wydaniami

W książce NIE SĄ zawarte instrukcje odnośnie do:

  • nowej gamy Saaba 9-3 wprowadzonej we wrześniu 2007 r,
  • modeli z silnikiem wysokoprężnym o pojemności 2,2 litra,
  • modeli z silnikami benzynowymi o pojemności 1,8 litra lub 2,8 litra.

UWAGA!

Oferowana książka wydana jest w języku angielskim (niedostępna w polskiej wersji językowej).

Haynes Service and Reapir Manual

Książka napraw wydana przez angielskie wydawnictwo Haynes (Haynes Publishing Group) to prawdziwe kompendium wiedzy warsztatowej. Swoją zawartością stanowi cenny zbiór porad i praktycznych wskazówek serwisowych. Poradnik serwisowy Haynes z pewnością przyda się zarówno wykwalifikowanemu mechanikowi warsztatu samochodowego, jak również przeciętnemu użytkownikowi pojazdu, który w przydomowym garażu zechce wymienić olej czy dokonać drobnej naprawy we własnym zakresie.

Warto wspomnieć, że motoryzacyjne podręczniki Haynesa powstają na podstawie całkowitego rozłożenia samochodu lub motocykla na części przez doświadczonych mechaników, a następnie jego ponownego złożenia i szczegółowego udokumentowania krok po kroku każdej czynności. W ten sposób powstaje bardzo dokładny opis samochodu, wzbogacony licznymi zdjęciami i rysunkami złożeniowymi. Istotnym elementem książki serwisowej są zawarte w niej schematy instalacji elektrycznej samochodu i motocykla.

Zapraszam do zakupu instrukcji dla samochodu Saab 9-3 z silnikiem 1.9 Turbo Diesel Cabrio produkowanych w latach 2003-2007 !

Contents

General Information

Chapter 1: Part A: Routine maintenance and servicing - petrol models

Chapter 1: Part B: Routine maintenance and servicing - diesel models

Chapter 2: Part A: Petrol engine in-car repair procedures

Chapter 2: Part B: Diesel SOHC engine in-car repair procedures

Chapter 2: Part C: Diesel DOHC engine in-car repair procedures

Chapter 2: Part D: Engine removal and overhaul procedures

Chapter 3: Cooling, heating and air conditioning systems

Chapter 4: Part A: Fuel and exhaust systems – petrol engines

Chapter 4: Part B: Fuel and exhaust systems – diesel engines

Chapter 4: Part C: Emission control systems

Chapter 5: Part A: Starting and charging systems

Chapter 5: Part B: Ignition system – petrol engines

Chapter 6: Clutch

Chapter 7: Part A: Manual transmission

Chapter 7: Part B: Automatic transmission

Chapter 8: Driveshafts

Chapter 9: Braking system

Chapter 10: Suspension and steering systems

Chapter 11: Bodywork and fittings

Chapter 12: Body electrical systems, Wiring diagrams, Reference

Typowy poradnik Haynes Manuals zawiera:

Opis i identyfikację modelu

Uwagi na temat bezpieczeństwa

Awaryjne naprawy w drodze samochodu Saab 9-3 1.9 Turbo Diesel

  • Co zrobić jeśli twój samochód nie chce odpalić?
  • Sposoby awaryjnego uruchomienia silnika (rozruch "na pożyczkę")
  • Zmiana koła
  • Identyfikacja nieszczelności
  • Holowanie pojazdu

Czynności obsługowe (cotygodniowe kontrole)

Wykaz punktów kontroli i sprawdzeń

Sprawdzenie poziomu oleju

Sprawdzenie poziomu płynu chłodzącego

Sprawdzenie poziomu płynu do spryskiwaczy

Sprawdzenie stanu opon i ciśnienia w ogumieniu

Sprawdzenie poziomu płynu hamulcowego i sprzęgła

Sprawdzenie płynu w układzie wspomagania kierowniczego

Sprawdzenie i ocena stanu wycieraczek

Sprawdzenie sprawności akumulatora

Sprawdzenie systemów i układów elektrycznych pojazdu

Smary i płyny eksploatacyjne - wykaz

Ciśnienie w oponach - tabela dla typowych rozmiarów kół

Konserwacja pojazdu

Rutynowa konserwacja i serwis pojazdu

Specyfikacja czynności serwisowych

Harmonogram obsług technicznych i przeglądów okresowych

Zakres czynności obsługowych

Naprawy i przeglądy samochodu

Obsługa silnika i układów z nim związanych

Procedury naprawcze i wskazówki serwisowe

Demontaż silnika i procedura przeglądu

Układ chłodzenia, ogrzewania i klimatyzacji

Układ paliwowy i wydechowy

Katalizator i układ kontroli emisji spalin

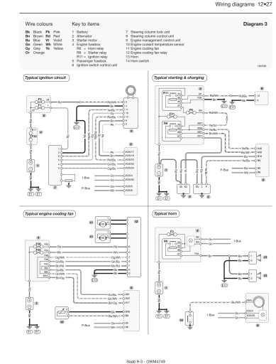
Rozrusznik i alternator

Układ zapłonowy

Przekładnia

Sprzęgło

Skrzynia manualna

Skrzynia automatyczna

Wały napędowe

Hamulce i zawieszenie samochodu

Układ hamulcowy

Zawieszenie i układ kierowniczy

Wyposażenie pojazdu

Nadwozie i wyposażenie

Wyposażenie elektryczne

Schematy elektryczne

Charakterystyka pojazdu

Wymiary i waga samochodu

Przeliczniki jednostek

Zakup części zamiennych

Identyfikacja i oznaczenia pojazdu

Ogólne procedury naprawy

Podnoszenie pojazdu

Odłączenie akumulatora

Narzędzia i warunki do pracy

Kontrole stanu technicznego

Diagnostyka i identyfikacja błędów

Słowniczek pojęć technicznych

SAAB 9-3 1.9 TURBO DIESEL CABRIO (03-07) PORADNIK Tytuł SAAB 9-3 1.9 TURBO DIESEL CABRIO (03-07) PORADNIK

Гарантии

  • Гарантии

    Мы работаем по договору оферты и предоставляем все необходимые документы.

  • Лёгкий возврат

    Если товар не подошёл или не соответсвует описанию, мы поможем вернуть его.

  • Безопасная оплата

    Банковской картой, электронными деньгами, наличными в офисе или на расчётный счёт.

Отзывы о товаре

Рейтинг товара 0 / 5

0 отзывов

Russian English Polish