ГИДРАВЛИЧЕСКИЙ РАСПРЕДЕЛИТЕЛЬ 1 СЕКЦИЯ 80Л/МИН ОБСУЖДЕНИЯ

Товар

12 018  ₽
ГИДРАВЛИЧЕСКИЙ РАСПРЕДЕЛИТЕЛЬ 1 СЕКЦИЯ 80Л/МИН ОБСУЖДЕНИЯ
  • 0 раз купили
  • 5  оценка
  • 498 осталось
  • 3 отзыва

Доставка

  • Почта России

    от 990 ₽

  • Курьерская доставка EMS

    от 1290 ₽

Характеристики

Артикул
13234925112
Состояние
Новый
Producent części
SM-G
Numer katalogowy części
3536.2

Описание

Alt

Oryginalny Rozdzielacz Hydrauliczny 80L do Łuparki

​KOD SKRAW-MET: [3536]

Produkcja: SM-G (SKRAW-MET GROUP)

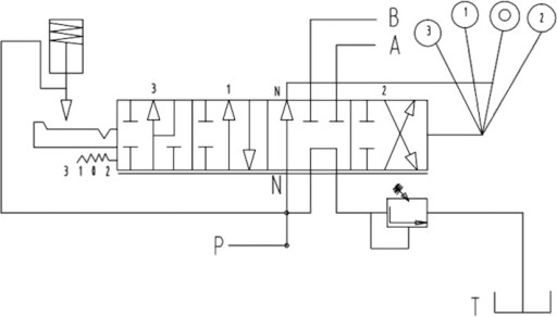
Rozdzielacz dedykowany do łuparek drewna.

Na suwak w jedną stronę działa sprężyna, przez co podczas łupania rozdzielacz wymaga trzymania dźwigni, natomiast powrót tłoczyska jest na zatrzask z odskokiem (gdy tłok siłownika wróci do pozycji startowej, zatrzask sam odskakuje i odciąża pompę).

Rozdzielacz doskonale sprawdza się w maszynach i urządzeniach zasilanych hydraulicznie.

Może być wykorzystywany w rolnictwie, sadownictwie, leśnictwie czy budownictwie.

Rozdzielacz posiada zawór bezpieczeństwa.

Rozdzielacz może sterować siłownikami dwustronnego działania.

ROZDZIELACZ HYDRAULICZNY 1 SEKCJA 80L/MIN ŁUPARKI
Alt

Specyfikacja techniczna:

  • Przepływ oleju: 80 L/min
  • Ciśnienie maksymalne: 300 Bar
  • Temperatura oleju od -15°C do +80°C
  • Typ oleju: olej hydrauliczny na bazie oleju mineralnego

Przyłącza (Gwinty wewnętrzne w korpusie):

  • Zasilanie 3/4"
  • Powrót 3/4"
  • Siłowniki 1/2"

Dźwignia trzypozycyjna (1 - 0 - 2):

  1. Pozycja 0 neutralna (dźwignia ustawiona w pionie) tłoczysko siłownika stoi - olej idzie na przelew.
  2. Pozycja 1 robocza (dźwignia ustawiona w pozycji ukośnej do tyłu) tłoczysko siłownika chowa się.
  3. Pozycja 2 robocza (dźwignia ustawiona w pozycji ukośnej do przodu) tłoczysko siłownika wysuwa się w trybie standardowym (tryb mocy).

Zawór przelewowy: Ustawiony fabrycznie na 175 Bar

Możliwość samodzielnej regulacji, pełny obrót zmiana o 30 Bar.

ROZDZIELACZ HYDRAULICZNY 1 SEKCJA 80L/MIN ŁUPARKI Producent części SM-G
Alt
Alt
Alt
Alt
Alt

Гарантии

  • Гарантии

    Мы работаем по договору оферты и предоставляем все необходимые документы.

  • Лёгкий возврат

    Если товар не подошёл или не соответсвует описанию, мы поможем вернуть его.

  • Безопасная оплата

    Банковской картой, электронными деньгами, наличными в офисе или на расчётный счёт.

Отзывы о товаре

Рейтинг товара 5 / 5

3 отзыва

Russian English Polish