КРУГЛАЯ ВЕНТИЛЯЦИОННАЯ РЕШЕТКА, ELC AIR AIR AIR AIR AIR AIR AIR AIR ELECTRONIC, 315 мм, АЛЮМИНИЙ С СЕТКОЙ

Товар

3 272  ₽
КРУГЛАЯ ВЕНТИЛЯЦИОННАЯ РЕШЕТКА, ELC AIR AIR AIR AIR AIR AIR AIR AIR ELECTRONIC, 315 мм, АЛЮМИНИЙ С СЕТКОЙ
  • 5 раз купили
  • 4.83  оценка
  • 9881 осталось
  • 6 отзывов

Доставка

  • Почта России

    от 990 ₽

  • Курьерская доставка EMS

    от 1290 ₽

Характеристики

Артикул
13245748640
Состояние
Новый
Średnica otworu (mm)
inna (315)

Описание

CZERPNIA / WYRZUTNIA / KRATKA ŚCIENNA WENTYLACYJNA

⭐ MODEL: ELC ⭐

⭐ ŚREDNICA: 315 mm ⭐

❗️ Produkt posiada atest higieniczny PZH

KRATKA WENTYLACYJNA OKRĄGŁA CZERPNIA ELC fi 315 mm ALUMINIOWA Z SIATKĄ Marka Prowent

➡️ ZALETY:

✅ WYSOKA JAKOŚĆ WYKONANIA

✅ SZYBKI I PROSTY MONTAŻ

✅ MOŻLIWOŚĆ UŻYWANIA WEWNĄTRZ I NA ZEWNĄTRZ POMIESZCZEŃ

✅ UMOŻLIWIA CYRKULACJĘ POWIETRZA

✅ SZEROKIE ZASTOSOWANIE - JAKO KRATKA, CZERPNIA, BĄDŹ WYRZUTNIA

Prezentowaną kratkę charakteryzuje wysoka jakość wykonania❗️

⭐ Kratkę instaluje się na zakończeniach wylotów przewodów wentylacyjnych

⭐ Może pracować jako czerpnia lub wyrzutnia

⭐ Jest przeznaczona do montażu wewnątrz oraz na zewnątrz pomieszczeń

⭐ Szybka i łatwa instalacja (2 otwory montażowe)

Siatka zabezpiecza przed dostawaniem się do pomieszczenia drobnych gryzoni, opadów atmosferycznych oraz większych zanieczyszczeń

KRATKA WENTYLACYJNA OKRĄGŁA CZERPNIA ELC fi 315 mm ALUMINIOWA Z SIATKĄ Średnica otworu (mm) inna
KRATKA WENTYLACYJNA OKRĄGŁA CZERPNIA ELC fi 315 mm ALUMINIOWA Z SIATKĄ

➡️ ZASTOSOWANIE:

  • DO WYRZUTU ZUŻYTEGO POWIETRZA Z BUDYNKU
  • DO CZERPANIA ŚWIEŻEGO POWIETRZA Z ZEWNĄTRZ
  • DO ESETETYCZNEGO ZAKOŃCZENIA WYLOTU PRZEWODU WENTYLACYJNEGO

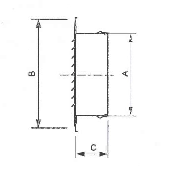
➡️ DANE TECHNICZNE:

✅ Średnica kratki (A): 315 mm

✅ Średnica kratki z kołnierzem (B): 350 mm

✅ Głębokość kratki (z kołnierzem) (C): 20 mm

✅ Materiał: aluminium

✅ Materiał siatki: stal nierdzewna

✅ Rozmiar oczek: 12x12 mm

Alt
Alt

W OFERCIE POSIADAMY RÓŻNE ŚREDNICE:

80mm,100mm, 125mm, 150mm, 160mm, 200mm, 250mm, 315mm, 400mm

Гарантии

  • Гарантии

    Мы работаем по договору оферты и предоставляем все необходимые документы.

  • Лёгкий возврат

    Если товар не подошёл или не соответсвует описанию, мы поможем вернуть его.

  • Безопасная оплата

    Банковской картой, электронными деньгами, наличными в офисе или на расчётный счёт.

Отзывы о товаре

Рейтинг товара 4.83 / 5

6 отзывов

Russian English Polish