Пропорциональный распределитель 4 секции с управлением SCANRECO для крана HDS

Товар

707 482  ₽
Пошлина ≈87 019 ₽ не входит в цену.
Пропорциональный распределитель 4 секции с управлением SCANRECO для крана HDS

Доставка

  • Почта России

    от 990 ₽

  • Курьерская доставка EMS

    от 1290 ₽

Характеристики

Артикул
13285189061
Состояние
Новый
Producent części
Walvoil
Numer katalogowy części
1122

Описание

Alt

Rozdzielacz do podnośnika dźwigu HDS 100L sterowanie radiowe SCANRECO pilot 4 sekcje

Oferujemy kompletny, skonfigurowany i przygotowany do montażu zestaw do przeróbki podnośnika, dźwigu HDS. Tradycyjne podnośniki, dźwigi z manualnym rozdzielaczem szybko i bezproblemowo przebudujesz na nowoczesny i wydajny układ sterowany radiowo. Modernizacja nie wymaga większej wiedzy technicznej - sprowadza się właściwie do podłączenia przewodów hydraulicznych do rozdzielacza i podanie napięcia zasilania (12V) na odbiornik radiowy.

Prezentowany rozdzielacz do podnośnika dźwigu HDS przeznaczony jest do zasilania z pompy o stałym wydatku (zębatej lub tłoczkowej).

OFEROWANY ZESTAW ZAWIERA:

  • rozdzielacz proporcjonalny 4 sekcyjny z cewkami 12VDC
  • sterowanie radiowe proporcjonalne SCANRECO 4 kanałowe (odbiornik + nadajnik) z ładowarką i pasem nośnym,
  • kompletne okablowanie: wiązkę elektryczną z wtyczkami między odbiornikiem, a rozdzielaczem; wiązkę zasilającą
  • doradztwo przy samodzielnym montażu zestawu: na co dzień nie tylko sprzedajemy, ale serwisujemy i montujemy podobne zestawy, dlatego przy zakupie służymy fachową poradą

SPECYFIKACJA PRODUKTÓW:

STEROWANIE RADIOWE 4 KANAŁOWE SCANRECO z sygnałem wyjściowym PWM. Produkcja: Włochy

  • Nadajnik (PILOT) Mini PCU:

    4x manipulator liniowy proporcjonalny

    1x przełącznik

  • Odbiornik RC400 G4:

    6 proporcjonalnych wyjść

    7 wyjść cyfrowych (w tym zawór zrzutowy)

    2 wejścia cyfrowe zarządzania prędkością

    Funkcja stop zgodnie z EN ISO 13849-1 kat. 3, PL e

    Pasma częstotliwości: 433-434 MHz lub 902-928 MHz

    Napięcie zasilania: 12/24 VDC

    Kategoria ochrony: IP 65

    Wymiary (szer. X wys. X gł.): 233 x 205 x 77 mm (wysokość z anteną)

    Waga: 1,2 kg

    Ładowarka typ 434, wejście: 10-35 VDC

    Akumulatory: 2 szt, 7,2 V, 2000 mAh, Ni-Mh

    pas nośny

    Instrukcja obsługi

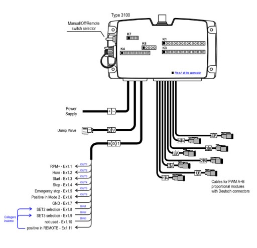
    Schemat połączeń

    Antena zewnętrzna

    wiązka elektryczna z wtykami DEUTSCH DT-06

ROZDZIELACZ:

Profesjonalny rozdzielacz o budowie segmentowej - rozdzielacz skręcony jest z 4 sekcji, płyty wlotowej i płyty zamykającej.

Budowa taka daje duże możliwości w konfigurowaniu, a jednocześnie zmniejsza koszty potencjalnej naprawy: uszkodzenie pojedynczej sekcji daje możliwość wymiany tylko jednego elementu. Rozdzielcz wyposażony jest w kompensatory umożliwiające jednoczesną pracę kilku sekcji z równym podziałem strumienia oleju.

Oferuje dwustopniowy (najkorzystniejszy w rozdzielaczach o dużym przepływie) system sterowania suwakami, gdzie niskociśnieniowy układ hydrauliczny (25 bar) przy pomocy elektrozaworów-pilotów zarządza położeniem suwaka. Rozwiązanie takie daje dużą precyzję sterowania, zmniejsza histerezę, pozwala na zastosowanie cewek sterujących o niewielki mocach.

Przepływy na poszczególnych sekcjach są ograniczone przez odpowiednie wielkości suwaków, co umożliwia płynna pracę wszystkich siłowników - zarówno tych o dużych objętościach jak i tych mniejszych.

Parametry:

  • typ rozdzielacza: sekcyjny (segmentowy)
  • zasilanie: pompy o stałym wydatku (zębate lub tłoczkowe)
  • ilość sekcji 4
  • przepływ max: 100l/min
  • sposób sterowania: dwustopniowy z pilotami (suwak sterowany jest elektrozaworami: olejem hydraulicznym niskociśnieniowym 25bar)
  • awaryjne sterowanie ręczne dźwigniami
  • kompensatory: na każdej sekcji
  • zaworów przeciążeniowy na poszczególnych sekcjach dostosowujące ciśnienie do danej funkcji

Гарантии

  • Гарантии

    Мы работаем по договору оферты и предоставляем все необходимые документы.

  • Лёгкий возврат

    Если товар не подошёл или не соответсвует описанию, мы поможем вернуть его.

  • Безопасная оплата

    Банковской картой, электронными деньгами, наличными в офисе или на расчётный счёт.

Отзывы о товаре

Рейтинг товара 0 / 5

0 отзывов

Russian English Polish