ГИДРАВЛИЧЕСКИЙ ДВИГАТЕЛЬ SMS 200 O4W32 ГИДРОЛИДЕР

Товар

24 837  ₽
ГИДРАВЛИЧЕСКИЙ ДВИГАТЕЛЬ SMS 200 O4W32 ГИДРОЛИДЕР

Доставка

  • Почта России

    4398 ₽

  • Курьерская доставка EMS

    6788 ₽

Характеристики

Артикул
13425870948
Состояние
Новый
Producent części
Hydrolider
Waga produktu z opakowaniem jednostkowym
11 kg
Numer katalogowy części
A1.37.20.200

Описание

SILNIK HYDRAULICZNY SMS 200 O4W32 HYDROLIDER Waga produktu z opakowaniem jednostkowym 11 kg

CHARAKTERYSTYKA I ZALETY SILNIKÓW SMS PRODUKCJI HYDROLIDER:

  1. Wzmocnione łożysko nowej generacji - nowego typu, duże wzmocnione łożysko stożkowe zastępujące stare i awaryjne rozwiązanie z dwoma małymi łożyskami. Nowoczesna konstrukcja zapewnia jeszcze większe możliwości przenoszenia naprężeń bocznych i mimośrodowych.
  2. Dwa zawory odciążająco-zwrotne - zabezpieczają silnik w obu kierunkach obrotu, znacznie wydłużają żywotność, wspierają i poprawiają skuteczność uszczelnień na wałku, zabezpieczają silnik przy pracy w niekorzystnych warunkach.
  3. Wysokiej jakość uszczelnienia - pozwalają na pracę na wyższych ciśnieniach, dodatkowo chronią przed wyciekami oleju i naprężeniami bocznymi.
  4. Solidny korpus - zbudowany ze specjalnego stopu metalu, zapewnia cichą pracę nawet przy dużych obciążeniach. Pozwala na pracę w każdych warunkach wewnątrz i na zewnątrz.

Konstrukcja silników SMS bazuje na systemie GEROLLER polegającym na zastosowaniu wewnątrz wzmacnianych łożysk rolkowych. Rolki zapewniają największą wytrzymałość na przeciążenia oraz długą żywotność silnika. Silniki rolkowe polecane są do układów które pracują w ciężkich warunkach, przy długich nieprzerwanych pracach w rolnictwie i przemyśle.

UWAGA! Najtańsze silniki oferowane na rynku to nie GEROLLER, nie mają łożysk rolkowych a jedynie sztywne tulejki.

  • łożyska rolkowe zamiast plastikowych wkładek
  • możliwość łączenia szeregowo i równolegle
  • wysoki moment rozruchowy i płynna praca tuż po rozruchu
  • duża odporność na siły osiowe i promieniowe
  • prosta instalacja
  • niski poziom hałasu
  • długa żywotność nawet przy ciężkich warunkach użytkowania
SILNIK HYDRAULICZNY SMS 200 O4W32 HYDROLIDER Producent części Hydrolider

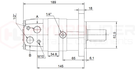
SILNIK HYDRAULICZNY SMS 200

CHŁONNOŚĆ: 200cm3/obr ; WAŁEK: 32mm ; OBROTY: 390obr/min

SILNIK HYDRAULICZNY SMS 200 O4W32 HYDROLIDER Numer katalogowy części A1.37.20.200

Produkcja:

Oryginalny produkt marki Hydrolider, symbol: 1.37.20.200

Zastosowanie:

Posiada szerokie zastosowanie w układach hydraulicznych w rolnictwie, sadownictwie, leśnictwie, budownictwie i szeroko pojętym przemyśle.

Rekomendowane zastosowanie:

  • Owijarki, sieczkarnie, rozrzutniki
  • Zamiatarki, piaskarki, odśnieżarki
  • Podcinacze do naci marchwi, buraków, cebuli i innych
  • Rozgarniacze liści i gałęzi
  • Napędy do taśmociągów
  • Rębaki i rozdrabniacze gałęzi
  • Wciągarki leśne i wciągarki do pojazdów
  • Wiertnice sadownicze i wiertnice do otworów w gruncie
Alt

Dane techniczne:

  • Kierunek obrotów: obustronny
  • Gwinty wewnętrzne w korpusie: 1/2"
  • Porty: podłączenie z boku
  • Materiał korpusu: żeliwo

Maksymalne parametry w pracy ciągłej:

  • Maksymalny przepływ: 75 l/min
  • Maksymalna prędkość obrotu: 390 obr/min
  • Maksymalne ciśnienie: 17 MPa (170 bar)
  • Maksymalna moc: 15,5 kW
  • Maksymalny moment obrotowy: 47 daNm (470 Nm)

Maksymalne parametry w pracy chwilowej max 6 sek/min:

  • Maksymalny przepływ: 115 l/min
  • Maksymalna prędkość obrotu: 590 obr/min
  • Maksymalne ciśnienie: 24 MPa (240 bar)
  • Maksymalna moc: 25,75 kW
  • Maksymalny moment obrotowy: 62 daNm (620 Nm)

Rekomendowane przez AGRICOLA typy oleju:

  • Rzadki wysokiej jakości olej: LOTOS AGROL BOXOL 26
  • Średnio-gęsty wysokiej jakości olej: AGRO OIL L-HL 32

Zalecany zakres temperatur oleju:

  • Dopuszczalna temperatura otoczenia: -40ºC do +80ºC
  • Dopuszczalna temperatura oleju: -15ºC do +80ºC
Alt
Alt
Alt

Гарантии

  • Гарантии

    Мы работаем по договору оферты и предоставляем все необходимые документы.

  • Лёгкий возврат

    Если товар не подошёл или не соответсвует описанию, мы поможем вернуть его.

  • Безопасная оплата

    Банковской картой, электронными деньгами, наличными в офисе или на расчётный счёт.

Отзывы о товаре

Рейтинг товара 0 / 5

0 отзывов

Russian English Polish