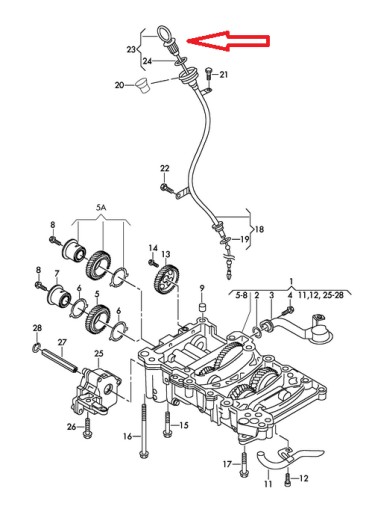
Байонет 2.0 TDI AUDI A4 B8 Q5 2010-2012 гг.

Товар

3 823  ₽
Байонет 2.0 TDI AUDI A4 B8 Q5 2010-2012 гг.

Доставка

  • Почта России

    1311 ₽

  • Курьерская доставка EMS

    1642 ₽

Характеристики

Артикул
13560470760
Состояние
Новый
Jakość części (zgodnie z GVO)
O - oryginał z logo producenta pojazdu (OE)
Producent części
Audi OE
Typ samochodu
Samochody osobowe
Typ silnika
Diesel
Waga produktu z opakowaniem jednostkowym
0.4 kg
Numer katalogowy części
VAG 03L115611
Numery katalogowe zamienników
03L115611
Numer katalogowy oryginału
03L 115 611
Wersja
Europejska
Stan opakowania
oryginalne

Описание

Bagnet 2.0 TDI AUDI A4 B8 Q5 2010-2012

Bagnet można zastosować w pojazdach wyposażonych w fabryczną zaślepkę np. w popularnym 2.0 TDI CAGA 143KM/105KW idealnie odpowiada bagnetowi serwisowemu z tym, że jest wygodniejszy i można go zamontować na stałe zamiast zaślepki. Idealny tradycyjny sposób na dokładne sprawdzenie poziomu oleju czego nie można powiedzieć o elektronicznym rozwiązaniu MMI gdyż po np częstym wypalaniu DPF będzie pokazywał stan MAX. Bagnet przydaje się również przy samej wymianie oleju.

Pasuje on do silników o kodach poniżej po roku 2009-2012 które są wyposażone w zaślepkę 03L115418

  • Bagnet pasuje do Audi A4 B8, Q5 o kodach silników poniżej. Jeżeli nie jesteś pewien lub nie znasz oznaczenia proszę o wiadomość z przygotowanym nr VIN
  • CAGA CAGB CAGC CAHA CAHB CMEA
  • WERSJE TYLKO Z WYPOSAŻONĄ ZAŚLEPKĄ JEŻELI AUTO MIAŁO FABRYCZNY BAGNET NIE BĘDZIE PASOWAĆ
  • BAGNET IDEALNIE PASUJE WCHODZI DO KOŃCA I ZAPINA SIĘ
  • Za pierwszym razem może ciężko wchodzić i się blokować bo wiadomo rurka jest sucha i bagnet jest nowy i jeszcze nie wyrobiony dlatego polecam wcześniej przesmarować go olejem silnikowym aby ułatwić pierwsza aplikację
  • Długość miarki jest idealnie wyskalowana z ustawieniem bagnetu serwisowego T40178 w przypadku tych silników jest to suwak w pozycji 46 natomiast podziałka min 0-24 max. Mieści się też pod osłoną silnika nie trzeba niczego skarać ma wygodne ucho do jego wyjęcia czego nie można powiedzieć o zamienniku.

UWAGA: W celu uniknięcia nieporozumień niepotrzebnych zwrotów po zakupie podaj koniecznie nr VIN w informacji dla sprzedającego w celu weryfikacji czy na pewno cześć pasuje.

Bagnet 2.0 TDI AUDI A4 B8 Q5 2010-2012
Bagnet 2.0 TDI AUDI A4 B8 Q5 2010-2012 Jakość części (zgodnie z GVO) O - oryginał z logo producenta pojazdu (OE)
Bagnet 2.0 TDI AUDI A4 B8 Q5 2010-2012 Waga produktu z opakowaniem jednostkowym 0.4 kg
Bagnet 2.0 TDI AUDI A4 B8 Q5 2010-2012 Typ samochodu Samochody osobowe

Гарантии

  • Гарантии

    Мы работаем по договору оферты и предоставляем все необходимые документы.

  • Лёгкий возврат

    Если товар не подошёл или не соответсвует описанию, мы поможем вернуть его.

  • Безопасная оплата

    Банковской картой, электронными деньгами, наличными в офисе или на расчётный счёт.

Отзывы о товаре

Рейтинг товара 5 / 5

12 отзывов

Russian English Polish