КОМПЛЕКТ СИСТЕМЫ РАЗДВИЖНЫХ ДВЕРЕЙ HATORI 240см
Товар
11 241                                 ₽
КОМПЛЕКТ СИСТЕМЫ РАЗДВИЖНЫХ ДВЕРЕЙ HATORI 240см
- 3 раза купили
- 4.9 оценка
- 967 осталось
- 10 отзывов
Доставка
Характеристики
Артикул
13569008759
Состояние
Новый
Montaż
sufitowy
Parametry dodatkowe
Długość
150cm
Długość prowadnicy
2.4 m
Описание
Zestaw okuć do drzwi przesuwnych HATORI na 2 skrzydła z torem o długości 240cm
W skład zestawu wchodzą:
- Tor o długości 240cm - 1szt.
- Wózek górny - 4szt.
- Prowadnik dolny - 1szt.
- Stoper - 2szt.
- Komplet śrubek
- Klucz imbusowy
UWAGA: DRZWI NIE WCHODZĄ W ZAKRES ZESTAWU!
Dane techniczne:
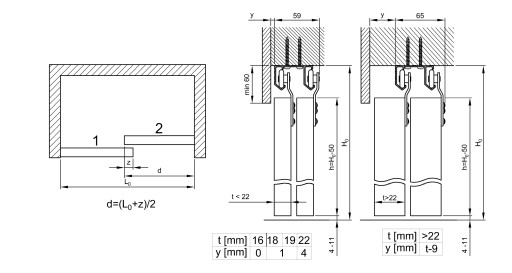
- Obciążenie: 45 kg na skrzydło
- Grubość drzwi: 16-40 mm (powyżej 18mm - dystans)
- Kompatybilność: systemy Avanti Hatori, Mantion Horus, Sevroll Mercury
- Materiał: Aluminium surowe
- Ilość: 1 szt = 240cm (cięty z profilu o długości 6m)
UWAGA: Przyjmuje się, że szyna powinna być 2 x dłuższa od szerokości drzwi
Instrukcja montażu dostępna do pobrania poniżej w sekcji "Dodatkowe informacje".
Wymiary toru podane są na zdjęciu obok.
System Hatori nie ma dedykowanej maskownicy do prowadnicy, więc sugerujemy jej wykonanie z tej samej płyty, z której są robione skrzydła drzwi. Wizualizacji montażu obok.
Гарантии
- Гарантии- Мы работаем по договору оферты и предоставляем все необходимые документы. 
- Лёгкий возврат- Если товар не подошёл или не соответсвует описанию, мы поможем вернуть его. 
- Безопасная оплата- Банковской картой, электронными деньгами, наличными в офисе или на расчётный счёт. 
