2-СЕКЦИОННЫЙ ГИДРАВЛИЧЕСКИЙ РАСПРЕДЕЛИТЕЛЬ, 40Л, 1-СТОРОННЯЯ ЗАЩЕЛКА ДЛЯ БАДЕСТНОСТИ ДВИГАТЕЛЯ

Товар

22 293  ₽
2-СЕКЦИОННЫЙ ГИДРАВЛИЧЕСКИЙ РАСПРЕДЕЛИТЕЛЬ, 40Л, 1-СТОРОННЯЯ ЗАЩЕЛКА ДЛЯ БАДЕСТНОСТИ ДВИГАТЕЛЯ

Доставка

  • Почта России

    от 990 ₽

  • Курьерская доставка EMS

    от 1290 ₽

Характеристики

Артикул
14056565573
Состояние
Новый
Producent części
Badestnost
Numer katalogowy części
1.10.00.026.2

Описание

ROZDZIELACZ HYDRAULICZNY 2 SEKCYJNY 40L ZATRZASK 1STR POD SILNIK BADESTNOST Numer katalogowy części 1.10.00.026.2

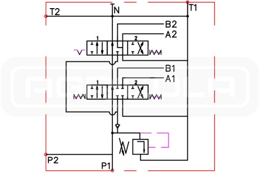
ROZDZIELACZ HYDRAULICZNY 2 SEKCYJNY

P40L/min JEDNA SEKCJA Z ZATRZASKIEM W

JEDNĄ STRONĘ DO TYŁU

Produkcja:

Oryginalny produkt marki Badestnost, symbol: 1.10.00.026.2

Zastosowanie:

Rozdzielacz przystosowany jest do różnego rodzaju maszyn takich jak: maszyny rolnicze, ciągniki, opryskiwacze, tury, cyklopy, ładowacze HDS, maszyny budowlane, ładowarki, koparki, zamiatarki, maszyny przemysłowe i do innych urządzeń sterowanych hydraulicznie.

Przykładowe sterowanie: siłownik hydrauliczny dwustronnego działania, silnik hydrauliczny dwukierunkowy napędzający niewielką masę.

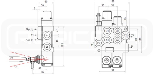
Dane techniczne:

  • Maksymalny przepływ: 40 l/min.
  • Gwinty wewnętrzne w korpusie: P/T: 1/2'' ; A/B: 3/8''
  • Praca dźwigni 1 i 2: trzypozycyjna (1 - 0 - 2)
  • Pozycjonowanie dźwigni 1: z obu pozycji roboczych dźwignia wraca do pozycj neutralnej automatycznie za pomocą sprężyny.
  • Pozycjonowanie dźwigni 2: zatrzask trzyma dźwignie w pozycji roboczej do tyłu. Z pozycji roboczej doprzodu dźwignia wraca do pozycj neutralnej automatycznie za pomocą sprężyny.
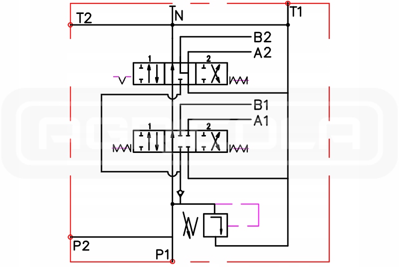
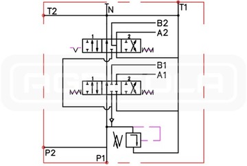
  • Schemat hydrauliczny suwaka 1: A (po zwolnieniu dźwigni do pozycji neutralnej suwak odcina wyjścia A i B co skutkuje natychmiastowym zatrzymaniem i blokadą odbiornika np. siłownika lub silnika hydraulicznego)
  • Schemat hydrauliczny suwaka 2: D (po zwolnieniu dźwigni do pozycji neutralnej suwak pozwala na luźną pracę tłoczyska siłownika lub stopniowe wyhamowanie silnika obciążonego dużą masą)
  • Maksymalne ciśnienie na zasilaniu: 250 bar
  • Maksymalne ciśnienie na powrocie: 50 bar
  • Maksymalne ciśnienie na sekcjach: 300 bar
  • Ciśnienie otwarcia zaworu przelewowego rośnie proporcjonalnie wraz ze wzrostem przepływu:180 bar przy 10 l/min190 bar przy 20 l/min200 bar przy 30 l/min210 bar przy 40 l/minZestawy do precyzyjnego pomiaru ciśnienia znajdziesz w dziale Manometry – zestawy pomiaroweZaleca się sprawdzenie i ustawienie odpowiedniego ciśnienia przez uruchomieniem. Możliwość samodzielnej regulacji, pełny obrót zmiana o 30Bar.
  • Dopuszczalna temperatura otoczenia: -40 C do +60 C
  • Dopuszczalna temperatura oleju: -15 C do +80 C
  • Rzadki wysokiej jakości olej: LOTOS AGROL BOXOL 26, Średnio-gęsty wysokiej jakości olej: AGRO OIL L-HL 32
ROZDZIELACZ HYDRAULICZNY 2 SEKCYJNY 40L ZATRZASK 1STR POD SILNIK BADESTNOST Producent części Badestnost
Alt
Alt
Alt
Alt
Alt

Гарантии

  • Гарантии

    Мы работаем по договору оферты и предоставляем все необходимые документы.

  • Лёгкий возврат

    Если товар не подошёл или не соответсвует описанию, мы поможем вернуть его.

  • Безопасная оплата

    Банковской картой, электронными деньгами, наличными в офисе или на расчётный счёт.

Отзывы о товаре

Рейтинг товара 0 / 5

0 отзывов

Russian English Polish