ЭЛЕКТРОННЫЙ ТЕРМОСТАТ-РЕГУЛЯТОР ТЕМПЕРАТУРЫ 230В

Товар

759  ₽
ЭЛЕКТРОННЫЙ ТЕРМОСТАТ-РЕГУЛЯТОР ТЕМПЕРАТУРЫ 230В
  • 124 раза купили
  • 4.84  оценка
  • 98057 осталось
  • 931 отзыв

Доставка

  • Почта России

    1275 ₽

  • Курьерская доставка EMS

    1596 ₽

Характеристики

Артикул
14204994618
Identyfikator produktu
14204994618
Состояние
Новый
Rodzaj
sterownik
Typ pieca
dwufunkcyjny
Sposób montażu
Wiszące

Parametry dodatkowe

Czujnik
NTC (1 szt)
Zasilanie
230V AC
Pobór mocy
<3W
Zakres pomiaru temperatury
-50°C – 99°C

Описание

Regulator temperatury, termostat elektroniczny 230V.

Kod produktu: TP2-230V

Alt
TERMOSTAT ELEKTRONICZNY REGULATOR TEMPERATURY 230V Typ pieca dwufunkcyjny dwufunkcyjny z zasobnikiem cwu jednofunkcyjny komora spalania

Termostat umożliwia sterowanie różnego rodzaju urządzeniami elektrycznymi takimi jak: pompy CO, pompy wody, popy cyrkulacyjne, kompresory, wentylatory, grzałki i wiele innych.

Termostat po odłączeniu z prądu i kolejnym podłączeniu zapamiętuje ustawienia.

Zaletą termostatu  TES jest to, że posiada możliwość grzania oraz chłodzenia.

Regulator może realizować funkcję:

  • Grzania,
  • Chłodzenia,
  • Alarmu,
  • Górnego/dolnego limitu temperatury,
  • Histerezy,
  • Opóźnienia załączenia przekaźnika,
  • Ustawienia odchyłki temperatury.

W skład zestawu wchodzi:

  • Regulator temperatury,
  • Sonda (NTC10K czujnik temperatury),
  • Instrukcja obsługi.

Dane techniczne:

  • STAN NOWY,
  • Napięcie zasilania 230 V AC,
  • Pobór prądu <10mA,
  • Obciążalność styku 10A (dla 230VAC),
  • Zakres regulacji temperatury od -55°C do +120°C,
  • Zakres regulacji histerezy 0,1-30C,
  • Temperatura otoczenia pracy -10°C - +60°C,
  • Rozdzielczość 0,1°C,
  • Dokładność ustawień 0,1°C,
  • Czujnik  NTC10k na przewodzie 1M,
  • Częstotliwość pomiaru 1/s,
  • Wymiary sterownika 79 x 43 x 26 mm.

Wymiary produktu:

  • Wymiar zewnętrzny: 79x43x26mm +-1mm,
  • Wymiar montażowy: 72x39 (głębokość 25mm).
TERMOSTAT ELEKTRONICZNY REGULATOR TEMPERATURY 230V Waga produktu z opakowaniem jednostkowym 0.3 kg
Alt

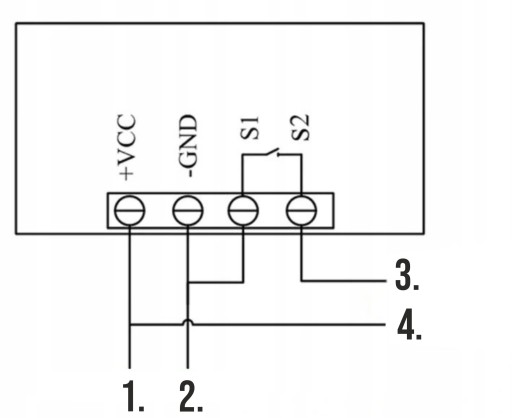
Schemat podłączenia:

  1. Zasilanie +
  2. Zasilanie -
  3. 230V
  4. Odbiornik AC
Alt
TERMOSTAT ELEKTRONICZNY REGULATOR TEMPERATURY 230V Sposób montażu Wiszące
TERMOSTAT ELEKTRONICZNY REGULATOR TEMPERATURY 230V EAN (GTIN) 5900378964377

Programowanie:

  • MENU - aby wejść w system programowania należy przytrzymać przycisk SET około 4-5sekund.
  • Wybór trybu programowania P0 - P6 wybieramy przyciskami + i -
  • Wejście w wybrany tryb zatwierdzamy przyciskiem SET
  • Zatwierdzenie wybranej wartości przyciskiem SET

Tryby programowania P0 - P6

  • P0 - wybór C/H chłodzenie lub grzanie
  • P1 - zakres zadziałania histerezy możliwość wyboru od 0.5 do 15°C
  • P2 - górna granica temperatury (domyślnie 120*C) zakres -45°C do 120°C
  • P3 - dolna granica temperatury (domyślnie -55*C)  zakres -55°C do 120°C
  • P4 - kalibracja termometru w zakresie -7°C do 7°C (ustawiamy gdy wskazania temperatury są błędne)
  • P5 - czas opóźnienia załączenia przekaźnika w zakresie 0min do 10min
  • P6 - alarm zbyt wysokiej temperatury możliwość ustawienia 0 do 110°C
  • Załączenie jednoczesne przycisków + i - w momencie włączenia napięcia zasilania powoduje reset do ustawień fabrycznych
TERMOSTAT ELEKTRONICZNY REGULATOR TEMPERATURY 230V Marka Adelid
Alt

Гарантии

  • Гарантии

    Мы работаем по договору оферты и предоставляем все необходимые документы.

  • Лёгкий возврат

    Если товар не подошёл или не соответсвует описанию, мы поможем вернуть его.

  • Безопасная оплата

    Банковской картой, электронными деньгами, наличными в офисе или на расчётный счёт.

Отзывы о товаре

Рейтинг товара 4.84 / 5

931 отзыв

Russian English Polish