PRZETWORNIK AUDIO DAC - 24bit, 192kHz, AK4620A AKM

Товар

980  ₽
PRZETWORNIK AUDIO DAC - 24bit, 192kHz, AK4620A AKM

Доставка

  • Почта России

    1309 ₽

  • Курьерская доставка EMS

    1638 ₽

Характеристики

Артикул
14308452937
Состояние
Новый
Producent
Inna (Asahi Kasei)
SMD
tak
Symbol
AK4620A
Kod producenta
AK4620AVF

Описание

AKM AK4620A - ADC/DAC - 24bit / 192kHz

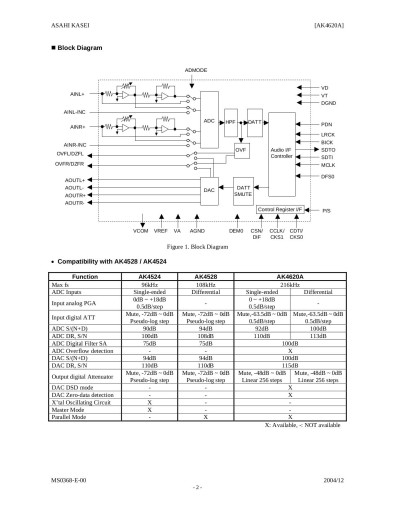
AK4620A osiąga częstotliwość próbkowania do 216KHz, dzięki czemu jest odpowiednie dla urządzeń profesjonalnych. Strona ADC obsługuje wejście single-ended z IPGA oraz różnicowe o niskim THD. Tryby te można przełączać za pomocą sterowania pinami lub rejestrami. AK4620A obsługuje odtwarzanie cyfrowych danych DSD (Direct Stream Digital), umożliwiając włączenie strony DAC pomiędzy danymi PCM i DSD. Strona DAC oferuje dalsze ulepszenia i osiąga praktycznie płaską charakterystykę szumową do 80 kHz dla danych PCM.

Kodek zawiera także liniowy filtr interpolacyjny; Zakres dynamiki A/D 110 dB w trybie single-ended i 113 dB w trybie różnicowym; Zakres dynamiczny DAC 115dB; filtry anti-jitter w technologii przełączanych pojemności. AK4620A ma wejścia z programowalnym poziomem wzmocnienia i jest idealny do kart dźwiękowych Pro Audio, stacji roboczych DAW, systemów Hard Disk Playback/Recording itd.

  • High Jitter Tolerance
  • Sampling Rate: Up to 216kHz
  • μP Interface: 3-wire Serial Interface
  • Master Clock - 128fs/192fs/256fs/384fs/512fs/768fs/1024fs
  • Power Supply: 5V ± 5%(Analog), 3V~3.6V with 5V tolerant I/O(Digital)
  • Small 30-pin VSOP package

24-bit 2-channel ADC:

  • Selectable Single-ended or Differential Input
  • High Performance Linear Phase Digital Anti-Alias Filter
  • S/(N+D): 92dB (single-ended), 100dB (differential)
  • S/N: 110dB (single-ended), 113dB (differential)
  • Digital High-pass Filter for Offset Cancellation
  • Input PGA: 0dB to +18dB, 0.5dB/step (for single-ended input)
  • Input Digital Attenuator: 0dB to – 63dB, 0.5dB/step
  • Overflow Flag
  • Audio Interface Format: MSB justified, I2S

24-bit 2-channel DAC:

  • 24-bit 8 times Oversampling Linear Phase Digital Filter, Ripple: ±0.005dB, Stopband Attenuation: 75dB
  • Switched-cap Low Pass Filter
  • Differential Outputs
  • S/(N+D): 100dB, S/N: 115dB
  • De-emphasis for 32kHz, 44.1kHz, 48kHz Sampling
  • Output Digital Attenuator: Linear 255 steps
  • Soft Mute
  • Zero Detection Function
  • Audio interface format: MSB justified, LSB justified, I2S, DSD
PRZETWORNIK AUDIO DAC - 24bit, 192kHz, AK4620A AKM
PRZETWORNIK AUDIO DAC - 24bit, 192kHz, AK4620A AKM Kod producenta AK4620AVF
PRZETWORNIK AUDIO DAC - 24bit, 192kHz, AK4620A AKM Producent Inna
Alt

Гарантии

  • Гарантии

    Мы работаем по договору оферты и предоставляем все необходимые документы.

  • Лёгкий возврат

    Если товар не подошёл или не соответсвует описанию, мы поможем вернуть его.

  • Безопасная оплата

    Банковской картой, электронными деньгами, наличными в офисе или на расчётный счёт.

Отзывы о товаре

Рейтинг товара 0 / 5

0 отзывов

Russian English Polish