SILNIK ELEKTRYCZNY 4kW 400V I REGULATOR OBROTÓW FALOWNIK WEKTOROWY

Товар

103 414  ₽
Пошлина ≈7 593 ₽ не входит в цену.
SILNIK ELEKTRYCZNY 4kW 400V I REGULATOR OBROTÓW FALOWNIK WEKTOROWY

Доставка

  • Почта России

    от 990 ₽

  • Курьерская доставка EMS

    от 1290 ₽

Характеристики

Артикул
14685350057
Состояние
Новый
Prąd wyjściowy
9.5 A
Maksymalna moc
4 kW
Marka
Hydrolider
Kod producenta
1.42.50.22.0400.1
Rodzaj
trójfazowy

Описание

SILNIK ELEKTRYCZNY 4kW 400V I REGULATOR OBROTÓW FALOWNIK WEKTOROWY Marka Hydrolider

SILNIK ELEKTRYCZNY 3-FAZOWY 400V 4 kW Z KOŁNIERZEM B35

+ FALOWNIK WEKTOROWY GD20-004G-4-EU DO SILNIKÓW 4 kW

Produkcja:

Oryginalny produkt marki Hydrolider, symbol: 1.42.50.22.0400.1

Zastosowanie silnika:

Silnik 3-fazowy 380V (400V) G100 ogólnego przeznaczenia o mocy 3 kW z kołnierzem B35 o stałej prędkości obrotowej wału na poziomie 1420 (1500) obr/min. W zestawie z falownikiem wektorowym GD20-004G-4-EU przeznaczonym do redukcji i precyzyjnego ustawienia obrotów wału silnika.

Silnik ogólnego przeznaczenia przystosowany do pracy ciągłej w przemyśle i rolnictwie. W układachhydraulicznych stosowany do napędu pomp. W układach mechanicznych do wprowadzenia w ruch obrotowy innych elementów układu np. żmijek, podajników, taśmociągów, pasów transmisyjnych, wentylatorów i innych.

Dane techniczne:

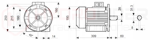
  • Typ silnika: AHC 100L 3-4
  • Wielkość mechaniczna: G100
  • Symbol silnika: 1.42.10.040
  • Moc (kW): 4
  • Moment znamionowy (Nm): 26,7
  • Prąd (A): 8,36
  • Napięcie (V): 400 (380)
  • Prędkość obrotu (obr/min): 1430 (norma 1500)
  • Kierunek obrotu wału: prawy lub lewy (w zależności od podłączenia kabli)
  • Średnica wału (mm): 28
  • Zabezpieczenie wału: klin
  • Uszczelnienie (wodoszczelność): IP55 (obustronne)
  • Kołnierz do mocowania łącznika dzwonowego: typ B35 na wyposażeniu
  • Łapy mocujące do podstawy: w zestawie
  • Obudowa: aluminium
  • Uzwojenie: miedź
SILNIK ELEKTRYCZNY 4kW 400V I REGULATOR OBROTÓW FALOWNIK WEKTOROWY Kod producenta 1.42.50.22.0400.1
SILNIK ELEKTRYCZNY 4kW 400V I REGULATOR OBROTÓW FALOWNIK WEKTOROWY Maksymalna moc 4 kW

Zastosowanie falownika:

Falownik charakteryzuje się bardzo dobrym wyposażeniem w skład którego wchodzą: filtr EMC kategorii C3, moduł dynamicznego hamowania, zintegrowany panel operatorski LED oraz komunikacja RS485 z protokołem ModbusRTU. Został tak zaprojektowany, aby jego montaż i uruchomienie zajmowały jak najmniej czasu. Idealny dla tych, którzy poszukują falownika o sporych możliwościach w przystępnej cenie.

WEJŚCIE ZASILANIA:

  • Napięcie wejściowe (V): AC 3-fazowe 380 V (-15%) ~440 V (+10%)
  • Częstotliwość (Hz): 50 Hz lub 60 Hz (dopuszczalny zakres 47~63 Hz)

WYJŚCIE MOCY:

  • Napięcie wyjściowe (V): AC 3-fazowe 380-440 V
  • Prąd wyjściowy (A): 9,5 A
  • Moc wyjściowa (kW): 4 kW
SILNIK ELEKTRYCZNY 4kW 400V I REGULATOR OBROTÓW FALOWNIK WEKTOROWY Prąd wyjściowy 9.5 A
SILNIK ELEKTRYCZNY 4kW 400V I REGULATOR OBROTÓW FALOWNIK WEKTOROWY Rodzaj trójfazowy

CHARAKTERYSTYKA:

  • Wodoszczelność: IP20
  • Maksymalna częstotliwość wyjściowa 400 Hz
  • Komunikacja RS485 z protokołem Modbus RTU
  • Funkcja regulacji momentu
  • Szeroka gama zabezpieczeń
  • Historia 5 ostatnich stanów awaryjnych z pamięcią parametrów pracy z 3 ostatnich wyłączeń awaryjnych
  • Wbudowany specjalny tryb regulacji napięcia wyjściowego niezależnie od ustawionego U/f
  • Funkcja lotnego startu doskonale sprawdzająca się przy starcie z wirującym obciążeniem, np. wentylatorem
  • Wbudowany filtr przeciwzakłóceniowy EMC kategorii C3 z możliwością odłączenia kondensatorów Y filtra dla zmniejszenia prądów upływowych (przeciwdziała niepożądanemu wyzwalaniu wyłączników różnicowoprądowych)
  • Wbudowany regulator PID z funkcją uśpienia umożliwia automatyczne sterowanie np. pompami i wentylatorami
  • Wbudowany moduł hamujący
  • Sterowanie dwu- i trójprzewodowe
  • Licznik czasu pracy

WEJŚCIA I WYJŚCIA CYFROWE:

  • Cztery wejścia cyfrowe stałe, z ustawianą logiką wejść: dodatnią lub ujemną, zakres napięć 24 VDC
  • Jedno szybkie wejście cyfrowe HDI, 24 VDC
  • Programowalne funkcje wejść i wyjść cyfrowych, w tym funkcja licznika
  • Jedno wyjście przekaźnikowe przełączające (SPDT), wielofunkcyjne
  • Możliwość dowolnego kształtowania polaryzacji wejść/wyjść (słowem bitowym)

WEJŚCIA I WYJŚCIA ANALOGOWE:

  • Dwa wejścia analogowe, domyślnie 0-10 V, ustawiany typ wejścia - napięciowe lub prądowe.
  • Skalowanie charakterystyki wejścia według potrzeb przez podanie współrzędnych początku i końca zakresu wejścia
  • Dwa wyjścia analogowe 0-10 lub 0-20 mA, ustawiana charakterystyka wyjścia, wybierana zmienna monitorowana
  • Wbudowany potencjometr podłączony do niezależnego wewnętrznego wejścia (zaciski nie wyprowadzone na listwę), ustawiana charakterystyka jak dla pozostałych wejść analogowych
Alt
Alt

INSTRUKCJE I CERTYFIKATY:

  • Instrukcja montażu w języku polskim w opakowaniu razem z produktem.
  • Możliwość wysłania na wskazany e-mail karty katalogowej producenta w języku angielskim.
  • Produkt posiada wszystkie niezbędne certyfikaty zezwalające na handel i użytkowanie w Unii Europejskiej.
  • Certyfikaty: RoHS, TÜV, CE
Alt
Alt

Гарантии

  • Гарантии

    Мы работаем по договору оферты и предоставляем все необходимые документы.

  • Лёгкий возврат

    Если товар не подошёл или не соответсвует описанию, мы поможем вернуть его.

  • Безопасная оплата

    Банковской картой, электронными деньгами, наличными в офисе или на расчётный счёт.

Отзывы о товаре

Рейтинг товара 0 / 5

0 отзывов

Russian English Polish