СМП125 БМП125 Орбитальный гидромотор ФИ-25м

Товар

13 584  ₽
СМП125 БМП125 Орбитальный гидромотор ФИ-25м
  • 0 раз купили
  • 5  оценка
  • 10 осталось
  • 1 отзыв

Доставка

  • Почта России

    от 990 ₽

  • Курьерская доставка EMS

    от 1290 ₽

Характеристики

Артикул
14822253383
Состояние
Новый
Producent części
inny (zamiennik)
Numer katalogowy części
KSMP1252ADGP1

Описание

Nazwa:

Silnik hydrauliczny orbitalny SMP125 BMP125 FI-25mm

Opis:

  • Numer części KSMP1252ADGP1
  • Specyfikacje Identyczna konstrukcja jak silniki orbitalne znanych producentów
  • Korzyści - Korzystny stosunek możliwości do ceny- Wysoka obciążalność wału przy działaniu sił osiowych i promieniowych- Możliwość krótkotrwałego zastosowania pod wysokim ciśnieniem
  • Zastosowanie Wszędzie tam, gdzie wymagany jest wysoki moment obrotowy przy niskich prędkościach obrotowych.np.:- Zamiatarki- Przyczepa samozbierająca- Napędy podłogi zgarniaka- Rozsiewacz- Kosiarki- Wciągniki- Maszyny rolnicze, leśne i budowlane
  • Właściwości - Z odprowadzaniem oleju wyciekowego- Rodzaj konstrukcji wirnika- Szerokie łożysko ślizgowe wału- Może być przyłączany w szeregu z innymi silnikami- Nadaje się do stosowania w systemach zamkniętych- Należy do szeregu silników orbitalnych średniej wielkości- Budowa zwarta i kompaktowa
  • Informacje techniczne Silniki orbitalne odznaczają się kompaktową konstrukcją i wysokim rozruchowym momentem obrotowym. Dzięki szerokim łożyskowaniom mogą one odbierać duże siły promieniowe i osiowe.Silniki orbitalne Gopart przekonują korzystnym stosunkiem możliwości do ceny. Silniki nadają się szczególnie do zastosowań standardowych ze średnim obciążeniem.
  • Jednostka Sztuka
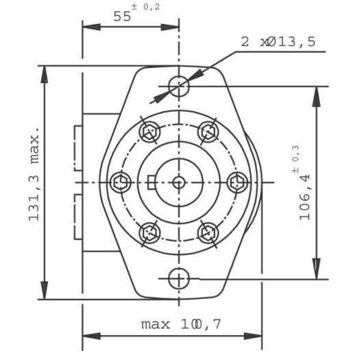
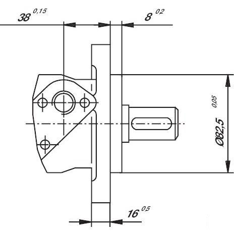
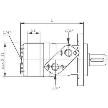
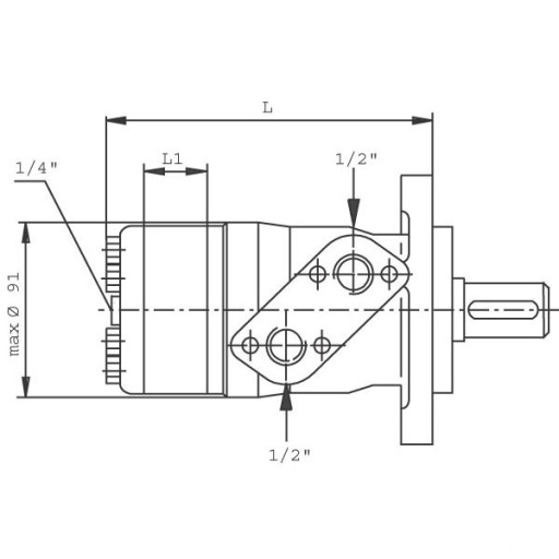
  • Przyłącze 1/2" BSP; olej wyciekowy 1/4" BSP
  • Typy kołnierza 2-otworowy kołnierz (SAE A)
  • Typ wału Wał cylindryczny
  • Uwaga Silniki są wyposażone w przyłącze oleju wyciekowego, dzięki czemu mogą być bez problemu łączone z innymi silnikami lub wykorzystywane w zamkniętych układach hydraulicznych.P1 = maks. Ciśnienie stałeP2 = praca przerywana, maks. 10%/minP3 = maks. wierzchołek wykresu ciśnienia
  • Uszczelka SMP9AFDGP - Welle 25mmSMP9AFD32GP - Welle 32mm
  • Wydajność tłoczenia (cm³/obr.) 120,2
  • Średnica wału 25
  • L1 (mm) 16
  • L (mm) 146
  • P1 (bar) 125
  • P2 (bar) 165
  • P3 (bar) 165
  • Nmax (obr./min) 490
  • N min. (Rpm) 10
  • Moment obrotowy (da Nm) 23,6
  • Q max. (l/min) 60
  • Moc (kW) 9,1
  • Kołnierz silnika 2-otworowy kołnierz SAE A

Producent: zamiennik

Silnik hydrauliczny orbitalny SMP125 BMP125 FI-25m
Silnik hydrauliczny orbitalny SMP125 BMP125 FI-25m Numer katalogowy części KSMP1252ADGP1
Silnik hydrauliczny orbitalny SMP125 BMP125 FI-25m Producent części inny
Alt
Alt
Alt
Alt
Alt

Гарантии

  • Гарантии

    Мы работаем по договору оферты и предоставляем все необходимые документы.

  • Лёгкий возврат

    Если товар не подошёл или не соответсвует описанию, мы поможем вернуть его.

  • Безопасная оплата

    Банковской картой, электронными деньгами, наличными в офисе или на расчётный счёт.

Отзывы о товаре

Рейтинг товара 5 / 5

1 отзыв

Russian English Polish