ZESTAW USZCZELEK ZAWORU EGR SEAT IBIZA 6L 1.9 TDI ASZ

Товар

2 972  ₽
ZESTAW USZCZELEK ZAWORU EGR SEAT IBIZA 6L 1.9 TDI ASZ

Доставка

  • Почта России

    1595 ₽

  • Курьерская доставка EMS

    2123 ₽

Характеристики

Артикул
15294887244
Состояние
Новый
Wersja
Europejska
Typ samochodu
Autobusy
Producent części
Elring
Numer katalogowy części
934.750
Numery katalogowe zamienników
AJUSA 77016900

Specyfikacja techniczna produktu

Wersja TecDoc
2406
Numery handlowe
038 131 501 AL
Liczba uszczelek
2
Liczba pierścieni uszczelniających
1

Описание

ZESTAW USZCZELEK ZAWORU EGR

W jednym modelu auta, mogą występować różne warianty części. W przypadku niepewności o właściwy dobór części, zalecana jest weryfikacja według numeru VIN

ZESTAW USZCZELEK ZAWORU EGR SEAT IBIZA 6L 1.9 TDI ASZ EAN (GTIN) 4041248809280

Producent: ELRING

nr części: 934.750

ZESTAW USZCZELEK ZAWORU EGR SEAT IBIZA 6L 1.9 TDI ASZ Numery katalogowe zamienników AJUSA 77016900 MEC-DIESEL 605283 WILMINK GROUP WG1920705 WILMINK GROUP WG2083755

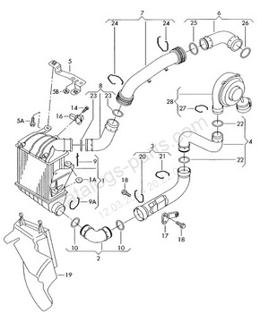
USZCZELKI widoczne na schemacie poniżej z numerami:

2 nr oryginału: N90521604 55X3

4 nr oryginału: 089131547D 32 mm

6 nr oryginału: 038131547A

Alt
ZESTAW USZCZELEK ZAWORU EGR SEAT IBIZA 6L 1.9 TDI ASZ Wersja Europejska

USZCZELKA PRZEWODU DOLOTOWEGO

Producent: ELRING

nr. części 697.240 ELR

Średnica wewnętrzna [mm]: 57,85

Materiał: FPM (fluor-kauczuk)

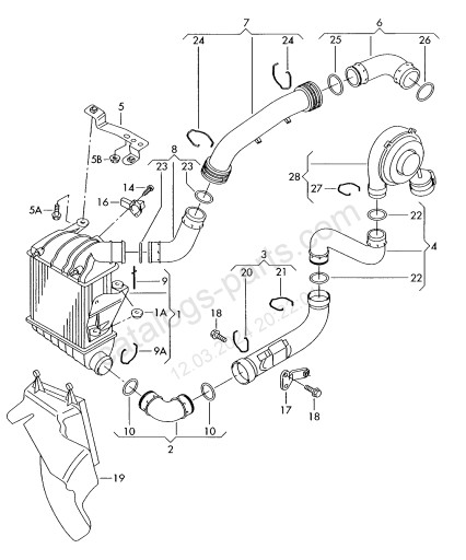
USZCZELKA widoczna na schemacie poniżej z numerem:

26 nr oryginału: 3C0145117F     57,85 mm

Alt
Alt

Гарантии

  • Гарантии

    Мы работаем по договору оферты и предоставляем все необходимые документы.

  • Лёгкий возврат

    Если товар не подошёл или не соответсвует описанию, мы поможем вернуть его.

  • Безопасная оплата

    Банковской картой, электронными деньгами, наличными в офисе или на расчётный счёт.

Отзывы о товаре

Рейтинг товара 5 / 5

10 отзывов

Russian English Polish