РЕМОНИРУЮ AUDI A4 B6 1.8 T БЕНЗИНОВЫЙ (2001-2004) САМ ПОДРОБНАЯ ИНФОРМАЦИЯ

Товар

6 295  ₽
РЕМОНИРУЮ AUDI A4 B6 1.8 T БЕНЗИНОВЫЙ (2001-2004) САМ ПОДРОБНАЯ ИНФОРМАЦИЯ

Доставка

  • Почта России

    от 990 ₽

  • Курьерская доставка EMS

    от 1290 ₽

Характеристики

Артикул
15317269042
Состояние
Новый
Tytuł
SAM NAPRAWIAM AUDI A4 B6 1.8 T BENZYNA (2001-2004) SZCZEGÓŁOWE INFORMACJE
Tematyka
Samochody osobowe
Rok wydania
2007
Stan opakowania
oryginalne
Język publikacji
angielski

Описание

SAM NAPRAWIAM AUDI A4 B6 1.8 T BENZYNA (2001-2004) SZCZEGÓŁOWE INFORMACJE

SAM NAPRAWIAM AUDI A4 B6 1.8 T BENZYNA (2001-2004) SZCZEGÓŁOWE INFORMACJE Waga produktu z opakowaniem jednostkowym 0.8 kg

INSTRUKCJA  NAPRAW I OPIS BUDOWY SAMOCHODU

AUDI A4 (silniki benzynowe i Diesla)

modele produkowane od 2001 do 2004 roku

Czy chcesz wiedzieć jak naprawić Audi A4 B6 z silnikiem 1.8 benzyna ?

Pomocą służy poradnik znanego na całym Świecie wydawnictwa Haynes Publishing

UWAGA!

Oferowana książka wydana jest w języku angielskim (niedostępna w polskiej wersji językowej).

W książce opisano Audi A4 (oznaczenie fabryczne B6, Typ 8E) modele produkowane od 2001 do 2004 roku z uwzględnieniem specjalnych i limitowanych edycji. Obejmuje również główne zespoły mechaniczne wersji Cabriolet.

Wersja nadwozia:

  • Limuzyna
  • Kombi (Avant)

Silniki benzynowe:

  • Audi A4 B6 silnik o pojemności 1,8 litra 1781 cm3 turbo
  • silnik o pojemności 2,0 litra 1984 cm3 4-cylindrowy, z uwzględnieniem FSI

Książka nie zawiera opisu wersji z silnikiem benzynowym o pojemności 1,6 litra oraz 6-cylindrowego i V8.

Silniki Diesla:

  • silnik o pojemności 1,9 litra 1896 cm3 4-cylindrowy

Nie zawiera opisu z silnikami 1.6 benzyna 6-cylindrowej i V8, diesel 6 -cylindrowy, wersji Quattro i modeli S4 oraz modeli A4 wprowadzonych od stycznia 2005 roku.

UWAGA!

Oferowana książka wydana jest w języku angielskim (niedostępna w polskiej wersji językowej).

Audi A4 2001 to 2004 (X to 54 reg) 4-cyl Petrol & Diesel

Haynes Service and Repair Manual

Książka napraw wydana przez angielskie wydawnictwo Haynes (Haynes Publishing Group) to prawdziwe kompendium wiedzy warsztatowej. Swoją zawartością stanowi cenny zbiór porad i praktycznych wskazówek serwisowych. Poradnik serwisowy Haynes z pewnością przyda się zarówno wykwalifikowanemu mechanikowi warsztatu samochodowego, jak również przeciętnemu użytkownikowi pojazdu, który w przydomowym garażu zechce wymienić olej czy dokonać drobnej naprawy we własnym zakresie.

Warto wspomnieć, że motoryzacyjne podręczniki Haynesa powstają na podstawie całkowitego rozłożenia samochodu lub motocykla na części przez doświadczonych mechaników, a następnie jego ponownego złożenia i szczegółowego udokumentowania krok po kroku każdej czynności. W ten sposób powstaje bardzo dokładny opis samochodu, wzbogacony licznymi zdjęciami i rysunkami złożeniowymi. Istotnym elementem książki serwisowej są zawarte w niej schematy instalacji elektrycznej samochodu i motocykla.

What's covered:

Saloon and Estate (Avant) (model range code B6), including special/limited editions

Petrol:

1.8 litre (1781cc) turbo

2.0 litre (1984cc) 4-cylinder, inc. FSI

Diesel:

Turbo-diesel: 1.9 litre (1896cc) 4-cylinder

Also covers major mechanical features of Cabriolet models

Exclusions:

Does NOT cover models with 1.6 litre petrol engine, 6-cylinder or V8 petrol engines or 6-cylinder diesel engines; Quattro or S4 models, or new Audi A4 range introduced January 2005

Contents

General Information

Routine maintenance and servicing - petrol models Audi A4 - Chapter 1: Part A

Routine maintenance and servicing - diesel models - Chapter 1: Part B

Chapter 2: Part A: 1.8 and 2.0 litre indirect injection petrol engine in-car repair procedures

Chapter 2: Part B: 2.0 litre direct injection petrol engine in-car repair procedures

Chapter 2: Part C: Diesel engine in-car repair procedures

Chapter 2: Part D: Engine removal and overhaul procedures

Chapter 3: Cooling, heating and ventilation systems

Chapter 4: Part A: Fuel system – indirect petrol injection models

Chapter 4: Part B: Fuel system – direct petrol injection (FSI) models

Chapter 4: Part C: Fuel system – diesel models

Chapter 4: Part D: Emission control and exhaust systems

Chapter 5: Part A: Starting and charging systems

Chapter 5: Part B: Ignition system – petrol engines

Chapter 6: Clutch

Chapter 7: Part A: Manual transmission

Chapter 7: Part B: Automatic transmission

Chapter 7: Part C: Multitronic transmission

Chapter 8: Driveshafts

Chapter 9: Braking system

Chapter 10: Suspension and steering systems

Chapter 11: Bodywork and fittings

Chapter 12: Body electrical systems  Wiring diagrams  Reference

SAM NAPRAWIAM AUDI A4 B6 1.8 T BENZYNA (2001-2004) SZCZEGÓŁOWE INFORMACJE Rok wydania 2007

Typowy informator Haynes Publishing zawiera opis napraw, budowy i konserwacji samochodu Audi A4 B6 :

Opis i identyfikację modelu samochodu Audi A4 B6

Uwagi na temat bezpieczeństwa

Awaryjne naprawy w drodze samochodu Audi A4 B6 1.8 benzyna

  • Co zrobić jeśli twój samochód nie chce odpalić?
  • Sposoby awaryjnego uruchomienia silnika (rozruch "na pożyczkę")
  • Zmiana koła
  • Identyfikacja nieszczelności
  • Holowanie pojazdu

Czynności obsługowe (cotygodniowe kontrole) samochodu Audi A4 B6 1.8 benzyna

  • Wykaz punktów kontroli i sprawdzeń
  • Sprawdzenie poziomu oleju
  • Sprawdzenie poziomu płynu chłodzącego
  • Sprawdzenie poziomu płynu do spryskiwaczy
  • Sprawdzenie stanu opon i ciśnienia w ogumieniu
  • Sprawdzenie poziomu płynu hamulcowego i sprzęgła
  • Sprawdzenie płynu w układzie wspomagania kierowniczego
  • Sprawdzenie i ocena stanu wycieraczek
  • Sprawdzenie sprawności akumulatora
  • Sprawdzenie systemów i układów elektrycznych pojazdu
  • Smary i płyny eksploatacyjne - wykaz
  • Ciśnienie w oponach - tabela dla typowych rozmiarów kół

Konserwacja pojazdu

  • Rutynowa konserwacja i serwis pojazdu
  • Specyfikacja czynności serwisowych
  • Harmonogram obsług technicznych i przeglądów okresowych
  • Zakres czynności obsługowych

Naprawy i przeglądy samochodu

  • Obsługa silnika i układów z nim związanych
  • Procedury naprawcze i wskazówki serwisowe
  • Demontaż silnika i procedura przeglądu
  • Układ chłodzenia, ogrzewania i klimatyzacji
  • Układ paliwowy i wydechowy
  • Katalizator i układ kontroli emisji spalin
  • Rozrusznik i alternator
  • Układ zapłonowy

Przekładnia

  • Sprzęgło
  • Skrzynia manualna
  • Skrzynia automatyczna
  • Wały napędowe

Hamulce i zawieszenie samochodu

  • Układ hamulcowy
  • Zawieszenie i układ kierowniczy

Wyposażenie pojazdu Audi A4 B6

  • Nadwozie i wyposażenie
  • Wyposażenie elektryczne
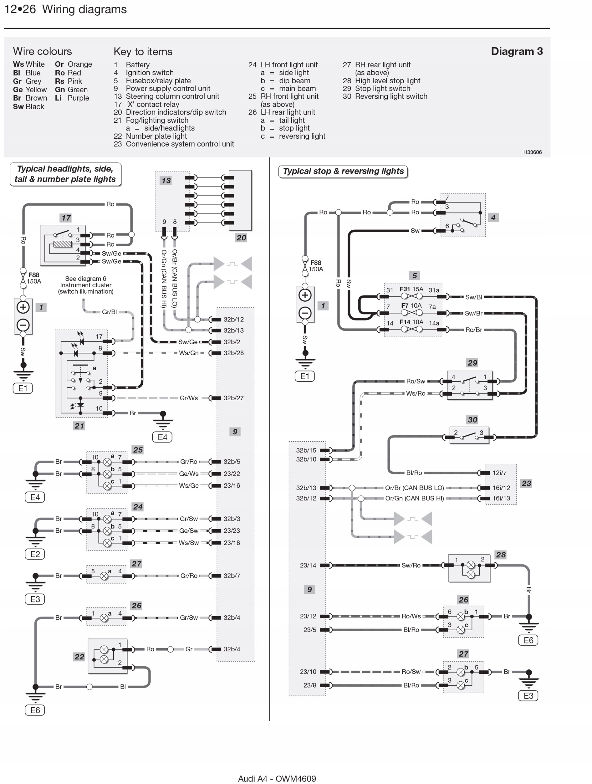
  • Schematy elektryczne

przykład:

SAM NAPRAWIAM AUDI A4 B6 1.8 T BENZYNA (2001-2004) SZCZEGÓŁOWE INFORMACJE Stan opakowania oryginalne

Charakterystyka pojazdu Audi A4 B6

  • Wymiary i waga samochodu
  • Przeliczniki jednostek
  • Zakup części zamiennych
  • Identyfikacja i oznaczenia pojazdu
  • Ogólne procedury naprawy
  • Podnoszenie pojazdu
  • Odłączenie akumulatora
  • Narzędzia i warunki do pracy
  • Kontrole stanu technicznego
  • Diagnostyka i identyfikacja błędów
  • Słowniczek pojęć technicznych

Zapraszamy do zakupu instrukcji dla Audi A4 B6 produkowanego w latach 2001-2004 !

Informator wydawnictwa Haynes Publishing w którym znajdziesz wiedzę w jaki sposób naprawić Twojego samochodu Audi A4 B6 1,8 benzyna. Szczegółowe dane potrzebne do naprawy tj. charakterystyka, wyposażenie samochodu Audi A4 B6 1.8 benzyna. Opis konserwacji, przeglądów, czynności obsługowych samochodu Audi A4 B6 1,8 benzyna

DARMOWA DOSTAWA ALLEGRO SMART MOTORYZACJA AUDI A4 B6 1,6 BENZYNA

Гарантии

  • Гарантии

    Мы работаем по договору оферты и предоставляем все необходимые документы.

  • Лёгкий возврат

    Если товар не подошёл или не соответсвует описанию, мы поможем вернуть его.

  • Безопасная оплата

    Банковской картой, электронными деньгами, наличными в офисе или на расчётный счёт.

Отзывы о товаре

Рейтинг товара 0 / 5

0 отзывов

Russian English Polish