Шкив СПЗ 100/5 для Taper Lock 2012 г.

Товар

2 670  ₽
Шкив СПЗ 100/5 для Taper Lock 2012 г.

Доставка

  • Почта России

    от 990 ₽

  • Курьерская доставка EMS

    от 1290 ₽

Характеристики

Артикул
15457780326
Состояние
Новый
Stan opakowania
oryginalne
Producent części
bez marki
Numer katalogowy części
ZT01005

Описание

Koło pasowe SPZ 100/5 pod Taper Lock 2012

Dane techniczne:

  • średnica podziałowa: 100mm
  • średnica zewnętrzna: 104mm
  • mocowanie pod Taper Lock
  • tuleja: 2012
  • wykonanie: TYP 8
  • ilość rowków: 5
  • profil pasa: SPZ - XPZ - Z
  • klin: 10mm

Tuleja Taper Lock dostępna w komplecie na innych naszych aukcjach

Zdjęcia mają charakter poglądowy.

Koło pasowe SPZ 100/5 pod Taper Lock 2012
Koło pasowe SPZ 100/5 pod Taper Lock 2012 Waga produktu z opakowaniem jednostkowym 1.6 kg

Wymiary:

  • F=64mm
  • L=32mm
  • J=71mm
  • O=104mm
  • P=100mm
  • K=32mm

Materiał: żeliwo

Wykonanie wg normy ISO 4183 oraz DIN 2211-3

Koła są wyważone statycznie i przystosowane do pracy z prędkością obwodową do 35 m/s.

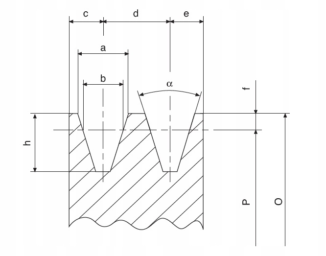
Wymiary klina w kole:

  • c=8,0mm
  • d=12,0mm
  • e=8,0mm
  • a=9,7mm
  • b=8,5mm
  • h=11,0mm
  • f=2,0mm
Koło pasowe SPZ 100/5 pod Taper Lock 2012 Stan opakowania oryginalne

Гарантии

  • Гарантии

    Мы работаем по договору оферты и предоставляем все необходимые документы.

  • Лёгкий возврат

    Если товар не подошёл или не соответсвует описанию, мы поможем вернуть его.

  • Безопасная оплата

    Банковской картой, электронными деньгами, наличными в офисе или на расчётный счёт.

Отзывы о товаре

Рейтинг товара 0 / 5

0 отзывов

Russian English Polish