ГИДРАВЛИЧЕСКИЙ РАЗДЕЛИТЕЛЬ, 2 СЕКЦИИ, 80 Л + СОЕДИНЕНИЯ

Товар

23 309  ₽
ГИДРАВЛИЧЕСКИЙ РАЗДЕЛИТЕЛЬ, 2 СЕКЦИИ, 80 Л + СОЕДИНЕНИЯ
  • 0 раз купили
  • 5  оценка
  • 50 осталось
  • 3 отзыва

Доставка

  • Почта России

    от 990 ₽

  • Курьерская доставка EMS

    от 1290 ₽

Характеристики

Артикул
15500221834
Состояние
Новый
Producent części
Badestnost
Numer katalogowy części
1.10.10.020.3

Описание

ROZDZIELACZ HYDRAULICZNY 2 SEKCYJNY 80L +PRZYŁĄCZA Numer katalogowy części 1.10.10.020.3

ROZDZIELACZ HYDRAULICZNY 2 SEKCYJNY P80

W ZESTAWIE Z KOMPLETEM PRZYŁĄCZY

Produkcja:

Oryginalny produkt marki Badestnost Bułgaria, symbol producenta: 02P80 A1A1 GKZ1; symbol: 1.10.10.020.3

Zastosowanie:

Posiada szerokie zastosowanie w układach hydraulicznych w rolnictwie, sadownictwie, leśnictwie, budownictwie i szeroko pojętym przemyśle.

Rozdzielacz przystosowany jest do różnego rodzaju maszyn takich jak: maszyny rolnicze, ciągniki, opryskiwacze, tury, cyklopy, ładowacze HDS, maszyny budowlane, ładowarki, koparki, zamiatarki, maszyny przemysłowe i do innych urządzeń sterowanych hydraulicznie.

Dane techniczne:

Zalecany przepływ oleju układzie: 0 - 80 l/min. Przykładowe sterowanie: dwa siłowniki 2-stronnego działania.

Możliwość podłączenia szeregowego do istniejącego układu (wymagana tuleja ciśnieniowa).

Sterowanie:

Obie dźwignie trzypozycyjne (1 - 0 - 2), na sprężynie, czyli same wracają do pionu:

  • Pozycja 0 neutralna (dźwignia ustawiona w pionie) tłoczysko siłownika stoi - olej idzie na przelew.
  • Pozycja 1 robocza (dźwignia ustawiona w pozycji ukośnej do przodu) tłoczysko siłownika wysuwa się.
  • Pozycja 2 robocza (dźwignia ustawiona w pozycji ukośnej do tyłu) tłoczysko siłownika chowa się.

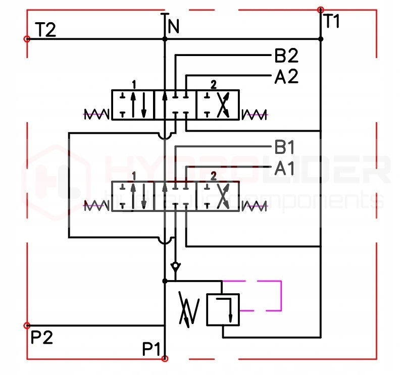
Z prawej strony schemat hydrauliczny oferowanego rozdzielacza:

ROZDZIELACZ HYDRAULICZNY 2 SEKCYJNY 80L +PRZYŁĄCZA Producent części Badestnost
ROZDZIELACZ HYDRAULICZNY 2 SEKCYJNY 80L +PRZYŁĄCZA Waga produktu z opakowaniem jednostkowym 5.5 kg

Przyłącza z uszczelnieniem (gwinty):

  • Zasilanie z pompy (P): gwint BSP 1/2'' - M22x1.5
  • Powrót do zbiornika (T): gwint BSP 3/4'' - M27x2
  • Wyjście na sekcje (A, B): gwinty BSP 1/2'' - M22x1.5

Zakres ciśnień:

  • Maksymalne ciśnienie na zasilaniu: 250Bar
  • Maksymalne ciśnienie na powrocie: 50Bar
  • Maksymalne ciśnienie na sekcjach: 300Bar

Ciśnienie otwarcia zaworu przelewowego rośnie proporcjonalnie wraz ze wzrostem przepływu:

180 bar przy 20 l/min

190 bar przy 40 l/min

200 bar przy 60 l/min

210 bar przy 80 l/min

Zestawy do precyzyjnego pomiaru ciśnienia znajdziesz w dziale Manometry – zestawy pomiarowe

Zaleca się sprawdzenie i ustawienie odpowiedniego ciśnienia przez uruchomieniem.

Możliwość samodzielnej regulacji, pełny obrót zmiana o 30Bar.

Rekomendowane przez AGRICOLA typy oleju:

  • Rzadszy wysokiej jakości olej: LOTOS AGROL BOXOL 26

Zalecany zakres temperatur oleju:

  • Dopuszczalna temperatura otoczenia: -40 C do +60 C
  • Dopuszczalna temperatura oleju: -15 C do +80 C

Гарантии

  • Гарантии

    Мы работаем по договору оферты и предоставляем все необходимые документы.

  • Лёгкий возврат

    Если товар не подошёл или не соответсвует описанию, мы поможем вернуть его.

  • Безопасная оплата

    Банковской картой, электронными деньгами, наличными в офисе или на расчётный счёт.

Отзывы о товаре

Рейтинг товара 5 / 5

3 отзыва

Russian English Polish