Инвертор 3.0кВтx400В Simphoenix E500-4T0030B

Товар

45 337  ₽
Пошлина ≈2 234 ₽ не входит в цену.
Инвертор 3.0кВтx400В Simphoenix E500-4T0030B

Доставка

  • Почта России

    2221 ₽

  • Курьерская доставка EMS

    3163 ₽

Характеристики

Артикул
15557508050
Состояние
Новый
Waga
4 kg
Rodzaj
inny
Maksymalna moc
3 kW
Stan opakowania
oryginalne
Prąd wyjściowy
7.5 A
Częstotliwość wyjściowa
50 Hz
Maksymalne napięcie zasilania
400 V

Описание

Opis

Falownik 3,0kW 3F Simphoenix E500-4T0030B zasilanie 3x400V

FALOWNIK WEKTOROWY

Zastosowanie:

Używany do sterowania/napędzania silnika elektrycznego indukcyjnego. Fabrycznie ustawiony na prace z silnikiem 3,0kW. Możliwość przestawienia na pracę z mniejszymi mocami silnika. np.: 0,25kW; 0,37kW; 0,55kW; 0,75kW; 1,1kW; 1,5kW, 2,2kW Zastosowanie w różnych aplikacjach takich jak:

wentylatory, pompy, piły, suszarnie, szlifierki, wirówki, maszyny przemysłowe, maszyny do obróbki materiałów.

Seria Е500 to seria falowników dedykowanych do większości prostych i najpopularniejszych aplikacji. To co wyróżnia przemienniki serii E500, to:

✅ niezawodna stabilna praca, przeciążalność 180%

✅ wysoka jakość wykonania

✅ kompaktowa budowa

✅ możliwość montażu na szynie DIN lub przykręcenia do płyty montażowej

✅odseparowany kanał wentylacji (ochrona przed pyłem)

✅ wyjmowany panel operatorski, możliwość montażu panelu w ramce montażowej i umieszczenia na froncie szafie sterowniczej

✅ Komunikacja RS485 protokół MODBUS RTU

✅ wbudowany moduł hamowania

✅ wbudowany potencjometr

Instrukcja obsługi w języku Polskim dostępna w pdf.

Falowniki objęte są 12 miesięczną gwarancją

Zapewniamy fachową pomoc w doborze i ustawieniu parametrów falownika. Prowadzimy również profesjonalny serwis układów automatyki.

Sprawdź recenzję naszych falowników serii E500 na https://www.youtube.com/watch?v=3J1T7pNEdRk&t=1060s

Falownik 3,0kWx400V Simphoenix E500-4T0030B Marka Simphoenix
Falownik 3,0kWx400V Simphoenix E500-4T0030B

Główne cechy techniczne:

✅ Sterowanie V/F oraz bezczujnikowe wektorowe (SVC)

✅ Wysoka odporność na wachania napięcia sieci ( ±20% )

✅ Ograniczenie prądowe oraz napięciowe przy niskich prędkościach (ustawiane przez użytkownika)

✅ Modbus RTU i port RS-485 w standardzie

✅ Możliwość wymiany panelu podczas pracy (kopiowanie nastaw)

✅ Rzeczywisty monitoring parametrów pracy silnika i I/O starujących

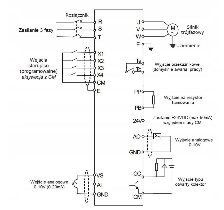
✅ Cztery wejścia cyfrowe, dla których przypisano 29 funkcji działania, 16 funkcji przypisanych do wyjść

✅ Wbudowany prosty licznik, który w parze z wejściem cyfrowym może realizować proste zliczania

✅ Wbudowany, intuicyjny regulator PID do regulacji temperatury, ciśnienia, przepływu, itp.

Falownik 3,0kWx400V Simphoenix E500-4T0030B Rodzaj inny
Falownik 3,0kWx400V Simphoenix E500-4T0030B Waga produktu z opakowaniem jednostkowym 4 kg
Falownik 3,0kWx400V Simphoenix E500-4T0030B Waga 4 kg
Falownik 3,0kWx400V Simphoenix E500-4T0030B Częstotliwość wyjściowa 50 Hz
Falownik 3,0kWx400V Simphoenix E500-4T0030B Prąd wyjściowy 7.5 A
Falownik 3,0kWx400V Simphoenix E500-4T0030B Stan opakowania oryginalne

Гарантии

  • Гарантии

    Мы работаем по договору оферты и предоставляем все необходимые документы.

  • Лёгкий возврат

    Если товар не подошёл или не соответсвует описанию, мы поможем вернуть его.

  • Безопасная оплата

    Банковской картой, электронными деньгами, наличными в офисе или на расчётный счёт.

Отзывы о товаре

Рейтинг товара 0 / 5

0 отзывов

Russian English Polish