Efekt spadającej Komety 8 LED nauka lutowania SMD Kit

Товар

1 895  ₽
Efekt spadającej Komety 8 LED nauka lutowania SMD Kit
  • 2 раза купили
  • 5  оценка
  • 22 осталось
  • 2 отзыва

Доставка

  • Почта России

    1327 ₽

  • Курьерская доставка EMS

    1662 ₽

Характеристики

Артикул
15790931046
Состояние
Новый
Kod producenta
Efekt spadającej kropli 8 LED
Producent
Inna (Diy)

Описание

Efekt spadającej Komety 8 LED nauka lutowania SMD Kit

Efekt spadającej Komety 8 LED

do własnoręcznego montażu, lutowania SMD

Układ średnio zaawansowany  w montażu .

Czas montażu 120 minut.

Układ po podłączeniu zasilania świeci od led 8 w kierunku led 1, diody po każda po  kolei świecą mocnym światłem lekko przygaszając dają efekt Spadającej kropli LED świetlnej Smugi jak spadająca Gwiazda na niebie.

Rozmiar PCB: 42 x 41mm

Zasilanie:  5V

Alt
Efekt spadającej Komety 8 LED nauka lutowania SMD Kit Kod producenta Efekt spadającej kropli 8 LED

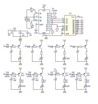
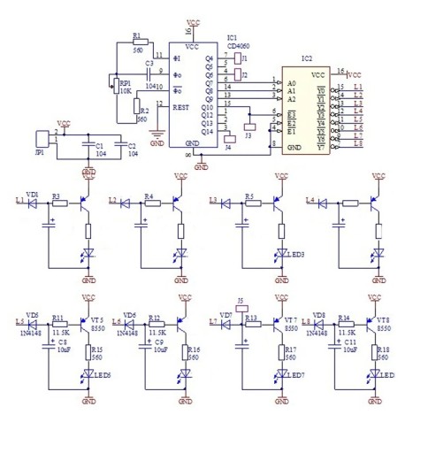
Obwód wykorzystuje CD4060 jako  sterownik  oscylacji i podziału częstotliwości  wykorzystując dekodowanie 74 hc138 do włącznia 8 diód  LED aby  zapalały  się po kolei. Wykorzystując charakterystykę ładowania i rozładowywania kondensatora, każdy obwód LED stopniowo gaśnie, dynamicznie tworząc efekt „ kroplówki ”. W obwodzie wewnętrzne obwody oscylacyjne R1, R2, RP1, C3 i CD4060 razem tworzą obwód oscylacyjny. Rezystorem RP1 może regulować częstotliwość oscylacji, zmieniając w ten sposób prędkość lampy wodnej. Sygnał oscylacji jest wysyłany do IC2 w celu dekodowania po wewnętrznym 7-podziale. Za każdym razem, gdy odbierany jest sygnał z 7 podziałem, na Y0-Y7 terminalach pojawia się po kolei niski poziom, odpowiadający zapaleniu jednej diody LED. Po odebraniu ośmiu sygnałów z 7 podziałami na styku 10-podziałowym pojawia się wysoki poziom, który jest wysyłany do terminala umożliwiającego IC2, jeśli IC2 działa normalnie, następny cykl zobaczy niski poziom na kołku rozdzielacza 10. IC2 wyłączy wyjście, a każda dioda wyłączy się na jeden cykl, tworząc efekt spadającej Gwiazdy.

Każdy układ LED zawiera triodę, rezystor ograniczający prąd LED, rezystor ograniczający prąd oparty na triodzie, triodowy kondensator bazowy i triodową diodę bazową. Gdy pojawia się niski poziom IC2, triodowy kondensator bazowy szybko rozładowuje się przez diodę, a napięcie na obu końcach kondensatora szybko spada do poziomu bliskiego 0V. Po przejściu niskiego poziomu dioda wyłącza się, a rezystor ograniczający prąd oparty na triodzie powoli ładuje kondensator, powodując prąd podstawowy, który powoli zamyka triodę, LED stopniowo wyłącza się z jasnego do ciemnego, tworząc efekt „Spadającej gwiazdy".

Alt
Alt
Efekt spadającej Komety 8 LED nauka lutowania SMD Kit
Efekt spadającej Komety 8 LED nauka lutowania SMD Kit Kod producenta Efekt spadającej kropli 8 LED

Instrukcja:

Układy mają nadrukowany schemat montażu na płytce. Trzeba zwrócić uwagę na biegunowość  w przypadku takich elementów jak kondensatory, diody, tranzystory. W przypadku diód Led dłuższa nóżka to plus +, większość elementów ma opisane parametry na obudowie. Rezystory mogą mieć oznaczenia paskowe ich oporność oraz tolerancję można odczytać za pomocą kalkulatorów dostępnych w internecie lub mierząc miernikiem.  Kolejność montażu zazwyczaj jest dowolna , w zależności od układu, montujemy najpierw najmniejsze elementy.

Efekt spadającej Komety 8 LED nauka lutowania SMD Kit Producent Inna

Гарантии

  • Гарантии

    Мы работаем по договору оферты и предоставляем все необходимые документы.

  • Лёгкий возврат

    Если товар не подошёл или не соответсвует описанию, мы поможем вернуть его.

  • Безопасная оплата

    Банковской картой, электронными деньгами, наличными в офисе или на расчётный счёт.

Отзывы о товаре

Рейтинг товара 5 / 5

2 отзыва

Russian English Polish