MERCEDES W124. Obsluga naprawa - szczegółowy poradnik naprawczy

Товар

7 880  ₽
MERCEDES W124. Obsluga naprawa - szczegółowy poradnik naprawczy

Доставка

  • Почта России

    1313 ₽

  • Курьерская доставка EMS

    1644 ₽

Характеристики

Артикул
15918421183
Состояние
Новый
Tematyka
Samochody osobowe
Marka
Mercedes-Benz
Rok wydania
2004
Waga produktu z opakowaniem jednostkowym
0.84 kg
Tytuł
Mercedes W124 - obsługa i naprawa
Stan opakowania
oryginalne
Język publikacji
polski

Описание

Bardzo szczegółowy pradnik naprawczy, opisujący samochody zarówno z silnikami wysokoprężnymi (200D / 250D / 300D), jak i z silnikami benzynowymi  (200 / 200E / 230E).

W książce zamieszczono bardzo szczegółowe opisy napraw i regulacji poszczególnych zespołów samochodów MERCEDES-BENZ serii W124:

  • modelu 200 wyposażonego w silnik benzynowy czterocylindrowy o pojemności 1996 cm3 i mocy 80 kW, 77 kW, 75 kW oraz 72 kW z gaźnikiem STROMBERG lub 2EE;
  • modelu 200E wyposażonego w silnik benzynowy czterocylindrowy o pojemności 1996 cm3 i mocy 90 kW oraz 87 kW z układem wtryskowym benzyny KE-JETRONIC;
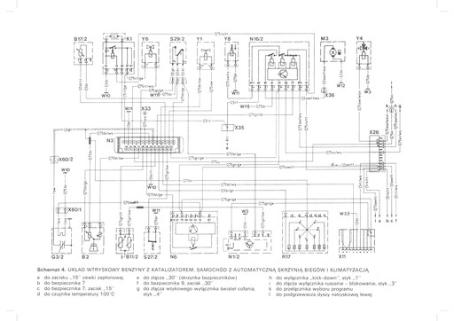
  • modelu 230E wyposażonego w silnik benzynowy czterocylindrowy o pojemności 2298 cm3 i mocy 100 k, 97 kW oraz 94 kW z układem wtryskowym benzyny KE-JETRONIC;
  • modelu 200D wyposażonego w silnik wysokoprężny czterocylindrowy (typ 601) o pojemności 1997 cm3  i mocy 55 kW;
  • modelu 250D wyposażonego w silnik wysokoprężny pięciocylindrowy (typ 602) o pojemności 2497 cm3 i mocy 69 kW (bez katalizatora) lub mocy 66 kW (z katalizatorem);
  • modelu 300D wyposażonego w silnik wysokoprężny sześciocylindrowy (typ 603) o pojemności 2996 cm3 i mocy 83 kW (bez katalizatora) lub mocy 81 kW (z katalizatorem).

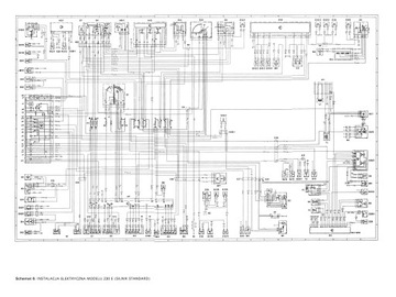
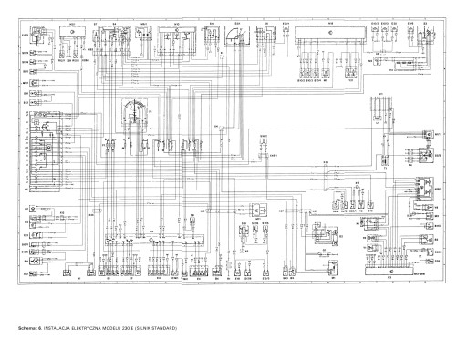
Książkę uzupełniono szczegółowymi danymi technicznymi, tabelą zalecanych momentów dokręcania oraz schematami elektrycznymi.

292 strony formatu A4, 371 ilustracji oraz schematy elektryczne, w tym w formacie A3 (wkładka)

ISBN 83-85243-66-6

Książka zawiera opis układu wtryskowego benzyny KE-JETRONIC, w tym opis działania układu oraz regulację biegu jałowego (sprawdzanie układu regulacji biegu jałowego oraz regulację stężenia CO).

Warto dodać, że układ wtryskowy benzyny KE-JETRONIC został też opisany w książce "UKŁADY WTRYSKOWE BENZYNY. Tom 3", która także jest dostępna w naszej ofercie.

Гарантии

  • Гарантии

    Мы работаем по договору оферты и предоставляем все необходимые документы.

  • Лёгкий возврат

    Если товар не подошёл или не соответсвует описанию, мы поможем вернуть его.

  • Безопасная оплата

    Банковской картой, электронными деньгами, наличными в офисе или на расчётный счёт.

Отзывы о товаре

Рейтинг товара 0 / 5

0 отзывов

Russian English Polish