КПЛ5 УГОЛ СТОЛЯРНЫЙ С РЕСНЕНИЕМ 50х50х35х2 100 шт.

Товар

3 676  ₽
КПЛ5 УГОЛ СТОЛЯРНЫЙ С РЕСНЕНИЕМ 50х50х35х2 100 шт.

Доставка

  • Почта России

    от 990 ₽

  • Курьерская доставка EMS

    от 1290 ₽

Характеристики

Артикул
5127686378
Состояние
Новый
Rodzaj
kątowniki
Producent
Domax
Liczba sztuk
100 szt.
Średnica wkręta
35 mm
Długość wkręta
50 mm

Описание

100 x KĄTOWNIK MONTAŻOWY Z PRZETŁOCZENIEM KPL5

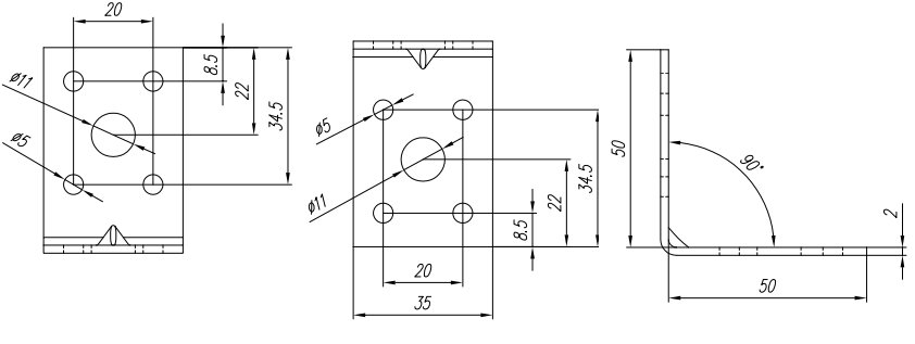
Wymiary: 50mm x 50mm x 35mm x 2,0mm

Cena dotyczy kompletu - 100 sztuk kątownika

KPL5 KĄTOWNIK CIESIELSKI MONTAŻOWY Z PRZETŁOCZENIEM 50x50x35x2 100sztuk

Kątowniki z głębokim przetłoczeniem wykazują się bardzo dużą wytrzymałością na zginanie. Posiadają one szeroką gamę przemyślanych układów otworowania, dzięki czemu można je stosować zarówno w standardowych rozwiązaniach, jak i dobierać pod indywidualnie projektowane złącza.

Kątowniki KPL wykonane są z cieńszego materiału niż kątowniki KP, co jest wynikiem prac nad uzyskaniem lepszego kompromisu pomiędzy ceną a wytrzymałością.

Kątowniki wykonane zostały z blachy stalowej ocynkowanej o grubości 2,0mm.

PARAMETRY:

  • długość - 50mm
  • wysokość - 50mm
  • szerokość  - 35mm
  • grubość blachy - 2,0mm
  • materiał - DX51D + Z275
  • ochrona antykorozyjna - ocynk
  • ilość otworów -8 otworów ø5mm, 2 otwory ø11mm
KPL5 KĄTOWNIK CIESIELSKI MONTAŻOWY Z PRZETŁOCZENIEM 50x50x35x2 100sztuk EAN (GTIN) 5904830709056

MOCOWANIE:

  • gwoździe pierścieniowe ANCHOR ø4
  • wkręty ciesielskie do łączników
  • wkręty do drewna ø6mm, 10mm
  • stalowe śruby rozporowe M10
  • kotwy wklejane M10 itp.
KPL5 KĄTOWNIK CIESIELSKI MONTAŻOWY Z PRZETŁOCZENIEM 50x50x35x2 100sztuk Rodzaj kątowniki
KPL5 KĄTOWNIK CIESIELSKI MONTAŻOWY Z PRZETŁOCZENIEM 50x50x35x2 100sztuk Długość wkręta 50 mm
KPL5 KĄTOWNIK CIESIELSKI MONTAŻOWY Z PRZETŁOCZENIEM 50x50x35x2 100sztuk Średnica wkręta 35 mm

RYSUNEK TECHNICZNY:

Alt
  • KP1 - 90 x 90 x 65 x 2,5 [mm]
  • KP2 - 105 x 105 x 90 x 2,5 [mm]
  • KP3 - 90 x 50 x 55 x 2,5 [mm]
  • KP4 - 70 x 70 x 55 x 2,5 [mm]
  • KP5 - 140 x 140 x 65 x 2,5 [mm]
  • KP6 - 172 x 105 x 90 x 3 [mm]
  • KP7 - 145 x 145 x 90 x 2,5 [mm]
  • KP8 - 145 x 70 x 90 x 2,5 [mm]
  • KP9 - 128,5 x 128,5 x 45 x 2,5 [mm]
  • KPL1 - 90 x 90 x 65 x 2 [mm]
  • KPL2 - 105 x 105 x 90 x 2 [mm]
  • KPL3 - 90 x 50 x 55 x 2 [mm]
  • KPL4 - 70 x 70 x 55 x 2 [mm]
  • KPL5 - 50 x 50 x 35 x 2 [mm]
  • KPL6 - 60 x 60 x 45 x 2 [mm]
  • KPS1 - 90 x 90 x 65 x 1,5 [mm]
  • KPS2 - 105 x 105 x 90 x 1,5 [mm]
  • KPS3 - 90 x 50 x 55 x 1,5 [mm]
  • KPS4 - 70 x 70 x 55 x 1,5 [mm]

DOKUMENTACJA TECHNICZNA:

  • Europejska Aprobata Techniczna
  • Deklaracja Właściwości Użytkowych
  • Certyfikat Zgodności Zakładowej Kontroli Produkcji

Wszystkie oferowane przez nas łączniki charakteryzuje najwyższa jakość można je bez obaw stosować w budownictwie. Dokładamy wszelkich starań, aby wyroby dostarczane naszym kontrahentom były bezpieczne i przystosowane do konkretnych zadań.

KPL5 KĄTOWNIK CIESIELSKI MONTAŻOWY Z PRZETŁOCZENIEM 50x50x35x2 100sztuk Waga produktu z opakowaniem jednostkowym 5 kg

ZASTOSOWANIE:

KPL5 KĄTOWNIK CIESIELSKI MONTAŻOWY Z PRZETŁOCZENIEM 50x50x35x2 100sztuk Liczba sztuk 100 szt.

Гарантии

  • Гарантии

    Мы работаем по договору оферты и предоставляем все необходимые документы.

  • Лёгкий возврат

    Если товар не подошёл или не соответсвует описанию, мы поможем вернуть его.

  • Безопасная оплата

    Банковской картой, электронными деньгами, наличными в офисе или на расчётный счёт.

Отзывы о товаре

Рейтинг товара 4.97 / 5

126 отзывов

Russian English Polish