Аналог домофона UNIFON WEKTA TK6. 4 5 6 ж

Товар

3 507  ₽
Аналог домофона UNIFON WEKTA TK6. 4 5 6 ж
  • 30 раз купили
  • 4.88  оценка
  • 66 осталось
  • 321 отзыв

Доставка

  • Почта России

    от 990 ₽

  • Курьерская доставка EMS

    от 1290 ₽

Характеристики

Артикул
5275414436
Identyfikator produktu
5275414436
Состояние
Новый
Typ domofonu
Przewodowy
Rodzaj domofonu
Jednorodzinny
Stan opakowania
oryginalne

Parametry dodatkowe

System 3+1
4 ro przewodowy analogowy
System 4+1
5 cio przewodowy analogowy
System 5+1
5 cio przewodowy analogowy
Informacje dodatkowe
Sterowanie napędem bramy
Kamera w panelu zewnętrznym
Brak

Описание

FABRYCZNIE NOWY UNIFON TK-6 MARKI WEKTA Z REGULACJĄ GŁOŚNOŚCI WYWOŁANIA ORAZ DWOMA PRZYCISKAMI

BIAŁY (KREMOWY), PRZEZNACZONY DO SYSTEMÓW ANALOGOWYCH

TK6 - BIAŁY - 4,5,6 ŻYŁOWY

➖Symbol: 58464➖

Domofon Słuchawka UNIFON WEKTA TK6 analog. 4 5 6 ż EAN (GTIN) 5900896003107

✔️Unifon analogowy TK-6 WEKTA przeznaczony jest do pracy w analogowych systemach typu 4+n (4-, 5-, 6-przewodowych), popularnie zwanymi systemami 5-przewodowymi. Cechuje się stosunkowo prostą konstrukcją i wysoką niezawodnością. Poszczególne linie odpowiadają za przesyłanie sygnałów z mikrofonu, głośnika, sygnału wywołania, masy oraz sterowania elektrozaczepem.

✔️Szczególną cechą unifonu jest regulacja głośności sygnału wywołania. Jest to szczególnie przydatne gdy w domu są małe dzieci i nie chcemy, aby ktoś przypadkiem je obudził.

✔️Każdy Unifony WEKTA TK-6 wyposażony jest w przycisk otwarcia drzwi i dodatkowy przycisk dowolnego zastosowania, np. do wywołania interkomowego. W większości unifonów innych marek za każdy dodatkowy przycisk należy dodatkowo dopłacić !!!

✔️Instalacja jest prosta i szybka, ponieważ wszystkie przewody pionu domofonowego podłącza się do złącza znajdującego się wewnątrz unifonu (nie ma potrzeby stosowania lutownicy).

➖CENA DOTYCZY 1 SZTUKI➖

Domofon Słuchawka UNIFON WEKTA TK6 analog. 4 5 6 ż Typ domofonu Przewodowy

!!! Uwaga !!! przed zakupem upewnij się jaki system posiadasz. Nie należy sugerować się wyglądem czy ilością przewodów ponieważ w jednej obudowie mogą być zastosowane różne systemy. Najbardziej popularne są następujące systemy: Analogowy 2-przewodowy, Cyfrowy 2-przewodowy, Analogowy 5cio przewodowy (4,5,6 przewodowy).

➖Dane Techniczne:➖

  • System: analogowy 5cio przewodowy (4ro, 5cio, 6cio przewodowy)
  • Podłączenie: 5 przewodów, złącze skręcane (4, 5 lub 6 przewodów)
  • Wysokość: 210mm
  • Szerokość: 80mm
  • Głębokość: 45mm
  • Kolor: Biały (producent określa go jako biały, ale nie jest to czysta biel tylko biało-kremowy)
Domofon Słuchawka UNIFON WEKTA TK6 analog. 4 5 6 ż Rodzaj domofonu Jednorodzinny Wielorodzinny

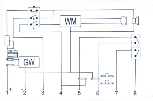
➖OPIS ZACISKÓW➖

  • 1 wywołanie (+generatora)
  • 2 masa
  • 3 linia słuchawki
  • 4 linia mikrofonu
  • 5 linia elektrozaczepu
  • 6 linia elektrozaczepu
  • 7 przycisk dodatkowy
  • 8 przycisk dodatkowy
Domofon Słuchawka UNIFON WEKTA TK6 analog. 4 5 6 ż Kamera w panelu zewnętrznym Brak

➖REGULACJA GŁOŚNOŚCI WYWOŁANIA➖

  • regulacja głośności wywołania w łatwo dostępnym miejscu
Domofon Słuchawka UNIFON WEKTA TK6 analog. 4 5 6 ż Informacje dodatkowe Sterowanie napędem bramy

➖Konfiguracja unifonu - system 3+1 lub 5+1 poprzez zwarcie odpowiednich zacisków➖

  • System 5+1 - otwarcie zamka poprzez zwarcie zacisków 5 i 6
  • System 3+1 - otwarcie zamka poprzez zwarcie zacisków 2 i 4
Domofon Słuchawka UNIFON WEKTA TK6 analog. 4 5 6 ż Kod producenta TK6 WEKTA Unifon Słuchawka Domofonowa Analog
Domofon Słuchawka UNIFON WEKTA TK6 analog. 4 5 6 ż Marka Wekta
Domofon Słuchawka UNIFON WEKTA TK6 analog. 4 5 6 ż Kolor biały

Гарантии

  • Гарантии

    Мы работаем по договору оферты и предоставляем все необходимые документы.

  • Лёгкий возврат

    Если товар не подошёл или не соответсвует описанию, мы поможем вернуть его.

  • Безопасная оплата

    Банковской картой, электронными деньгами, наличными в офисе или на расчётный счёт.

Отзывы о товаре

Рейтинг товара 4.88 / 5

321 отзыв

Russian English Polish