ДИСК - АДАПТЕР ПОВОРОТНАЯ РУЧКА 100мм для МК3

Товар

11 991  ₽
ДИСК - АДАПТЕР ПОВОРОТНАЯ РУЧКА 100мм для МК3
  • 0 раз купили
  • 5  оценка
  • 10 осталось
  • 2 отзыва

Доставка

  • Почта России

    от 990 ₽

  • Курьерская доставка EMS

    от 1290 ₽

Характеристики

Артикул
6257634834
Состояние
Новый

Описание

ADAPTER DO UCHWYTU 100mm

przejście z morsa 3 do uchwytu 100mm

Numer katalogowy : 10746

TARCZA - ADAPTER UCHWYT TOKARSKI 100mm na MK3 EAN (GTIN) 5905489505327

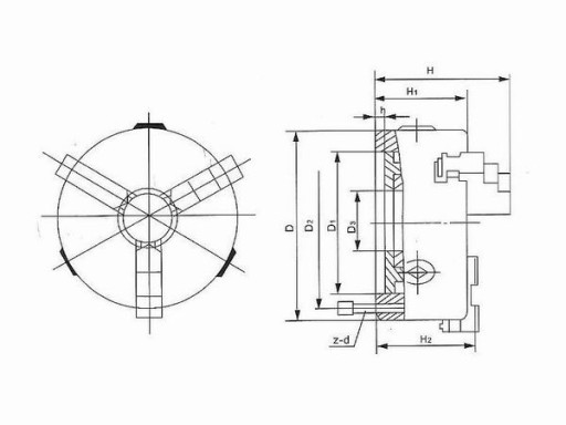
Poniżej podajemy rysunek techniczny wraz z wymiarami do którego kompatybilne jest nasze przejście ( rozmiar 100mm) :

D - ROZMIAR UCHWYTU

D1-ŚREDNICA ZAMKA

D2-ROZSTAW ŚRUB

D3  - ŚREDNICA PRZELOTU

H1 -GRUBOŚĆ

H - GRUBOŚĆ WRAZ  Z SZCZĘKAMI

TARCZA - ADAPTER UCHWYT TOKARSKI 100mm na MK3 Kod producenta 10746
TARCZA - ADAPTER UCHWYT TOKARSKI 100mm na MK3 Marka inny

DODATKOWO RYSUNEK POMOCNICZY DO ZWERYFIKOWANIA KOMPATYBILNOŚCI Z TARCZĄ ZABIERAKOWĄ,NA RYSUNKU UCHWYT POKAZANY OD TYŁU :

DLA ROZMIARU 100 mm

A - 84mm

E - 72mm

TARCZA - ADAPTER UCHWYT TOKARSKI 100mm na MK3 Waga produktu z opakowaniem jednostkowym 1.5 kg
Alt
Alt
TARCZA - ADAPTER UCHWYT TOKARSKI 100mm na MK3

Гарантии

  • Гарантии

    Мы работаем по договору оферты и предоставляем все необходимые документы.

  • Лёгкий возврат

    Если товар не подошёл или не соответсвует описанию, мы поможем вернуть его.

  • Безопасная оплата

    Банковской картой, электронными деньгами, наличными в офисе или на расчётный счёт.

Отзывы о товаре

Рейтинг товара 5 / 5

2 отзыва

Russian English Polish