РАСПРЕДЕЛИТЕЛЬ HYDR 3 SEC 40 Л С ЗАЩЕЛКОЙ ДВИГАТЕЛЯ

Товар

17 595  ₽
РАСПРЕДЕЛИТЕЛЬ HYDR 3 SEC 40 Л С ЗАЩЕЛКОЙ ДВИГАТЕЛЯ

Доставка

  • Почта России

    2243 ₽

  • Курьерская доставка EMS

    3194 ₽

Характеристики

Артикул
7535326952
Состояние
Новый
Waga produktu z opakowaniem jednostkowym
4 kg
Numer katalogowy części
1.10.00.036
Producent części
Badestnost

Описание

ROZDZIELACZ HYDR 3 SEK 40L Z ZATRZASKIEM NA SILNIK Numer katalogowy części 1.10.00.036

ROZDZIELACZ HYDRAULICZNY 3 SEKCYJNY P40

Z SEKCJĄ Z ZATRZASKIEM DO STEROWANIA SILNIKIEM

Produkcja:

Oryginalny produkt marki Badestnost, symbole producenta: 3P40 A1A1D8 GKZ1; symbol: 1.10.00.036

Zastosowanie:

Posiada szerokie zastosowanie w układach hydraulicznych w rolnictwie, sadownictwie, leśnictwie, budownictwie i szeroko pojętym przemyśle.

Rozdzielacz przystosowany jest do różnego rodzaju maszyn takich jak: maszyny rolnicze, pielniki, przetrząsarki, kosiarki, maszyny budowlane, zamiatarki, mieszalniki, maszyny przemysłowe i do innych urządzeń sterowanych hydraulicznie, w których jedna sekcja steruje silnikiem hydraulicznym.

Dzięki dźwigni z zatrzaskiem rozdzielacz idealnie nadaje się do sterowania silnikiem hydraulicznym. Można uruchomić silnik i odejść od rozdzielacza bez potrzeby ciągłego trzymania dźwigni.

Dane techniczne:

Specjalna konstrukcja suwaka na sekcji z zatrzaskiem niweluje szarpania maszyną przy włączaniu i wyłączaniu napędu silnika. Silnik startuje i hamuje stopniowo bez obciążeń. Dzięki takiej konstrukcji sekcja z zatrzaskiem jest idealna do sterowania silnikiem, lecz nie nadaje się do sterowania siłownikiem.

Zalecany przepływ oleju układzie: 0 - 40 l/min. Przykładowe sterowanie: dwoma siłownikami dwustronnego działania oraz silnikiem hydraulicznym w obu kierunkach.

Możliwość podłączenia szeregowego do istniejącego układu (wymagana tuleja ciśnieniowa).

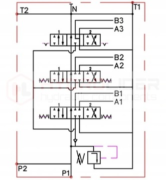
Sterowanie:

Pierwsza i druga dźwignia trzypozycyjne (1 - 0 - 2), na sprężynie, czyli same wracają do pozycji neutralnej.

  • Pozycja 0 neutralna (dźwignia ustawiona w pionie) tłoczysko siłownika stoi - olej idzie na przelew.
  • Pozycja 1 robocza (dźwignia ustawiona w pozycji ukośnej do przodu) tłoczysko siłownika wysuwa się.
  • Pozycja 2 robocza (dźwignia ustawiona w pozycji ukośnej do tyłu) tłoczysko siłownika chowa się.

Druga dźwignia trzypozycyjna (1 - 0 - 2), z zatrzaskiem, czyli sama trzyma położenie w pozycji roboczej.

  • Pozycja 0 neutralna (dźwignia ustawiona w pionie) silnik stoi - olej idzie na przelew.
  • Pozycja 1 robocza (dźwignia ustawiona w pozycji ukośnej do przodu) silnik obraca się w lewo.
  • Pozycja 2 robocza (dźwignia ustawiona w pozycji ukośnej do tyłu) silnik obraca się w prawo.

Z prawej strony schematy hydrauliczne rozdzielaczy, z typem zatrzasku kolejno od lewej: do sterowania siłownikiem i do sterowania silnikiem:

ROZDZIELACZ HYDR 3 SEK 40L Z ZATRZASKIEM NA SILNIK Producent części Badestnost
ROZDZIELACZ HYDR 3 SEK 40L Z ZATRZASKIEM NA SILNIK Waga produktu z opakowaniem jednostkowym 4 kg

Podłączenie:

  • Zasilanie z pompy (P): gwint wewnętrzny BSP 1/2''
  • Powrót do zbiornika (T): gwint wewnętrzny BSP 1/2''
  • Wyjście na sekcje (A, B): gwint wewnętrzny BSP 3/8''
  • Podłączenie szeregowe (N): gwint wewnętrzny BSP 1/2"

Zakres ciśnień:

  • Maksymalne ciśnienie na zasilaniu: 250Bar
  • Maksymalne ciśnienie na powrocie: 50Bar
  • Maksymalne ciśnienie na sekcjach: 300Bar

Ciśnienie otwarcia zaworu przelewowego rośnie proporcjonalnie wraz ze wzrostem przepływu:

180 bar przy 10 l/min

190 bar przy 20 l/min

200 bar przy 30 l/min

210 bar przy 40 l/min

Zestawy do precyzyjnego pomiaru ciśnienia znajdziesz w dziale Manometry – zestawy pomiarowe

Zaleca się sprawdzenie i ustawienie odpowiedniego ciśnienia przez uruchomieniem.

Możliwość samodzielnej regulacji, pełny obrót zmiana o 30Bar.

Rekomendowane przez AGRICOLA typy oleju:

  • Rzadszy wysokiej jakości olej: LOTOS AGROL BOXOL 26

Zalecany zakres temperatur oleju:

  • Dopuszczalna temperatura otoczenia: -40 C do +60 C
  • Dopuszczalna temperatura oleju: -15 C do +80 C

Гарантии

  • Гарантии

    Мы работаем по договору оферты и предоставляем все необходимые документы.

  • Лёгкий возврат

    Если товар не подошёл или не соответсвует описанию, мы поможем вернуть его.

  • Безопасная оплата

    Банковской картой, электронными деньгами, наличными в офисе или на расчётный счёт.

Отзывы о товаре

Рейтинг товара 5 / 5

11 отзывов

Russian English Polish