белая втулка для плетеного кабеля LOFT

Товар

183  ₽
белая втулка для плетеного кабеля LOFT

Доставка

  • Почта России

    1275 ₽

  • Курьерская доставка EMS

    1596 ₽

Характеристики

Артикул
9133802655
Identyfikator produktu
9133802655
Состояние
Новый

Описание

Alt

PRZEPUST DO PRZEWODU  - 1szt

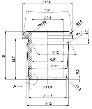
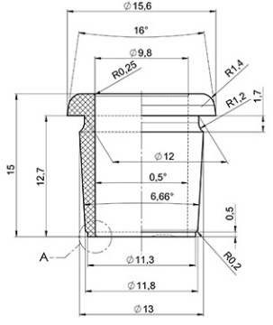
służy do wyprowadzenia przewodu de ściany - estetyczne wykończenie dziury z której wychodzi przewód. Idealny rozmiar do nakręcenia na rurkę gwintowaną M10.

kolor: biały / mleczny / tranparentny

Kupując jeden produkt na tej aukcji dostajesz jeden przepust ze zdjęć poniżej.

Aukcja dotyczy samych przepustów, pozostałe produkty ze zdjęć służą tylko pokazaniu, jak oprawki wyglądają w kompozycji, znajdziesz je na pozostałych naszych aukcjach.

Alt

/\/\/\/\/\/\/\/\/\/\/\/\/\/\/\/\/\/\/\/\/\/\/\/\/\/\/\/\/\/\/\/\/\/\/\/\/\/\/\/\/\/\/\/\/\/\/\/\/\/\/\/\/\/\/\/\/\

Bardzo dobra jakość

Nie kupuj bubli, perfekcyjnie wykonane przepusty o mega industrialnej stylistyce. Powłoka wykonana z najwyższą precyzją. Ten produkt pomoże Ci w zrealizowaniu najciekawszych aranżacji. Robisz mieszkanie w stylu loft? Dekorujesz hotel lub restauracje? Te przepusty są właśnie dla Ciebie.

Uniwersalność to podstawa!

Te przepusty zamocujesz bez problemu na starej cegle, betonowym murze czy wszędzie indziej gdzie tylko chcesz. przepusty  przystosowane do prowadzenia instalacji natynkowej z grubych przewodów.

Alt

Oszczędzaj czas i pieniądze

Nie kupuj drogich gotowych lamp! Oszczędź swoje pieniądze i twórz własne aranżacje już teraz. Ten świetny przepust dopełni każde wnętrze. Sprawi, że Twoja instalacja nabierze nowego wymiaru.

Aranżacje loftowe

Idealne do aranżacji loftowych, przepusty z porcelany. Industrialny styl zapewni Ci niespotykaną jakość Twojego wnętrza. Perfekcyjnie komponuje się z kolorowymi kablami, uchwytami, oprawkami oraz podsufitkami. U nas znajdziesz wszytko.

Nadaj swojemu wnętrzu niespotykanego stylu.

Alt

/\/\/\/\/\/\/\/\/\/\/\/\/\/\/\/\/\/\/\/\/\/\/\/\/\/\/\/\/\/\/\/\/\/\/\/\/\/\/\/\/\/\/\/\/\/\/\/\/\/\/\/\/\/\/\/\/\

biały przepust do przewodu kabla w oplocie LOFT Marka Apmal

Dla kogo są te przepusty?

  • dla osób ceniących nietuzinkowe wnętrza
  • dla designerów
  • dla architektów i projektantów wnętrz
  • dla pragnących błyskawicznej metamorfozy swojego oświetlenia
  • dla osób, chcących mieć coś unikatowego
  • dla tych, którzy tworzą instalacje natynkowe
  • dla tych, którzy odnawiają swoją starą instalację
  • dla tych, którzy kupili nową lampę i chcą ją ulepszyć
  • dla lubiących stylistykę loft
  • dla oszczędnych ludzi, którzy nie chcą wydawać kroci na gotowe lampy
  • dla kreatywnych ludzi
  • dla znudzonych starą lampą
  • dla tych, którzy sami robią instalacje oświetleniowe w nowoczesnym stylu

/\/\/\/\/\/\/\/\/\/\/\/\/\/\/\/\/\/\/\/\/\/\/\/\/\/\/\/\/\/\/\/\/\/\/\/\/\/\/\/\/\/\/\/\/\/\/\/\/\/\/\/\/\/\/\/\/\

Alt
Alt
Alt
Alt
biały przepust do przewodu kabla w oplocie LOFT Typ uchwyt
biały przepust do przewodu kabla w oplocie LOFT Kod producenta ap-550
biały przepust do przewodu kabla w oplocie LOFT Marka Apmal
biały przepust do przewodu kabla w oplocie LOFT EAN (GTIN) 8727312398145
Alt

Гарантии

  • Гарантии

    Мы работаем по договору оферты и предоставляем все необходимые документы.

  • Лёгкий возврат

    Если товар не подошёл или не соответсвует описанию, мы поможем вернуть его.

  • Безопасная оплата

    Банковской картой, электронными деньгами, наличными в офисе или на расчётный счёт.

Отзывы о товаре

Рейтинг товара 5 / 5

10 отзывов

Russian English Polish