ПИТАНИЕ НАСОСА ГИДРАВЛИЧЕСКОГО ГЕНЕРАТОРА 2,0 кВт 12 В 11 л

Товар

36 359  ₽
Пошлина ≈1 294 ₽ не входит в цену.
ПИТАНИЕ НАСОСА ГИДРАВЛИЧЕСКОГО ГЕНЕРАТОРА 2,0 кВт 12 В 11 л

Доставка

  • Почта России

    от 990 ₽

  • Курьерская доставка EMS

    от 1290 ₽

Характеристики

Артикул
9396677764
Состояние
Новый
Producent części
SM-G
Numer katalogowy części
PP-DC12V20KW-26-S-P11L.A

Описание

Agregat hydrauliczny 12V 2,0kW

KOD SKRAW MET: [0274]

Producent: SM-G (SKRAW MET GROUP)

Umożliwia sterowanie siłownikiem jednostronnego działania.

Pod wpływem ciśnienia siłownik wysuwa się, natomiast wsuwa przy pomocy sił grawitacyjnych oraz ciężaru podnoszonego.

Agregat jest kompletny i gotowy do pracy, wystarczy podłączyć przewody i zalać olejem. Zalecana praca ciągła nie dłużej niż 3 minuty, ponowne uruchomienie po 5 minutach odpoczynku.

Zastosowanie:

Agregat doskonale sprawdza się w maszynach i urządzeniach zasilanych elektrycznie.

Może być wykorzystywany w rolnictwie, sadownictwie, leśnictwie czy budownictwie.

Dostosowany jest do pracy przy wyładunku skrzyni ładunkowej w przyczepkach, wywrotkach, hydropakach, rasach, podnośnikach, platformach załadunkowych, windach samochodowych, żurawiach, maszynach rolniczych i przemysłowych.

AGREGAT HYDRAULICZNY POMPA ZASILACZ 2,0 kW 12V 11L

Specyfikacja techniczna:

  • Moc silnika: 2,0 kW
  • Napięcie elektryczne: 12 V
  • Pojemność zbiornika oleju: 11 L
  • Maksymalne ciśnienie pracy: 180 bar
  • Wydajność pompy: 2,6 cm3/obrót, w tym zestawie 7L/min do 12L/min
  • Przyłącze gwint wewnętrzny: 3/8"
  • Zawór przelewowy (bezpieczeństwa): TAK

Wymiary:

  • Długość agregatu: 650 mm
  • Długość zbiornika: 440 mm
  • Szerokość agregatu: 170 mm
  • Szerokość zbiornika: 170 mm
  • Wysokość agregatu: 195 mm
  • Wysokość zbiornika (od podstawy do czubka korka): 205 mm

PILOT Z 2 PRZYCISKAMI

Solidna konstrukcja

Jest to dedykowany pilot z dwoma przyciskami stosowany głównie w agregatach hydraulicznych zasilanych napięciem 12V / 24V.

Wyposażony w kieszeń mocującą, którą w razie potrzeby można przymocować na dwa otwory o średnicy 5 mm.

Z tyłu pilota znajdują się również magnesy, dzięki którym pilot można przymocować do elementów metalowych.

Dodatkowo w pilocie znajdziemy przewód o długości ok. 4,4 m z dokręcaną wtyczką 3 - pinową.

Wszystkie elementy wytworzone zostały tylko i wyłącznie z trwałych, wysokiej jakości materiałów.

AGREGAT HYDRAULICZNY POMPA ZASILACZ 2,0 kW 12V 11L Producent części SM-G

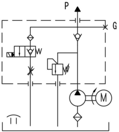
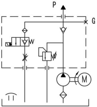
Na każdym agregacie jest naklejony schemat działania układu hydraulicznego.

Alt
Alt

W skład zestawu wchodzi:

  • pompa
  • silnik elektryczny
  • płyta łącząca
  • zbiornik
  • pilot sterujący

Agregat dodatkowo posiada plastikową osłonę na silnik oraz zestaw do mocowania.

Alt
Alt

Legenda oznaczeń:

  • + Zasilanie (potencjał dodatni), podłączony bezpośrednio do akumulatora
  • - Zasilanie (potencjał ujemny), podłączony bezpośrednio do akumulatora
  • A - port przyłączeniowy (G3/8")
  • B - regulacja szybkości opadania
  • C - regulacja ciśnienia oleju
AGREGAT HYDRAULICZNY POMPA ZASILACZ 2,0 kW 12V 11L Numer katalogowy części PP-DC12V20KW-26-S-P11L.A
Alt

Гарантии

  • Гарантии

    Мы работаем по договору оферты и предоставляем все необходимые документы.

  • Лёгкий возврат

    Если товар не подошёл или не соответсвует описанию, мы поможем вернуть его.

  • Безопасная оплата

    Банковской картой, электронными деньгами, наличными в офисе или на расчётный счёт.

Отзывы о товаре

Рейтинг товара 4.98 / 5

46 отзывов

Russian English Polish