ПГ-21 КЛЕЙ ПО МЕТАЛЛУ ДЛЯ ТРУБ 25мм IP65

Товар

1 687  ₽
ПГ-21 КЛЕЙ ПО МЕТАЛЛУ ДЛЯ ТРУБ 25мм IP65

Доставка

  • Почта России

    1303 ₽

  • Курьерская доставка EMS

    1632 ₽

Характеристики

Артикул
9553318954
Состояние
Новый
Marka
inna (Anamet)
Kod producenta
710.021.4
Waga produktu z opakowaniem jednostkowym
0.073 kg

Описание

DŁAWIK METALOWY PG-21 DO RUR PESZLI 25mm IP65

Dławik metalowy męski PG-21 IP65 do rur i peszli Anaconda 25mm

Seria mosiężnych niklowanych, kompaktowych dławików przeznaczonych do stosowania z metalowymi peszlami Anaconda Multiflex oraz Multitite.

Prezentowany produkt cechuje się krótszym gwintem i niższą wagą w stosunku do standardowych dławnic.

Okucia zostały specjalnie zaprojektowanie by lepiej przylegać i zapewniać jeszcze lepsze dopasowanie oraz najwyższej klasy trwałe i szczelne połączenie. Wysokiej jakości wykończenie chroni je przed korozją i nadaje estetyczny wygląd.

Specyfikacja:

  • Producent: ANAMET
  • Seria: Anaconda
  • Indeks: 710.021.4
  • Budowa: dławik z mosiądzu niklowanego składający się z czterech części (nakrętki kontrującej, pierścienia zaciskowego, okucia i korpusu)
  • Materiał: nakrętka kontrująca oraz korpus wykonane są z mosiądzu niklowanego, okucie z mosiądzu poddanego procesowi pasywacji, pierścień zaciskowy z poliamidu PA6
  • Temperatura pracy: -45 ºC do +105 ºC
  • Klasa szczelności: IP65
  • Kolor: metaliczny
  • Waga: 73 g
  • Opakowanie: 1szt (produkt pochodzi z fabrycznego opakowania zbiorczego, zostanie dostarczony w opakowaniu zastępczym)
DŁAWIK METALOWY PG-21 DO RUR PESZLI 25mm IP65 Marka inna
Alt

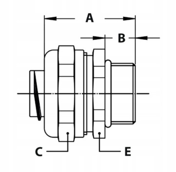
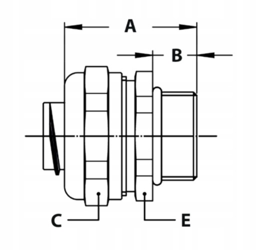
Wymiary:

  • Gwint zewnętrzny (ISO): PG 21
  • Gwint wewnętrzny (rozmiar DN): 25
  • Min. średnica wew.: 19,2 mm
  • A - 33 mm
  • B - 10 mm
  • C - 35 mm
  • E - 33 mm

Zastosowanie:

  • Budowa maszyn i urządzeń
  • Standardowe instalacje elektryczne
  • Instalacje podtynkowe
  • Tunele kablowe
  • Ochrona kabli do przesyłu danych i światłowodów
  • Budowa taboru kolejowego w instalacjach w dachu oraz ścianach pojazdu
  • Systemy informacji pasażerskiej
  • Systemy monitoringu CCTV
  • Systemy zamykania drzwi

Produkt przeznaczony jest do funkcji i zastosowań wymienionych w opisie.

Alt
Alt

Producent - Anamet Europe

Anamet Europe BV jest specjalistą w dziedzinie elastycznych węży do przesyłu płynów i gazów oraz systemów ochrony kabli i przewodów elektrycznych.

Przedsiębiorstwo dostarcza rozwiązania i wspiera swoich Klientów na całym świecie. Dzięki wieloletniemu doświadczeniu są wstanie rozwiązać praktycznie wszystkie problemy techniczne związane z instalacją i ochroną węży, przewodów i kabli w różnorodnych instalacjach przemysłowych.

DŁAWIK METALOWY PG-21 DO RUR PESZLI 25mm IP65 Liczba sztuk w ofercie 1 szt.
DŁAWIK METALOWY PG-21 DO RUR PESZLI 25mm IP65 Marka inna
DŁAWIK METALOWY PG-21 DO RUR PESZLI 25mm IP65 Waga produktu z opakowaniem jednostkowym 0.073 kg
Alt
Alt
Alt

Гарантии

  • Гарантии

    Мы работаем по договору оферты и предоставляем все необходимые документы.

  • Лёгкий возврат

    Если товар не подошёл или не соответсвует описанию, мы поможем вернуть его.

  • Безопасная оплата

    Банковской картой, электронными деньгами, наличными в офисе или на расчётный счёт.

Отзывы о товаре

Рейтинг товара 5 / 5

8 отзывов

Russian English Polish