РЕЛЕ ЭЛЕКТРОМАГНИТНОЕ ПК-2П 230 В

Товар

1 806  ₽
РЕЛЕ ЭЛЕКТРОМАГНИТНОЕ ПК-2П 230 В
  • 2 раза купили
  • 4.96  оценка
  • 69 осталось
  • 402 отзыва

Доставка

  • Почта России

    1576 ₽

  • Курьерская доставка EMS

    2097 ₽

Характеристики

Артикул
9941400207
Identyfikator produktu
9941400207
Состояние
Новый
Rodzaj
przekaźnik

Описание

PRZEKAŹNIK ELEKTROMAGNETYCZNY F&F-PK-2P 230 V

PRZEKAŹNIK ELEKTROMAGNETYCZNY PK-2P 230 V

Przekaźniki elektromagnetyczne w obudowie jednomodułowej do bezpośredniego  montażu na szynie 35 mm.

  • Konfiguracja styków: 2 x NO/NC
  • Prąd obciążenia: 2 x 8 A
  • Napięcie zasilania: 230 V AC
PRZEKAŹNIK ELEKTROMAGNETYCZNY PK-2P 230 V Marka F&F

DZIAŁANIE

Podanie napięcia zasilania na cewkę przekaźnika spowoduje przełączenie styku. Stan załączenia przekaźnika  jest sygnalizowany świeceniem LED zielonej. Po zaniku napięcia zasilania styk powraca do pierwotnej pozycji.

PRZEKAŹNIK ELEKTROMAGNETYCZNY PK-2P 230 V EAN (GTIN) 5908312595526

Przykład znakowania przy zamówieniu

np.  PK-2P  230 V ---------  napięcie zasilania

PRZEKAŹNIK ELEKTROMAGNETYCZNY PK-2P 230 V Kod producenta PK-2P-230V

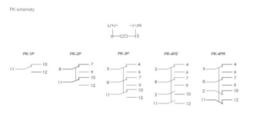
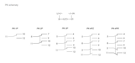
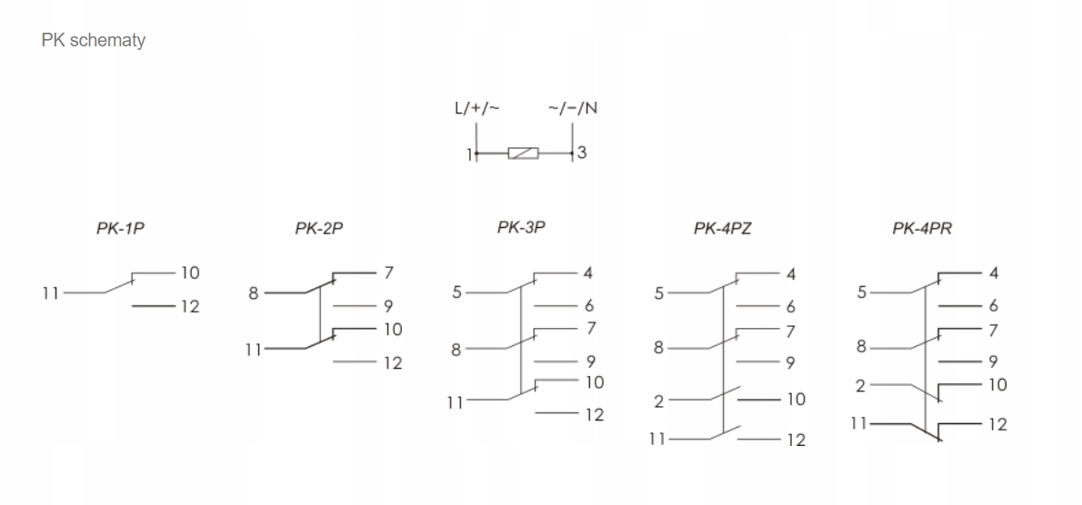
SCHEMAT

PRZEKAŹNIK ELEKTROMAGNETYCZNY PK-2P 230 V Rodzaj przekaźnik

DEKLARACJA ZGODNOŚCI UE

Alt
Alt

Гарантии

  • Гарантии

    Мы работаем по договору оферты и предоставляем все необходимые документы.

  • Лёгкий возврат

    Если товар не подошёл или не соответсвует описанию, мы поможем вернуть его.

  • Безопасная оплата

    Банковской картой, электронными деньгами, наличными в офисе или на расчётный счёт.

Отзывы о товаре

Рейтинг товара 4.96 / 5

402 отзыва

Russian English Polish