Катушка электромагнитного клапана 230В 8Вт

Товар

2 227  ₽
Катушка электромагнитного клапана 230В 8Вт

Доставка

  • Почта России

    от 990 ₽

  • Курьерская доставка EMS

    от 1290 ₽

Характеристики

Артикул
13107761454
Состояние
Б/У
Marka
inna (Lucifer)
Średnica przyłącza
1/2''
Rodzaj
inny
Kod producenta
DZ023D

Описание

Cewka elektrozaworu 230V 8W

Używana, w pełni sprawna, cewka do elektrozaworu renomowanej szwajcarskiej  firmy Parker Lucifer SA o symbolu DZ023D

Napięcie AC 230V  moc 8W

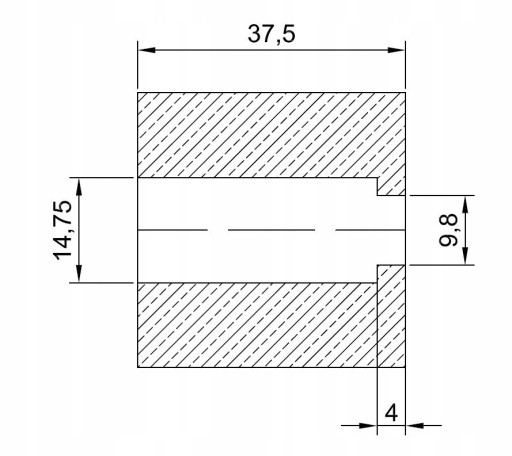
Na ostatnim zdjęciu przekrój wzdłużny cewki obrazujący średnicę otworu. Wymiary w mm.

Real foto; brak możliwości wystawienia faktury, gwarancja rozruchowa

Гарантии

  • Гарантии

    Мы работаем по договору оферты и предоставляем все необходимые документы.

  • Лёгкий возврат

    Если товар не подошёл или не соответсвует описанию, мы поможем вернуть его.

  • Безопасная оплата

    Банковской картой, электронными деньгами, наличными в офисе или на расчётный счёт.

Отзывы о товаре

Рейтинг товара 0 / 5

0 отзывов

Russian English Polish