F&F АВТОМАТИЧЕСКИЙ ПЕРЕКЛЮЧАТЕЛЬ ФАЗ PF-441

Товар

13 751  ₽
F&F АВТОМАТИЧЕСКИЙ ПЕРЕКЛЮЧАТЕЛЬ ФАЗ PF-441

Доставка

  • Почта России

    от 990 ₽

  • Курьерская доставка EMS

    от 1290 ₽

Характеристики

Артикул
11975109665
Состояние
Новый
Marka
F&F
Kod producenta
PF-441

Описание

Automatyczny przełącznik faz F&F PF-441 do współpracy ze stycznikami z fazą priorytetową na szynę DIN

F&F AUTOMATYCZNY PRZEŁĄCZNIK FAZ PF-441
F&F AUTOMATYCZNY PRZEŁĄCZNIK FAZ PF-441 Marka F&F

Opis produktu

Do współpracy ze stycznikami.

Z fazą priorytetową.

Z dolnym i górnym progiem zadziałania.

Automatyczny przełącznik faz służy do zachowania ciągłości zasilania odbiornika jednofazowego w przypadku zaniku jednej z faz zasilających lub spadku parametrów poniżej normy.

F&F AUTOMATYCZNY PRZEŁĄCZNIK FAZ PF-441 EAN (GTIN) 5908312594048

Działanie

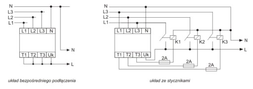
Przełącznik w bezpośrednim podłączeniu służy do zasilania obwodu jednofazowego, którego obciążenie nie przekracza 16 A. Dla obwodów o obciążeniu powyżej 16 A wykorzystujemy układ przełącznika i trzech styczników o odpowiednio dobranej obciążalności.

Na wejście przełącznika (L1, L2, L3, N) doprowadzone jest napięcie trójfazowe (3× 230 V+N). Na wyjście przełącznika (T1, T2, T3) kierowane jest napięcie jednofazowe (230 V AC), tzn. napięcie fazowe jednej z faz. Układ elektroniczny przełącznika kontroluje wartości napięć doprowadzonych faz. Faza o prawidłowych parametrach kierowana jest na wyjście. Faza L1 jest fazą priorytetową, tzn. że jeżeli jej parametry będą prawidłowe, to faza ta będzie zawsze załączana na wyjście.

W przypadku braku prawidłowych parametrów napięcia w fazie L1 lub jego zaniku, układ elektroniczny przełączy na wyjście fazę L2 (o ile jej parametry będą prawidłowe). W przypadku równoczesnego braku prawidłowych napięć w fazach L1 i L2 na wyjście zostanie załączona faza L3. W przypadku powrotu prawidłowego napięcia zasilania w fazie L1, układ załączy na wyjście tę fazę. Czas przełączania (pojawienie się napięcia na wyjściu) po zaniku aktualnie załączonej fazy wynosi od 0,5 s do 0,8 s (w tym czasie odbiorniki nie są zasilane). Wejście Uk służy do kontroli załączonych napięć. Układ pozwala na załączenie tylko jednej fazy. Zabezpiecza to przed jednoczesnym podaniem napięć dwóch faz na wyjście, co spowodować by mogło zwarcie międzyfazowe. W przypadku zwarcia na stałe styków stycznika układ nie przełączy na inny stycznik mimo nieprawidłowego napięcia w tej fazie. Po włączeniu napięcia zasilania (przynajmniej jednej fazy) przez 2 sekundy układ bada prawidłowość przyłączonych napięć i dopiero po tym czasie załączy fazę na wyjście. Do sygnalizacji optycznej służą diody LED: zielona - zasilanie; żółta - załączona faza na wyjściu.

Dane techniczne:

F&F AUTOMATYCZNY PRZEŁĄCZNIK FAZ PF-441 Kod producenta PF-441

Schemat:

F&F AUTOMATYCZNY PRZEŁĄCZNIK FAZ PF-441 Stopień ochrony IP inny

Nr oferty xSale 11975109665

Гарантии

  • Гарантии

    Мы работаем по договору оферты и предоставляем все необходимые документы.

  • Лёгкий возврат

    Если товар не подошёл или не соответсвует описанию, мы поможем вернуть его.

  • Безопасная оплата

    Банковской картой, электронными деньгами, наличными в офисе или на расчётный счёт.

Отзывы о товаре

Рейтинг товара 4.96 / 5

27 отзывов

Russian English Polish